EasyManua.ls Logo

KYMCO MX'ER 50 - Page 22

KYMCO MX'ER 50
213 pages
Print Icon
To Next Page IconTo Next Page
To Next Page IconTo Next Page
To Previous Page IconTo Previous Page
To Previous Page IconTo Previous Page
Loading...
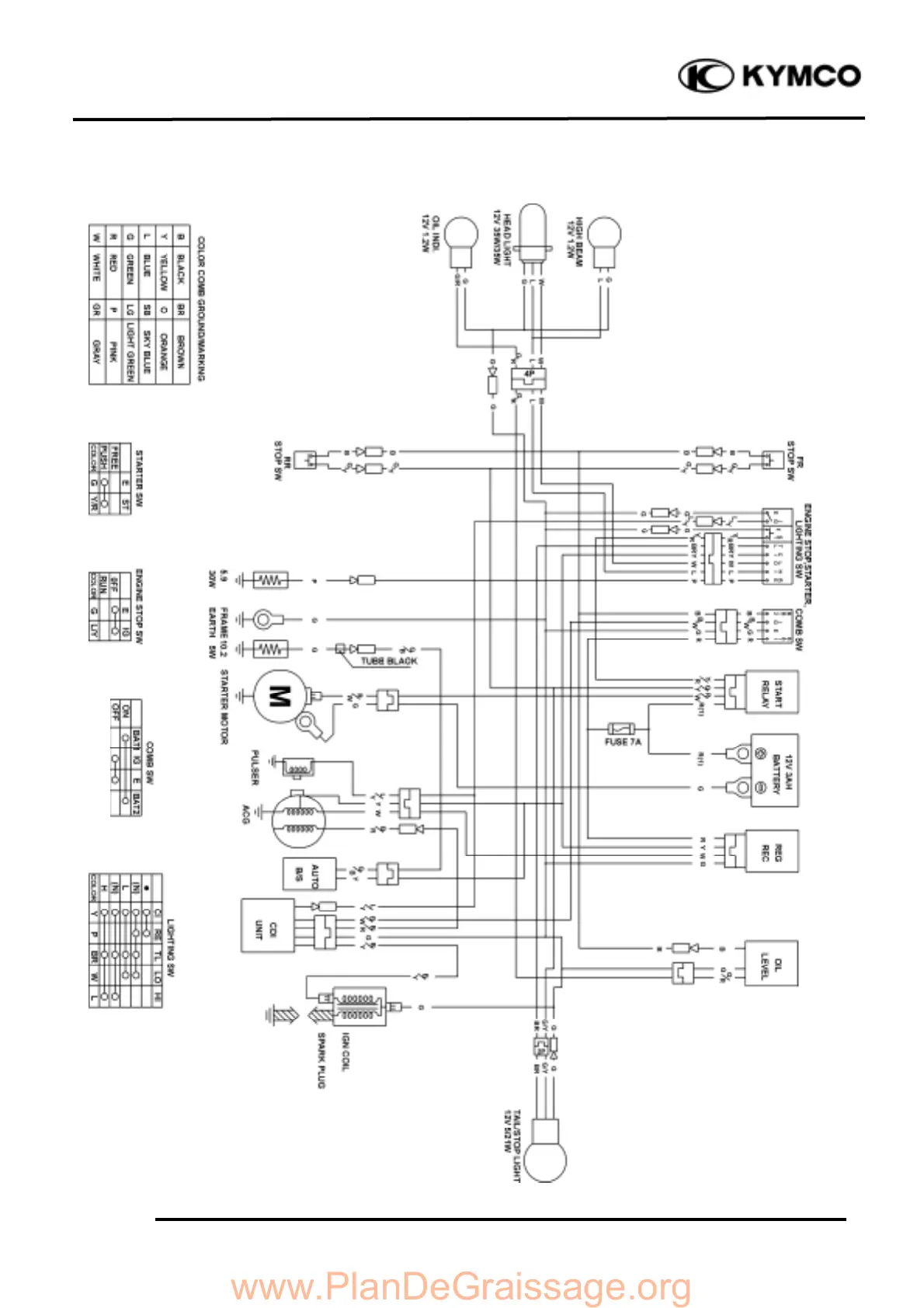
1. SPECIFICATIONS
1-21
MX’er 50
WIRING DIAGRAM (OFF ROAD)
www.PlanDeGraissage.org

Table of Contents

Related product manuals