EasyManua.ls Logo

Mariner 70 - Power Trim System Wiring Diagram

Mariner 70
391 pages
Print Icon
To Next Page IconTo Next Page
To Next Page IconTo Next Page
To Previous Page IconTo Previous Page
To Previous Page IconTo Previous Page
Loading...
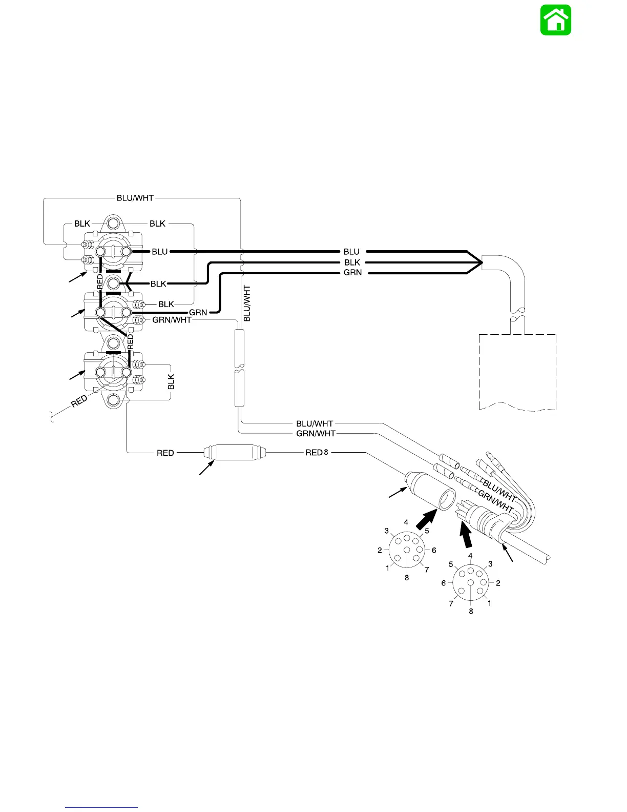
2D-6 90-13645--2 495ELECTRICAL AND IGNITION
Power Trim System Wiring Diagram (3 Cylinder Models
Using COMMANDER 2000 Side Mount Remote Control)
23886
BLK BLACK
BLU BLUE
GRN GREEN
RED RED
WHT WHITE
a
b
c
d
e
f
g
h
a - Power Trim Pump Motor
b - Trim Solenoid “UP”
c - Trim Solenoid “DOWN”
d - Engine Starter Motor Solenoid
e - Red (+) Battery Cable
f - Fuse Holder (20 Amp Fuse)
g - Engine Wiring Harness Connector
h - Remote Control Wiring Harness Connector

Table of Contents

Related product manuals