EasyManua.ls Logo

Mazda 1983 RX7 - Mazda RX7 Wiring Diagram; Mazda B2000 and B2200 Wiring Diagram

Mazda 1983 RX7
458 pages
Print Icon
To Next Page IconTo Next Page
To Next Page IconTo Next Page
To Previous Page IconTo Previous Page
To Previous Page IconTo Previous Page
Loading...
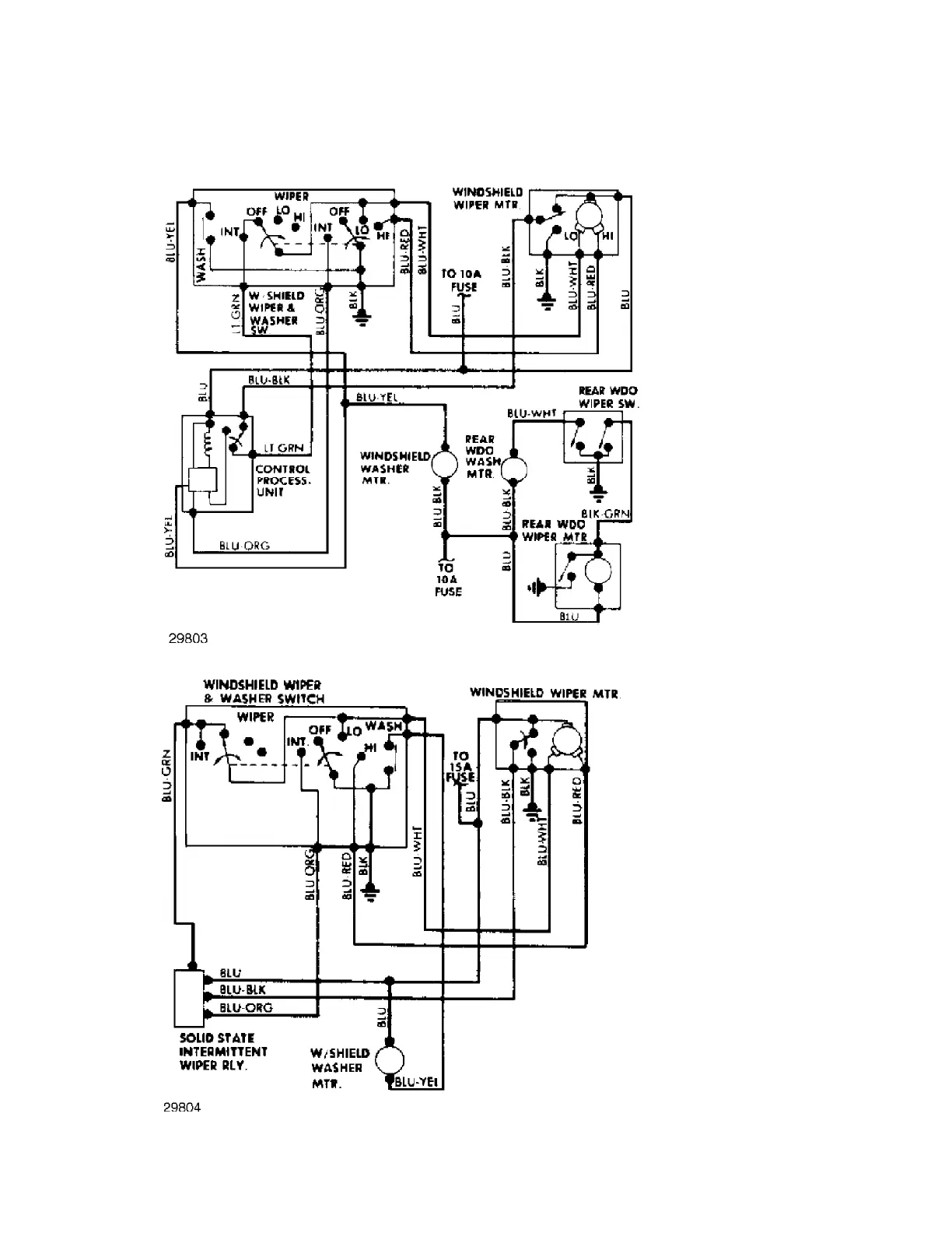
WIPER/WASHER SYSTEM
Article Text (p. 4)
1983 Mazda RX7
For www.iluvmyrx7.com
Copyright © 1998 Mitchell Repair Information Company, LLC
Sunday, August 26, 2001 03:29PM
Fig. 3: Mazda RX7 Wiring Diagram
Fig. 4: Mazda B2000 and B2200 Wiring Diagram

Table of Contents

Related product manuals