EasyManua.ls Logo

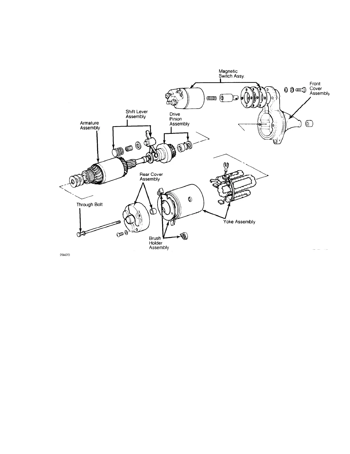
Mazda 1983 RX7 - Disassembled View of Typical Mitsubishi Conventional Starter

Mazda 1983 RX7
458 pages
Print Icon
To Next Page IconTo Next Page
To Next Page IconTo Next Page
To Previous Page IconTo Previous Page
To Previous Page IconTo Previous Page
Loading...
STARTER - HITACHI/MITSUBISHI
Article Text (p. 7)
1983 Mazda RX7
For www.iluvmyrx7.com
Copyright © 1998 Mitchell Repair Information Company, LLC
Sunday, August 26, 2001 03:31PM
Fig. 5: Disassembled View of Typical Mitsubishi Conventional Starter
END OF ARTICLE

Table of Contents

Related product manuals