EasyManua.ls Logo

Mazda 1983 RX7 - Drive Axle; Axle Ratio and Identification; Exploded View of Mazda Rear Axle Assembly

Mazda 1983 RX7
458 pages
Print Icon
To Next Page IconTo Next Page
To Next Page IconTo Next Page
To Previous Page IconTo Previous Page
To Previous Page IconTo Previous Page
Loading...
DRIVE AXLE
Article Text
1983 Mazda RX7
For www.iluvmyrx7.com
Copyright © 1998 Mitchell Repair Information Company, LLC
Sunday, August 26, 2001 06:34PM
ARTICLE BEGINNING
1983 Drive Axles
MAZDA
GLC Wagon, RX7,
B2000 Pickup, B2200 Diesel Pickup
DESCRIPTION
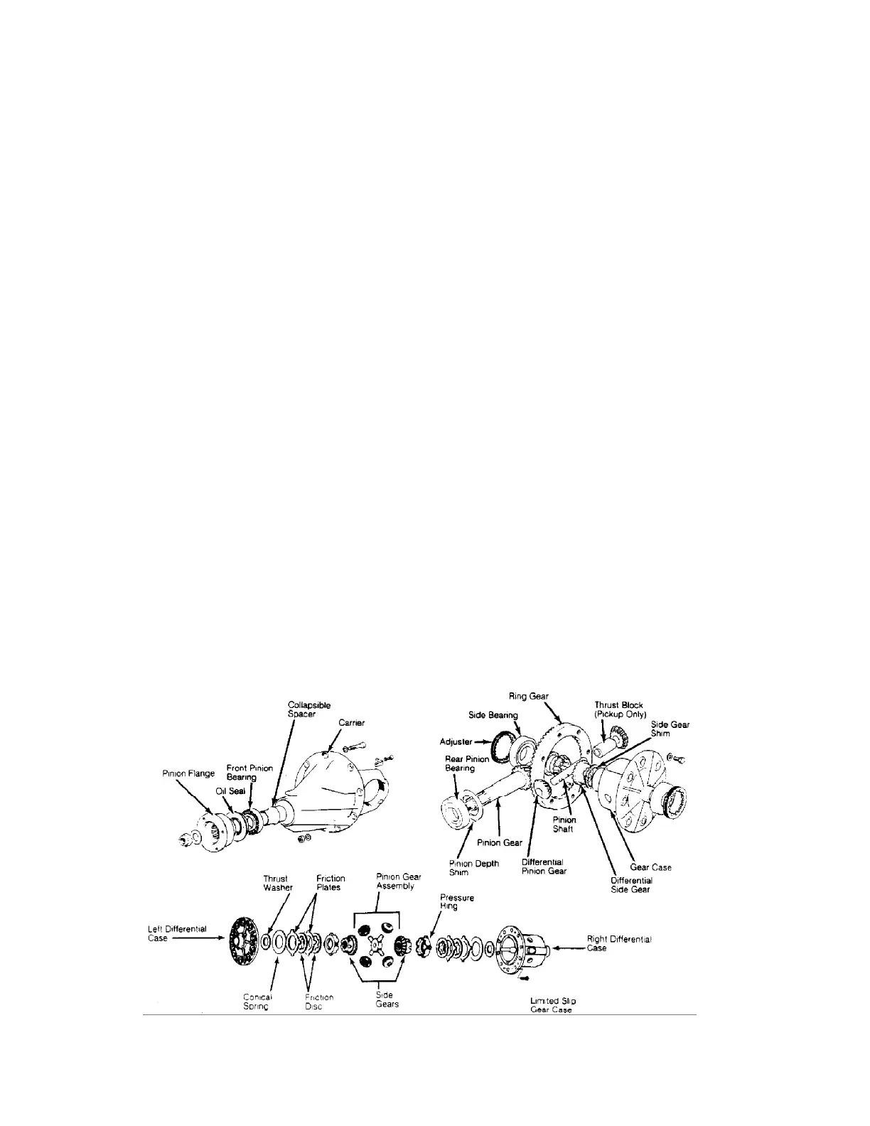
Axle housing is banjo type with removable differential
carrier and semi-floating drive axles. Ring and pinion are hypoid
type, in which centerline of pinion is set below centerline of ring
gear.
Differential case may be either 2 pinion or 4 pinion design.
The drive axles are retained in housing by ball bearings and bearing
retainers at axle housing outer ends. A clutch pack limited slip unit
is available on RX7 models.
AXLE RATIO & IDENTIFICATION
All Mazda models use one basic type of rear axle assembly.
Any differences in Removal & Installation or Overhaul procedures will
be noted where they occur.
Axle ratio on GLC Wagon (automatic), B2200 Pickup and RX7 is
3.909:1. B2000 Pickup is 3.307:1 and GLC Wagon (manual) is 3.727:1.
To determine axle ratio, divide number of ring gear teeth by number
of pinion teeth.
Fig. 1: Exploded View of Mazda Rear Axle Assembly
REMOVAL & INSTALLATION

Table of Contents

Related product manuals