EasyManua.ls Logo

Mazda 1983 RX7 - Check and Cut Valve; Evaporative Line Check; Mazda RX7 Air Vent and Fuel Evaporation System

Mazda 1983 RX7
458 pages
Print Icon
To Next Page IconTo Next Page
To Next Page IconTo Next Page
To Previous Page IconTo Previous Page
To Previous Page IconTo Previous Page
Loading...
FUEL EVAPORATION SYSTEM
Article Text (p. 2)
1983 Mazda RX7
For www.iluvmyrx7.com
Copyright © 1998 Mitchell Repair Information Company, LLC
Sunday, August 26, 2001 04:58PM
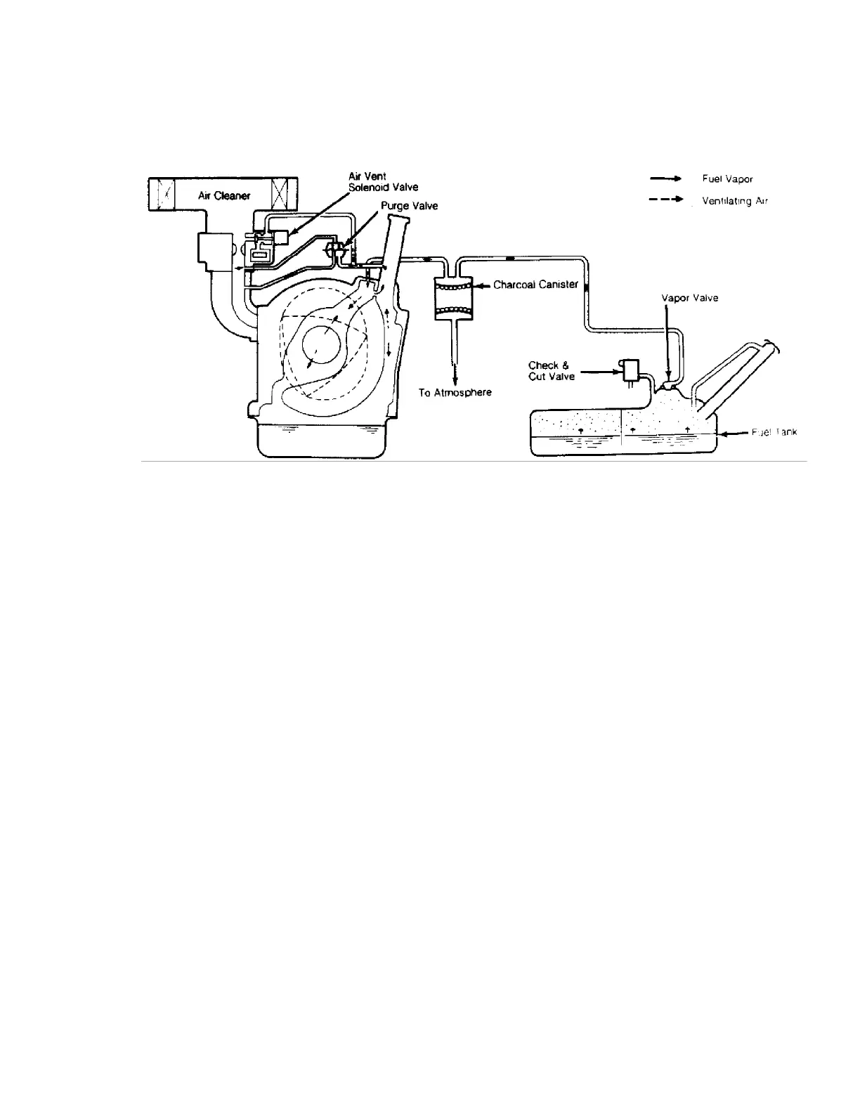
Fig. 2: Mazda RX7 Air Vent and Fuel Evaporation System
CHECK & CUT VALVE
This valve has 3 functions: When fuel tank pressure becomes
too high, valve releases pressure to atmosphere. When vacuum becomes
too high, valve allows air into tank to prevent tank from collapsing.
If vehicle is overturned, valve prevents fuel leakage by sealing the
line with a check ball.
TESTING
EVAPORATIVE LINE CHECK
1) Disconnect evaporative hose from canister. Connect
detached hose to a "U" tube type pressure gauge filled with water.
2) Gradually apply low air pressure into "U" tube so that
difference of water level reaches 14" (356 mm).
3) Bind inlet of "U" tube and leave bound for 5 minutes. If
water level drops no more than 1" (25 mm) after 5 minutes,
evaporative line is in good condition.
CHECK & CUT VALVE
1) Remove check and cut valve from lines. Connect a pressure
gauge with "T" on nipple leading to fuel tank. Hold finger over
opposite nipple.
2) Blow through open end of "T" fitting. When pressure gauge
reads .78-1.0 psi (.06-.07 kg/cm
ý
), valve should open.
3) Remove "T" fitting and gauge from fuel tank nipple and
connect to nipple at bottom of valve (atmosphere vent). Valve should
be located horizontally.
4) Repeat test. Valve should open when pressure gauge reads
.14-.71 psi (.01-.05 kg/cm
ý
). If valve does not operate as
described, replace check and cut valve.

Table of Contents

Related product manuals