EasyManua.ls Logo

Mazda 1983 RX7 - Repair Procedure; Location of F Terminal; Proper Location of Insulators

Mazda 1983 RX7
458 pages
Print Icon
To Next Page IconTo Next Page
To Next Page IconTo Next Page
To Previous Page IconTo Previous Page
To Previous Page IconTo Previous Page
Loading...
ALTERNATOR/REGULATOR TEST PROCESS/REPLACEMENT INFO CAT. 5, NO. 058/83
Article Text (p. 2)
1983 Mazda RX7
For www.iluvmyrx7.com
Copyright © 1998 Mitchell Repair Information Company, LLC
Monday, August 27, 2001 06:30AM
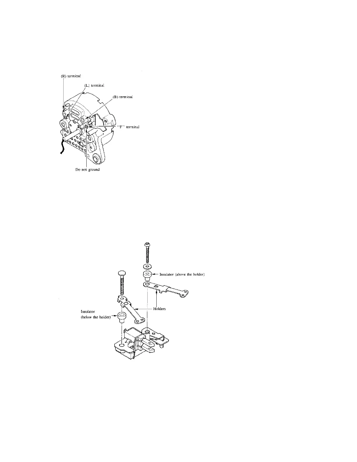
Fig. 2: Location of "F" Terminal
REPAIR PROCEDURE
Please refer to the Service Information for IC regulator replacing
procedure.
NOTE: Be sure the insulators are in the proper position as shown in
Fig. 3.
Fig. 3: Proper Location of Insulators
END OF ARTICLE

Table of Contents

Related product manuals