EasyManua.ls Logo

Mazda 1983 RX7 - Underdash and Instrument Panel

Mazda 1983 RX7
458 pages
Print Icon
To Next Page IconTo Next Page
To Next Page IconTo Next Page
To Previous Page IconTo Previous Page
To Previous Page IconTo Previous Page
Loading...
WIRING DIAGRAMS
Article Text (p. 3)
1983 Mazda RX7
For www.iluvmyrx7.com
Copyright © 1998 Mitchell Repair Information Company, LLC
Saturday, September 08, 2001 10:05AM
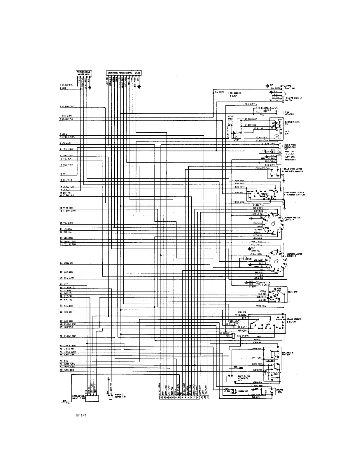
Fig. 3: Underdash (Cont.) & Instrument Panel

Table of Contents

Related product manuals