EasyManua.ls Logo

Mazda 1983 RX7 - Mazda RX-7 - Rustproof Body Panels

Mazda 1983 RX7
458 pages
Print Icon
To Next Page IconTo Next Page
To Next Page IconTo Next Page
To Previous Page IconTo Previous Page
To Previous Page IconTo Previous Page
Loading...
PAINTING RUSTPROOF STEEL PANELS CAT. 14, NO. 070/89
Article Text (p. 6)
1983 Mazda RX7
For www.iluvmyrx7.com
Copyright © 1998 Mitchell Repair Information Company, LLC
Monday, August 27, 2001 06:40AM
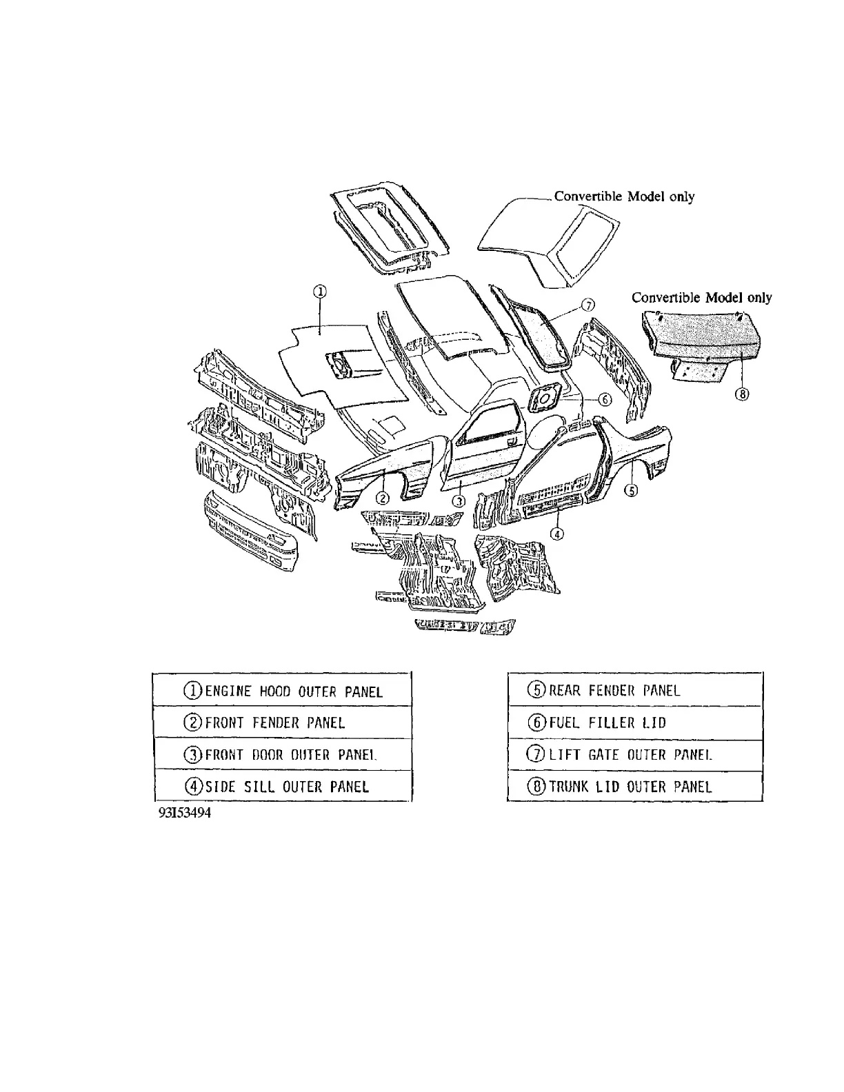
Fig. 4: Mazda RX-7 - Rustproof Body Panels

Table of Contents

Related product manuals