EasyManua.ls Logo

MD Helicopters 369D - Page 103

MD Helicopters 369D
722 pages
Print Icon
To Next Page IconTo Next Page
To Next Page IconTo Next Page
To Previous Page IconTo Previous Page
To Previous Page IconTo Previous Page
Loading...
CSP-HMI-3MD Helicopters, Inc.
MAINTENANCE MANUAL
[ Main Menu ]
[ HMI3 Book TOC ]
[ Chapter 95 TOC ]
95-00-20
Page 209
Revision 10
The information disclosed herein is proprietary to MD Helicopters, Inc.
Neither this document nor any part hereof may be reproduced or transferred to
other documents or used or disclosed to others for manufacturing or any other
purpose except as specifically authorized in writing by MD Helicopters, Inc.
Copyright © 19992016 by MD Helicopters, Inc.
6G95-098-1A
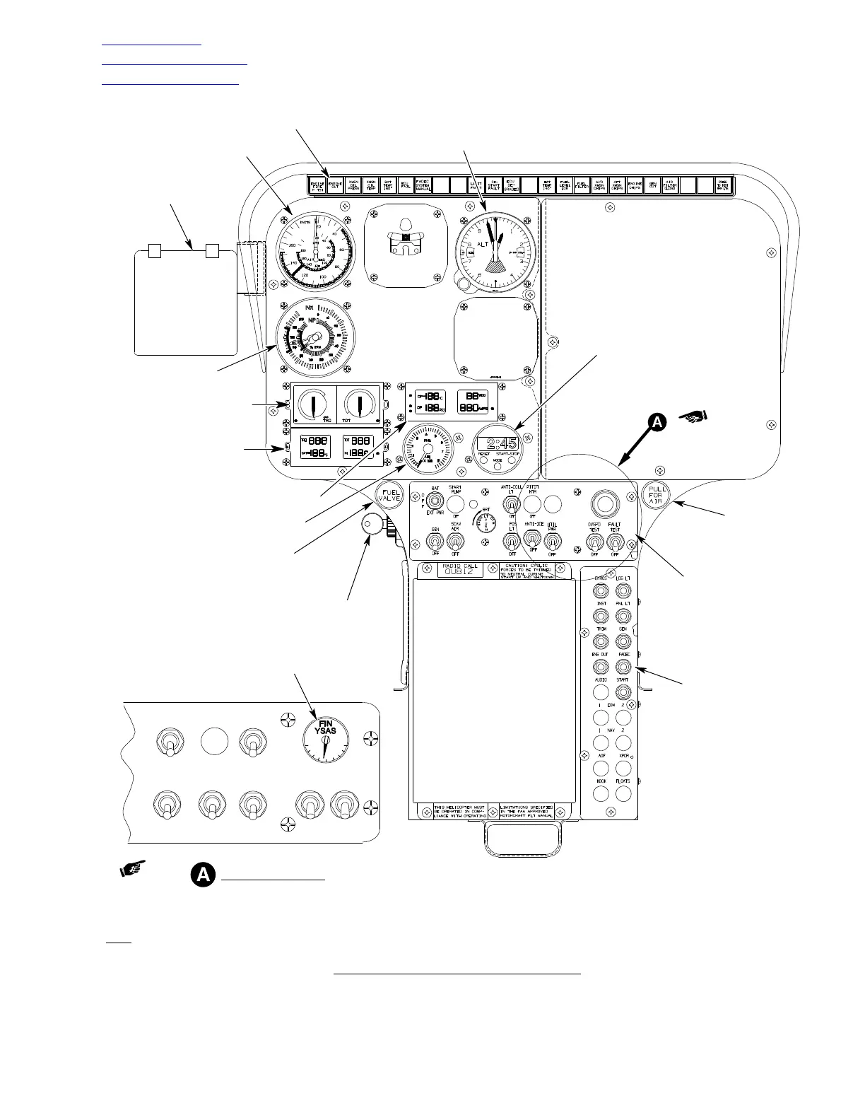
ANALOG INDICATOR
(TORQUE, TOT)
QUAD DIGITAL INDICATOR
(TORQUE, TOT, OAT, N
1
)
QUAD DIGITAL INDICATOR
(OIL TEMP, OIL PRESS, VDC, AMP)
369D24153-513 CONSOLE ASSEMBLY CONFIGURATION
NOTE:
INSTRUMENT LOCATIONS MAY VARY DEPENDING
ON OPTIONAL EQUIPMENT INSTALLED.
ALTIMETER
CAUTION AND WARNING
INDICATORS
N
R
/N
P
TACHOMETER
KEY
SWITCH
EMERGENCY FUEL
SHUT OFF
CLOCK
FRESH AIR VENT
EDGE LIGHTED
SWITCH PANEL
EDGE LIGHTED CIRCUIT
BREAKER PANEL
FUEL QUANTITY
GAUGE
V
NE
PLACARDS
AIRSPEED INDICATOR
ANTI-COLL
LT
OFF
POS
LTS
OFF
PITOT
HTR
OFF
UTIL
PWR
OFF
ANTI-ICE
OFF
OVSPD
TEST
OFF
FAULT
TEST
OFF
OFF
YSAS
WITH YSAS INSTALLED
FIN POSITION
INDICATOR
Figure 206. L/H Command TPanel Component Locations (600N)

Table of Contents

Other manuals for MD Helicopters 369D

Related product manuals