EasyManua.ls Logo

MD Helicopters 369D - Page 362

MD Helicopters 369D
722 pages
Print Icon
To Next Page IconTo Next Page
To Next Page IconTo Next Page
To Previous Page IconTo Previous Page
To Previous Page IconTo Previous Page
Loading...
CSP-HMI-3 MD Helicopters, Inc.
MAINTENANCE MANUAL
[ Main Menu ]
[ HMI3 Book TOC ]
[ Chapter 96 TOC ]
Page 216
Revision 12
96-02-00
The information disclosed herein is proprietary to MD Helicopters, Inc.
Neither this document nor any part hereof may be reproduced or transferred to
other documents or used or disclosed to others for manufacturing or any other
purpose except as specifically authorized in writing by MD Helicopters, Inc.
Copyright © 19992016 by MD Helicopters, Inc.
A1
A2
X1
X2
CR29
K309
APU RELAY
P503A(3-10)
P504A(3-10)N E4
+
-
EXT PWR
RECPT 28VDC
J100
12 AWG
JMPR
A1A2
X1
X2
CR28
K310
BATT.
RELAY
P503B(3-10)
P521L20
CR30
P503C(3-10) (W1, W2, W3 BUS)
D501CC20 (J9-e)
BT101
160° (RED)
140° (AMB)
BATT P108
P530A4
1
2
E1
A BATT SENSE
JUMPER
VR1
VOLTAGE REG.P6
L503A16N (DS100-GND)
A
B
F
G
P110J
P532A2
K300
BATT
GEN
ALARM
SWITCH
F
REVERSE
CURRENT
RELAY
A1
A2
X1
X2
CR33
K301
START RELAY
P534A2
E12
E13
A
B
C
D
E
G300
STARTER/
GENERATOR
P107B10
A
B
C
D
E
F
G
H
J
K
L
N
M
P
R
S
A B
SP74
J303P
P/J303A
A B
SP73
20 AWG
P540C20
E135F18
P109A16
P539C20
E103A20 WHT
E103A20 BLU
E106A20 WHT
E106A20 BLU
D101A18
P112F20
P112P20
P538C20
Q515D20
Q516D20
E126J20
E126G20
ENG. CHIP
DET. UPPER
ENG. CHIP
DET. LOWER
P301/S301
P300/S300
N1
TACH.
GEN.
A
B
P305
N2
TACH.
GEN.
A
B
P306
FUEL FILTER
SWITCH
B A
SP123
S303
5
N2
OVERSPEED
CONTROL
1
2
ANTI-ICE
SOLENOID
VALVE
P307
2
1
COMP BLEED
SOLENOID
VALVE
P308
1
2
THERMO
SWITCH
P309
P521K20
P521H20
RED E10B16
YEL E10B16
(M3-) (TB9-2) E10A16
(M3+) (TB9-1) E10A16
TC302
TC300
G301
G302
SQ300 / RH
IGNITION
EXCITER
SQ301 / LH
IGN. GAP
IGN. GAP
IGNITION
EXCITER
M29
START
COUNTER
A B
SP303
2
1
2
1
B A
SP17
CR1
CR2
K502CB20
A B
SP18
K503B20
(J9-D) J503C20
K502D20
DIODE ISOLATOR
ASSEMBLY
G96-0200-203-2
A
B
C
D
E
E562B20
P531A4N
E564B20
(TB3-1B) P508D20
(TB3-1A) P508F16
(SP18-B) P509B16
P22A20N
(TB1-8A) P514B20
(TB1-6C) K502F20
B FIELD CONT
C FIELD
D GND
E OVER VOLT. RLY
F GEN. DISABLE
(J9-E) D505C20
P532B2
(TB3-1B) P506B16
P533A2
(J9-A) E555C22
(J9-k) P512A16
P511A20N
K502K20
K502CA20
(TB1-6D) K502C20
P535A2N
P535C20N
P535B20N
2
3
44
5
6
7
8
9
10
11
12
1
12
8
6
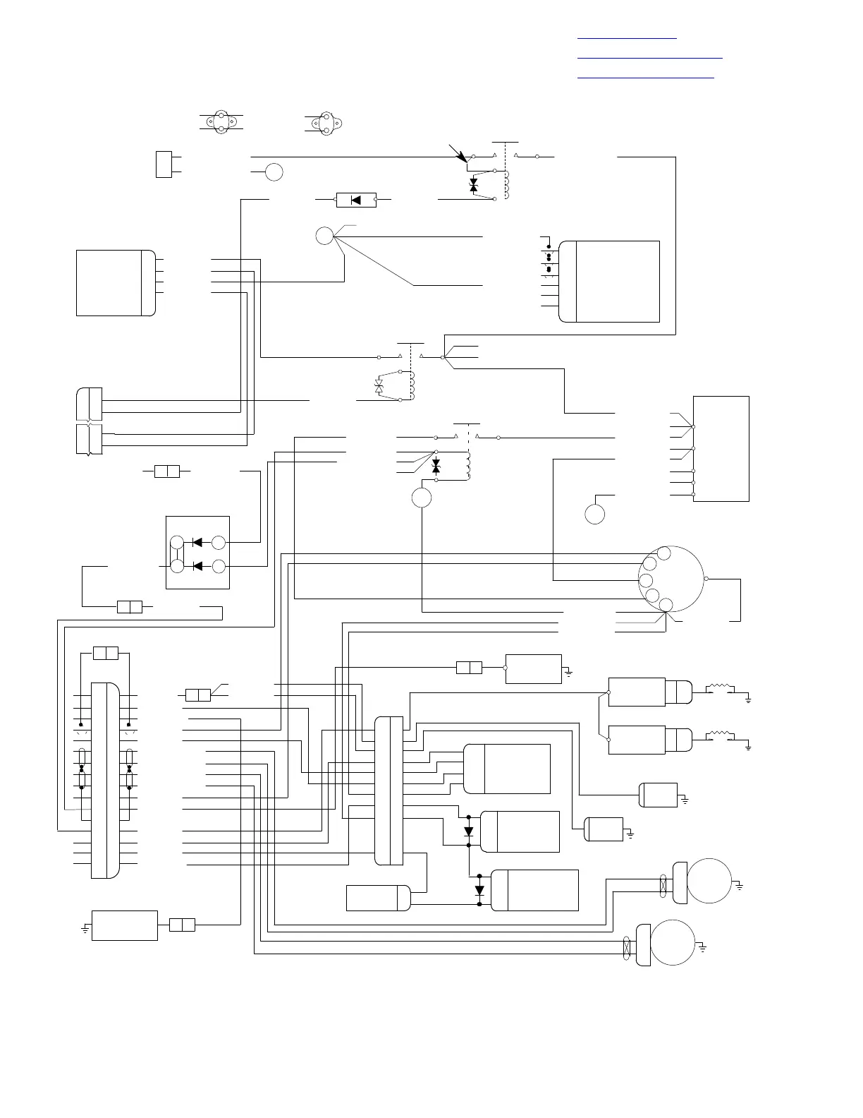
Figure 203. Fuselage Wiring Diagram (369FF; 001 075) (Sheet 2 of 6)

Table of Contents

Other manuals for MD Helicopters 369D

Related product manuals