EasyManua.ls Logo

MD Helicopters 369D - Page 361

MD Helicopters 369D
722 pages
Print Icon
To Next Page IconTo Next Page
To Next Page IconTo Next Page
To Previous Page IconTo Previous Page
To Previous Page IconTo Previous Page
Loading...
CSP-HMI-3MD Helicopters, Inc.
MAINTENANCE MANUAL
[ Main Menu ]
[ HMI3 Book TOC ]
[ Chapter 96 TOC ]
96-02-00
Page 215
Revision 9
The information disclosed herein is proprietary to MD Helicopters, Inc.
Neither this document nor any part hereof may be reproduced or transferred to
other documents or used or disclosed to others for manufacturing or any other
purpose except as specifically authorized in writing by MD Helicopters, Inc.
Copyright © 19992016 by MD Helicopters, Inc.
A
P9J
P110J
P521H20 (K310-X2)
E555C22 (K300-ALARM)
SP74
J303P
(TB1-8B) D101B20
(K301-X1) K502K20
K502D20
B A
SP17
(CR2-2) K502CB20
M5
HOUR
METER
-
+
D506A20
S203
ROTOR OIL
PRESS SW
NO
C
NC
A B
SP208
+
ENG OIL
TEMP SNDR
RT301
D509CA20
D509D20
+
-
S202
A B
SP118
A B
SP119
ROTOR OIL
TEMP SW
E15
E18
A
B
G200
ROTOR TACH GEN
22 AWG JMPR
BOND JUMPER
P202
SP27
E513E20
E513H20
+
+
S201
S200
XMSN CHIP
DET. AFT
XMSN CHIP
DET. FWD
HR3
AFT LIGHTER
+
-
P517C16
A B
SP20
H510B16
12
R10
(1 55W)Ω
12
R12
(1 55W)Ω
H510A16N A B
SP21
P516C16
P517D16
12
R2
(120 1W)Ω
TB8
P514A20 (TB1-8A)
FUEL
QUANT.
SENDER
R251
BLU
RED
BLK
BLK
B
D
E
H
J251P
E5
E502A20N
G96-0022-1
D509D20N
D507A20N
E15
A B
A B
P521K20 (CR30-2)
D503A20
E513C20
E513F20 (J208-B)
E562B20 (P108-B)
E564B20 (P108-D)
E527B22 WHT
E527B22 BLU
E522B22 WHT
E522B22 BLU
P538B20
P539B20
P540B20
M506AA20 (TB1-19D)
M506J20 (TB1-19C)
A510B20 RED (TB1-20A)
A510B20 BLU (TB1-20C)
K510E20 (TB1-6A)
E506C20
J503C20 (SP18-A)
D505C20 (K300-BATT)
P16G22 (SP207-B) (REF)
M501B20 (J103-A)
P17B20
E517C20
E505C20
P508G20 (TB3-1A)
E531L20
C506B22 (TB1-2A)
L520L20 (TB1-2D)
L531B20 (SP205-A)
E524A20
E525A20
Q516C20
Q515C20
D508B22
D509C20
P515B16
F504B16 (SP140-A)
L511B16 (FL10-LINE)
D501CC20 (K310-A1)
K504D20 (TB1-4C)
M520AA16 (TB3-1C)
E531C20
P512A16 (K300-SW)
P509B16 (P6-C)
P516B16
P16C20 (P206-A)
J508D20
L501B16 (K101-A1)
E501D20 (SP70-A)
A
B
C
D
E
F
G
H
J
K
L
M
P
N
R
S
T
U
V
W
X
Y
Z
B
C
D
E
F
G
H
J
K
L
M
N
P
R
S
T
U
V
W
X
Y
Z
a
b
c
d
e
f
g
h
i
j
k
m
n
p
q
r
s
t
A
B
C
D
E
F
G
H
J
K
L
N
M
P
R
S
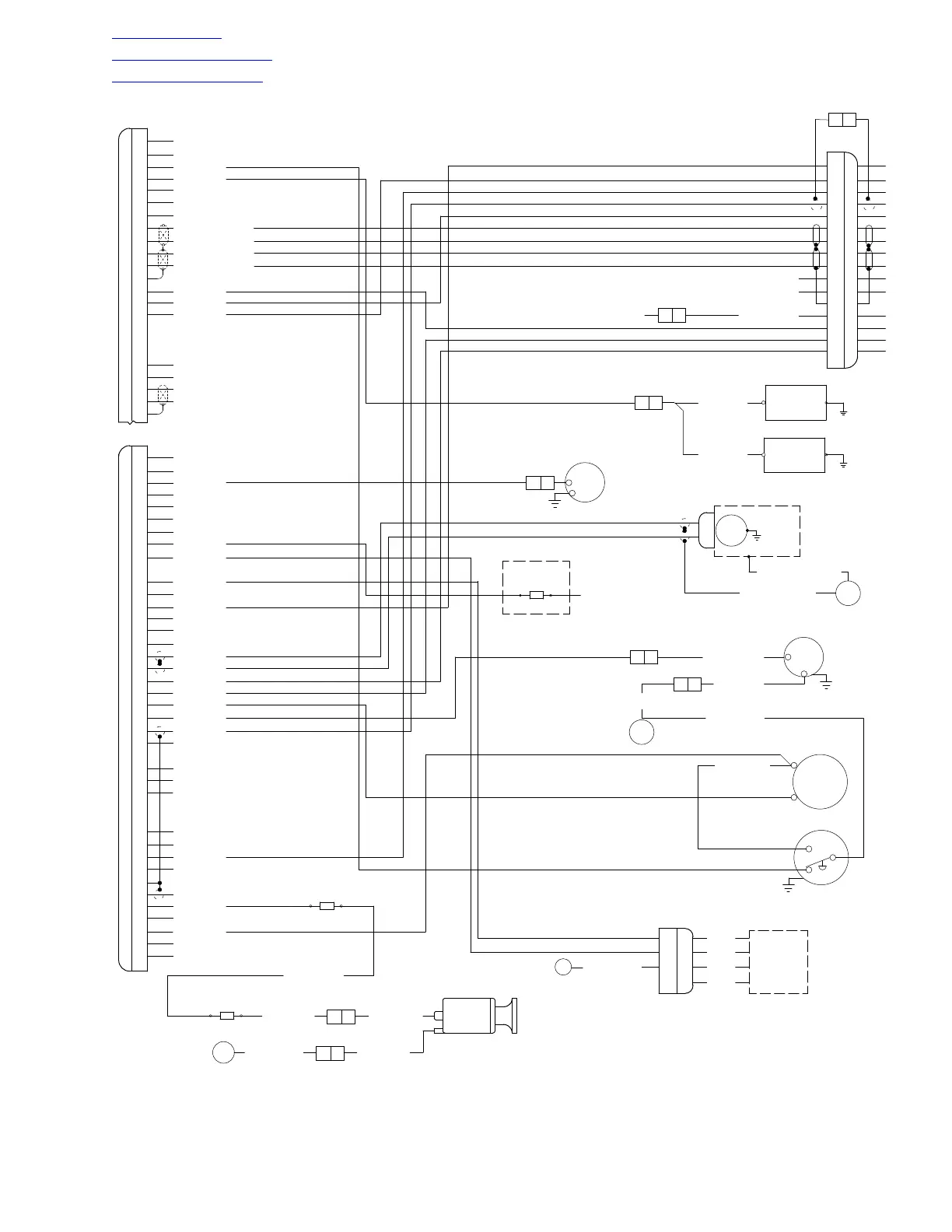
Figure 203. Fuselage Wiring Diagram (369FF; 001 075) (Sheet 1 of 6)

Table of Contents

Other manuals for MD Helicopters 369D

Related product manuals