EasyManua.ls Logo

MD Helicopters 369D - Page 379

MD Helicopters 369D
722 pages
Print Icon
To Next Page IconTo Next Page
To Next Page IconTo Next Page
To Previous Page IconTo Previous Page
To Previous Page IconTo Previous Page
Loading...
CSP-HMI-3MD Helicopters, Inc.
MAINTENANCE MANUAL
[ Main Menu ]
[ HMI3 Book TOC ]
[ Chapter 96 TOC ]
96-02-00
Page 233
Revision 9
The information disclosed herein is proprietary to MD Helicopters, Inc.
Neither this document nor any part hereof may be reproduced or transferred to
other documents or used or disclosed to others for manufacturing or any other
purpose except as specifically authorized in writing by MD Helicopters, Inc.
Copyright © 19992016 by MD Helicopters, Inc.
G96-0200-205-6
T W Y
Z
A B C D
E F
G
H
J K
L
M
N P R S
T W
Y
Z
A B C
D
E F
GH
J K
LM
N P
R S
T W
Y
Z
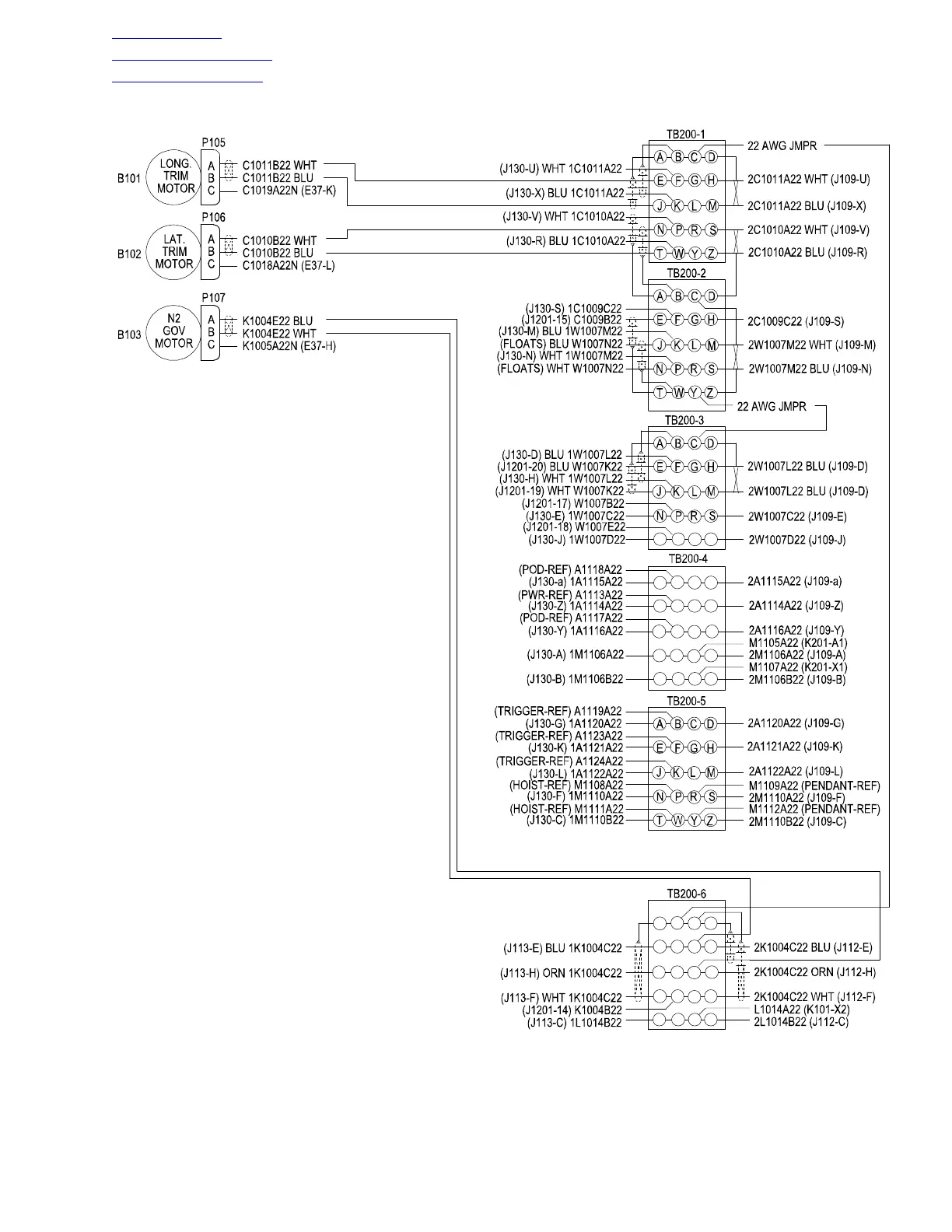
Figure 205. Fuselage Wiring Diagram (369E; 384 508, 369FF; 076 095
500N; 001 044) (Sheet 6 of 9)

Table of Contents

Other manuals for MD Helicopters 369D

Related product manuals