EasyManua.ls Logo

MD Helicopters 369D - Page 404

MD Helicopters 369D
722 pages
Print Icon
To Next Page IconTo Next Page
To Next Page IconTo Next Page
To Previous Page IconTo Previous Page
To Previous Page IconTo Previous Page
Loading...
CSP-HMI-3 MD Helicopters, Inc.
MAINTENANCE MANUAL
[ Main Menu ]
[ HMI3 Book TOC ]
[ Chapter 96 TOC ]
Page 258
Revision 9
96-02-00
The information disclosed herein is proprietary to MD Helicopters, Inc.
Neither this document nor any part hereof may be reproduced or transferred to
other documents or used or disclosed to others for manufacturing or any other
purpose except as specifically authorized in writing by MD Helicopters, Inc.
Copyright © 19992016 by MD Helicopters, Inc.
1
G96-0029-3A
369D24274
2
c
3
4
DS12 (XMSN OIL TEMP)
DS13 (XMSN OIL PRESS)
DS14 (ENG OUT)
DS15 (ENG CHIPS)
DS16 (FUEL LOW)
DS17 (FUEL FILTER)
DS18 (GEN OUT)
DS19 (M/R XMSN CHIPS)
DS20 (T/R XMSN CHIPS)
DS24 (BATT 140°)
DS25 (BATT 160°)
DS31 (AIR FRAME FLTR)
DS141 (AIR FLTR CLOG'D)
XS58 (FLOAT PRESS-TO-TEST)
1
2
c
3
4
1
2
c
3
4
1
2
c
3
4
1
2
c
3
4
1
2
c
3
4
1
2
c
3
4
1
2
c
3
4
1
2
c
3
4
1
2
c
3
4
1
2
c
3
4
1
2
c
3
4
1
2
c
3
4
C ENG OUT LT HI
f T/R XMSN CHIP LT LO
E XMSN OIL TEMP LT HI
F XMSN OIL TEMP LT LO
G XMSN OIL PRESS LT HI
H ENG CHIP LT LO
g M/R XMSN CHIP LT LO
K FUEL LOW LT LO
h XMSN OIL PRESS LT LO
M FUEL FILTER LT LO
P GEN OUT LT LO
P12 (DIMMER CONTROL UNIT)
W1243B22
W1243A22
W1253A22
W1244A22
W1206B22
W1245A22
W1246A22
W1247A22
W1248A22
W1040H22 (TB503-5S)
W1252A22
W1251A22
W1251B22
1
2
3
4
C
C
C
C
S1
S2
S3
NO
NC
NC
NC
NO
NO
W1236B22 (TB503-9A)
W1007H22-WHT (TB503-9J)
W1007G22 (TB503-9E)
W1007H22-BLU (TB503-9N)
W1046A22 (TB503-8F)
L1044A22 (TB503-8K)
Q506D22 (TB503-8P)
Q506E22 (TB503-2L)
P1233C22 (TB503-8C)
W1040E22 (TB503-2K)
NO
1
2
3
4
C
C
NC
XDS9 (RE-IGN PRESS-TO-TEST)
J1185B22 (TB505-3/4J)
J1185F22N (E31-E)
J1001C22 (TB503-5F)
J1001B22 (P1201-31)
NC
NO
NC
NO
S1
S2
C
C
XDS21 (WARN PRESS-TO-TEST)
W1040A22 (TB503-1K)
W1040B22 (TB503-2B)
W1040C22N (E33-B)
W1237B22 (TB503-2F)
PS122
EDGE
LIGHT
POWER
SUPPLY
(TB503-4M) RED L1171D22
(TB503-8T) BLK L1236A22
(TB503-5N)
22 AWG JMPR
22 AWG JMPR
22 AWG JMPR
(P1201-7) E1081A22
(P1201-13 E1151A22
(P1201-6 D1131A22
(P1201-53 E1142A22
(P1201-29 E1172C22
SPARE LO
DC GND
(P1201-54) E1140C22
(P1201-70) W1250A22
(P1201-4 E1127A22
(TB503-2A W1040L22
(TB503-2E W1237C22
(TB503-2J) W1040F22
(TB503-2N) Q1235C22
(TB503 2T) W1091A22
(TB503-1P) W1040D22
(TB503-3A) L1183K22
(TG503-1F) W1040J22
(R110-4) L1040J22
(R110-2) L1040K22
(DS7-1) E1181A22
(E33-E) W1249A22N
START PUMP ON LT HI
DIMMER POT ARM
BRT/DIM SW
+28VDC
PNL LIGHTING VARIABLE DC
PRESS /TEMP WARN SIGNAL
ENG OUT WARN SIGNAL
START PUMP HI
WARN LTS BRT/DIM
DC GND TEST
+28 VDC TEST
T/R XMSN CHIP DET LO
GEN OUT ALARM LO
AIR FRAME FLTR SW LO
FUEL LOW SW LO
ENG CHIP DET LO
XMSN OIL TEMP SW LO
M/R XMSN CHIP DET LO
XMSN OIL PRESS SW LO
j
e
Y
Z
a
b
c
R
A
B
D
N
S
T
d
V
J
X
L
W
U
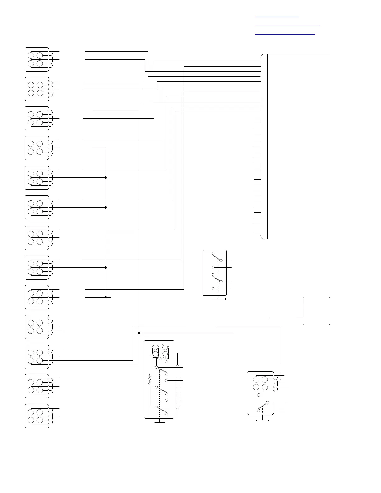
Figure 209. Console Wiring Diagram (369E; 509 & Subs, 369FF; 096 & Subs,
500N; 045 & Subs) (Sheet 3 of 7)

Table of Contents

Other manuals for MD Helicopters 369D

Related product manuals