EasyManua.ls Logo

MD Helicopters 369D - Page 543

MD Helicopters 369D
722 pages
Print Icon
To Next Page IconTo Next Page
To Next Page IconTo Next Page
To Previous Page IconTo Previous Page
To Previous Page IconTo Previous Page
Loading...
CSP-HMI-3MD Helicopters, Inc.
MAINTENANCE MANUAL
[ Main Menu ]
[ HMI3 Book TOC ]
[ Chapter 96 TOC ]
96-40-00
Page 207
Revision 11
The information disclosed herein is proprietary to MD Helicopters, Inc.
Neither this document nor any part hereof may be reproduced or transferred to
other documents or used or disclosed to others for manufacturing or any other
purpose except as specifically authorized in writing by MD Helicopters, Inc.
Copyright © 19992016 by MD Helicopters, Inc.
CB110
1
2
5A
LDG LT
P9J
A1
X1
CR32
LDG LT
RELAY
NOTES
:
1. EFFECTIVE ON 369S, S/N 003-723
2. EFFECTIVE ON 369D, S/N 724 AND SUBS.
3. EFFECTIVE ON 369E/FF
LDG LT
DS100
A2
E1
E9
J113
P
LT COLL STICK
(PILOT)
LDG LT
S105
D
C
C
D
J11
2
E7
X2
C
D
CB11
5
12
ANTI-COL
LT
7.5A
C
CB11
9
1
2
POS LT
7.5A
R
TB1-5
LINE
LOAD
A B
SP119
NOTE 1
STO
W
E8
BLK
RED
WHT
NOTE 1
FL10 FILTER
1
2
3
1
2
3
STROBE
POWER
SUPPLY
AND
FLASHER
P557
P556
A B
SP70
A B
SP83
A B
SP84
A B
SP85
GRAY OR
RED
WHT
BLK
GRAY OR
RED
WHT
BLK
LWR STROBE LT
GRD
SCREW
XDS200
JMPR
WHELEN LTS
ONLY
D
C
TB1-2
GRAY OR
RED
WHT
BLK
GRAY OR
RED
WHT
BLK
D
E
F
C
A
D
E
F
C
A
J208P J209P
JMPR
B A
SP402C
TAIL LT
XDS400
A B
SP114
A B
SP134
E6
RED
BLK
RED
BLK
LEFT SKID
RED
BLK
R
A B
SP115
A B
SP1151
A B
SP132
A B
SP1321
A B
SP114
A B
SP133
E7
RED
BLK
RED
BLK
RIGHT SKID
RED
BLK
G
A B
SP115
A B
SP1171
A B
SP131
A B
SP1311
XDS251
XDS250
A B
SP71
A B
SP62
A B
SP61
A B
SP60
GRAY OR
RED
WHT
BLK
UPPER STROBE LT
GRD
SCREW
XDS201
WHELEN LTS
ONLY
GRAY OR
RED
WHT
BLK
G96-4001-1
S
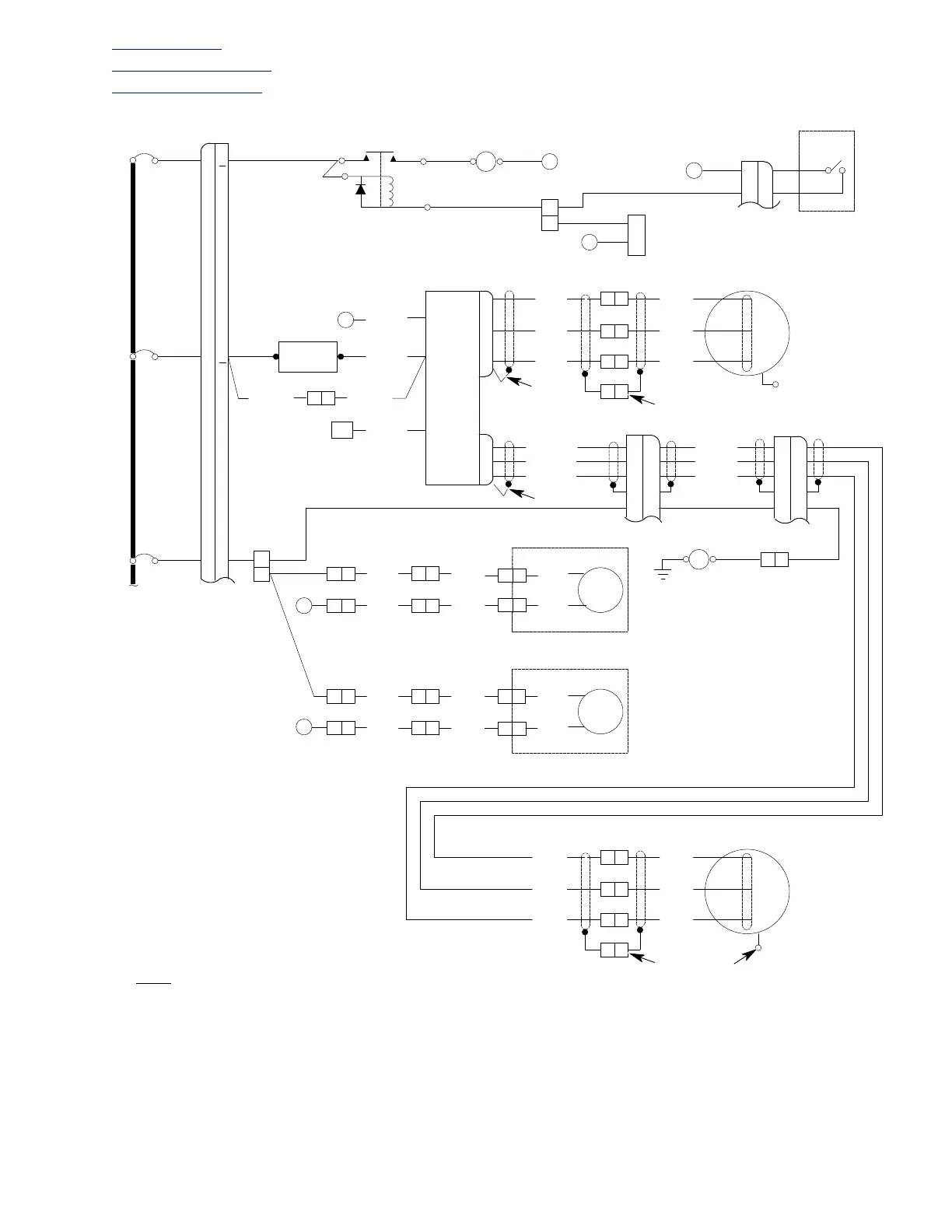
Figure 203. Lighting System Wiring Diagram (Sheet 1 of 4)

Table of Contents

Other manuals for MD Helicopters 369D

Related product manuals