EasyManua.ls Logo

MD Helicopters 369D - Page 666

MD Helicopters 369D
722 pages
Print Icon
To Next Page IconTo Next Page
To Next Page IconTo Next Page
To Previous Page IconTo Previous Page
To Previous Page IconTo Previous Page
Loading...
CSP-HMI-3 MD Helicopters, Inc.
MAINTENANCE MANUAL
[ Main Menu ]
[ HMI3 Book TOC ]
[ Chapter 97 TOC ]
Page 106
Revision 12
97-04-00
The information disclosed herein is proprietary to MD Helicopters, Inc.
Neither this document nor any part hereof may be reproduced or transferred to
other documents or used or disclosed to others for manufacturing or any other
purpose except as specifically authorized in writing by MD Helicopters, Inc.
Copyright © 19992016 by MD Helicopters, Inc.
M
BOTTOM
VIEW
BLUE
BEAD
1
2
3
4
5
6
7
8
E
H
(P10-X) ICS26B22
ICS18A22
ICS19A22
ICS22B22
C
B
ICS24B22
ICS21A22
ICS20A22
5
L533E20
7
ML
CB208
K
P529A20
2
CB209
1
2
P536A20
1
TB502-1
ICS1B22
6
JH
G
F
E
D
C
TB502-4
B
MLK
J
H
G
FE
D
CB
TB502-2
M
LK
JHG
FD
CB
TB502-7
M
L
K
JHG
F
ED
LK
JHG
FED
CB
MLK
J
5
4
3
2
C
C
B
ICS24A22
B
DC PWR
TB503-2
LIGHTS
TB502-3
A
ICS6B22
ICS7B22
A
A
A
TB502-5
E33
A
G
IN4003
1
3
K414
2
A
A
1
TB502-6
1
2
3
4
5
6
7
8
9
10
11
12
13
14
15
16
17
18
19
20
21
G97-0404-3
(P10-A) BLU
(P10-B) WHT
(P10-M) WHT
(P10-L) BLU
(P10-R) WHT
(P10-P) BLU
(P10-U) WHT
(P10-T) BLU
(P10-G) WHT
(P10-H) ORN
(P10-J) BLU
(P10-C) WHT
(P10-D) ORN
(P10-E) BLU
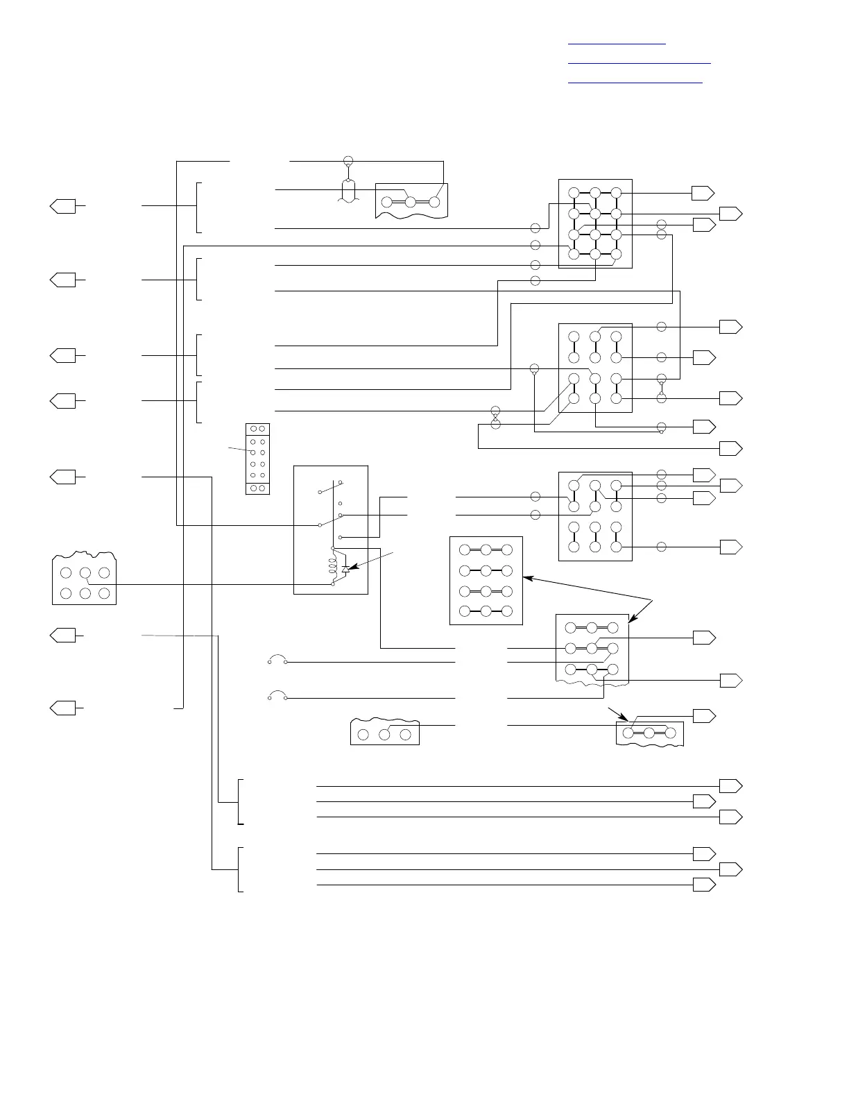
Figure 101. Wiring Diagram Audio Control Panel KMA24H (Sheet 3 of 4)

Table of Contents

Other manuals for MD Helicopters 369D

Related product manuals