EasyManua.ls Logo

MD Helicopters 369D - Page 670

MD Helicopters 369D
722 pages
Print Icon
To Next Page IconTo Next Page
To Next Page IconTo Next Page
To Previous Page IconTo Previous Page
To Previous Page IconTo Previous Page
Loading...
CSP-HMI-3 MD Helicopters, Inc.
MAINTENANCE MANUAL
[ Main Menu ]
[ HMI3 Book TOC ]
[ Chapter 97 TOC ]
Page 110
Revision 12
97-04-00
The information disclosed herein is proprietary to MD Helicopters, Inc.
Neither this document nor any part hereof may be reproduced or transferred to
other documents or used or disclosed to others for manufacturing or any other
purpose except as specifically authorized in writing by MD Helicopters, Inc.
Copyright © 19992016 by MD Helicopters, Inc.
9
J
H
196A
6
2
9
165/165
9
5
13
250/251
9
J
H
196A
6
2
9
165/165
9
5
13
250/251
c
W
X
19
Z
26
a
22
23
i
b
O
10
U
25
17
A
RVS14F22
KMA-W-A22
KMA-X-A22
KMA19A22
KMA-Z-A22
KMA26A22
KMA-A-A22
KMA22A22
KMA23A22
KMA-B-A22
KMA-O-A22
RVS14Q22 (TB502-5H)
KMA-U-A22L (TB502-3)
KMA25A26V (TB502-1E)
KMA17A22N (E32)
KMA-A-A26N (E32)
C
3
T
H
E
16
M
L
F
13
14
12
B
KN62
C
KN63
11
KNS80
10
KR87
10
KR86
7
ADF650
10
155/165
C
KNS80
2
KNS81
2
KN53
26
VIR351
10
155/165
C
KNS80
2
KNS81
2
KN53
7
KI250
8
TRI20
E
KR21
COMM1 MIC KEY
COMM1 MIC AUD
COMM1 PHONE
COMM2 MIC KEY
COMM2 MIC AUD
COMM2 PHONE
DME PHONE
ADF PHONE
NAV1 PHONE
NAV2 PHONE
RAD ALT PHONE
MARKER AUD
SYSTEM GND
ICS KEY
MIC 2 TRANS
MIC 1 TRANS
MIC 1 AUD
MIC 2 AUD
MIC 5 AUD
MIC 3 AUD
MIC 4 AUD
PHONE GND
SEC PHONE OUT
PRI PHONE OUT
ENGINE OUT
28V LIGHTING
28V PWR IN
LIGHTING GND
PWR GND
KMA24H-71
A
B
C
D
E
G
H
J
K
L
M
N
P
R
S
F
P10J
RVS14FF22
CNS20AA22
CNS19AA22
CNS23AA22
CNS24AA22
CNS32AA22
CNS30AA22
CNS15BB22
CNS55AA22
RVS14BB22
A
B
C
D
TB5-1
COPILOT ICS KEY
RV508D22 (J109-W)
RV508C22
AUDIO COMMON
RV510C22
JMPR 1
A
B
C
D
PILOT ICS KEY
RV501A22 (J130-W)
JMPR 3
RV516C22 (J109-P)
COPILOT XMIT KEY
TB5-2
RV501D22
A
B
C
D
TB5-3
PILOT XMIT KEY
RV505B22 (J136-P)
A
B
C
D
JMPR 2
TB5-4
A
B
C
D
E
F
TB7-2
JMPR
A
B
C
D
E
F
TB7-7
A
B
C
D
E
F
TB7-1
A
B
C
D
E
F
TB7-5
A
B
C
D
E
F
TB7-9
A
B
C
D
E
F
TB7-3
A
B
C
D
E
F
TB7-4
A
B
C
D
E
F
TB7-11
A
B
C
D
E
F
TB7-10
A
B
C
D
E
F
TB7-8
CNS25AA22
CNS31AA22
CNS29AA22
A22DMM2-1
G97-0407-1
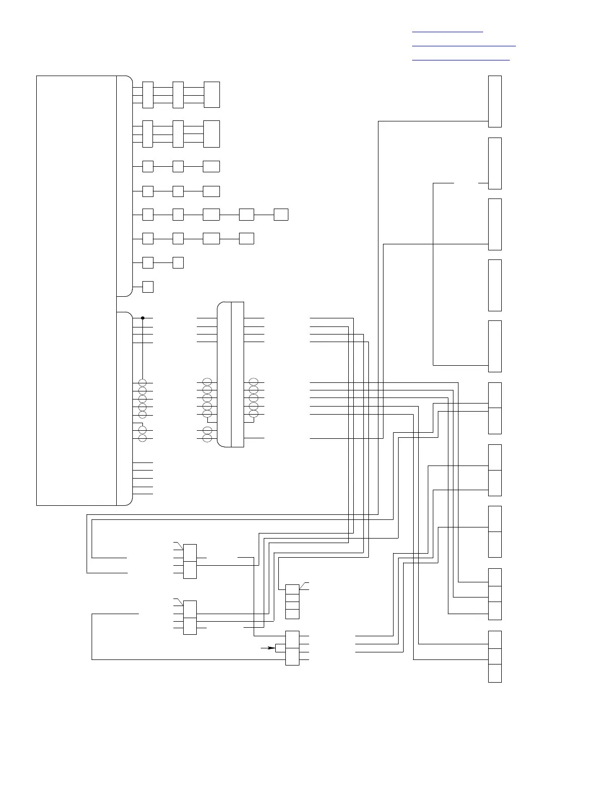
Figure 103. Wiring Diagram Audio Control Panel KMA24H (Generic Vendor Installation)
(Sheet 1 of 2)

Table of Contents

Other manuals for MD Helicopters 369D

Related product manuals