EasyManua.ls Logo

MD Helicopters 369D - Page 692

MD Helicopters 369D
722 pages
Print Icon
To Next Page IconTo Next Page
To Next Page IconTo Next Page
To Previous Page IconTo Previous Page
To Previous Page IconTo Previous Page
Loading...
CSP-HMI-3 MD Helicopters, Inc.
MAINTENANCE MANUAL
[ Main Menu ]
[ HMI3 Book TOC ]
[ Chapter 97 TOC ]
Page 112
Revision 12
97-06-00
The information disclosed herein is proprietary to MD Helicopters, Inc.
Neither this document nor any part hereof may be reproduced or transferred to
other documents or used or disclosed to others for manufacturing or any other
purpose except as specifically authorized in writing by MD Helicopters, Inc.
Copyright © 19992016 by MD Helicopters, Inc.
G97-0603-5
EFFECTIVITY: 369E/FF
RV542A22
RV540A22
RV545A22
RV544A22
RV543A22
RV541A22
CNS11B22
CNS34A22
CNS33A22
TB502-8
BC
A
A
P10-G
P10-C
P10-E
MLK
D
C
ABC
DEF
GH
RV514Q22-TB106-1
REF SEC
96-10
A
J
TB502-7
TB502-6
B
JHG
EF
CB
CNS6A22
E32-SHIP GND
CNS10B22
CNS18A22
TB502-4
P10-B
P10-F
P10-L
P10-K
P10-M
P10-D
P10-H
P10-J
P10-P
P10-N
RV514T22
CNS14B22
KL
M
GH J
CB
A
DEF
CNS12B22
CNS56A22
CNS13B22
RV511A22
P521A20N
TB502-5
MLK
JH
G
FED
CB
A
ENG OUT
CNS22A22-P509-U
PHONE HI
REF 96-10
RV514S22-TB106-2
2
IB106
14
3
5
CR10
AUDIO
R30
1
2
3
6
1
P10-A
S13
COMMON
1 1
2
3
4
5
6
77
8
9
10
11
12
13
14
2
3
4
5
6
7
8
9
10
11
12
13
14
15
16
17
18
19
20
21
22
23
24
25
26
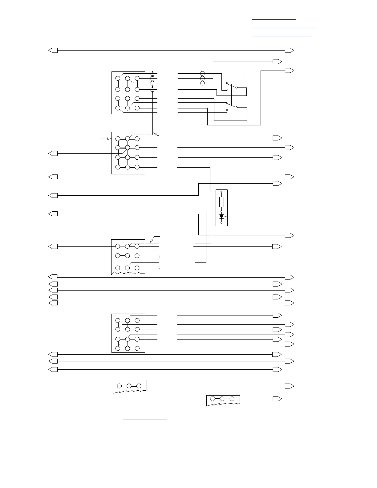
Figure 102. Wiring Diagram Integrated Interphone Communication System (Sheet 5 of 6)

Table of Contents

Other manuals for MD Helicopters 369D

Related product manuals