EasyManua.ls Logo

MD Helicopters 369D - Page 688

MD Helicopters 369D
722 pages
Print Icon
To Next Page IconTo Next Page
To Next Page IconTo Next Page
To Previous Page IconTo Previous Page
To Previous Page IconTo Previous Page
Loading...
CSP-HMI-3 MD Helicopters, Inc.
MAINTENANCE MANUAL
[ Main Menu ]
[ HMI3 Book TOC ]
[ Chapter 97 TOC ]
Page 108
Revision 12
97-06-00
The information disclosed herein is proprietary to MD Helicopters, Inc.
Neither this document nor any part hereof may be reproduced or transferred to
other documents or used or disclosed to others for manufacturing or any other
purpose except as specifically authorized in writing by MD Helicopters, Inc.
Copyright © 19992016 by MD Helicopters, Inc.
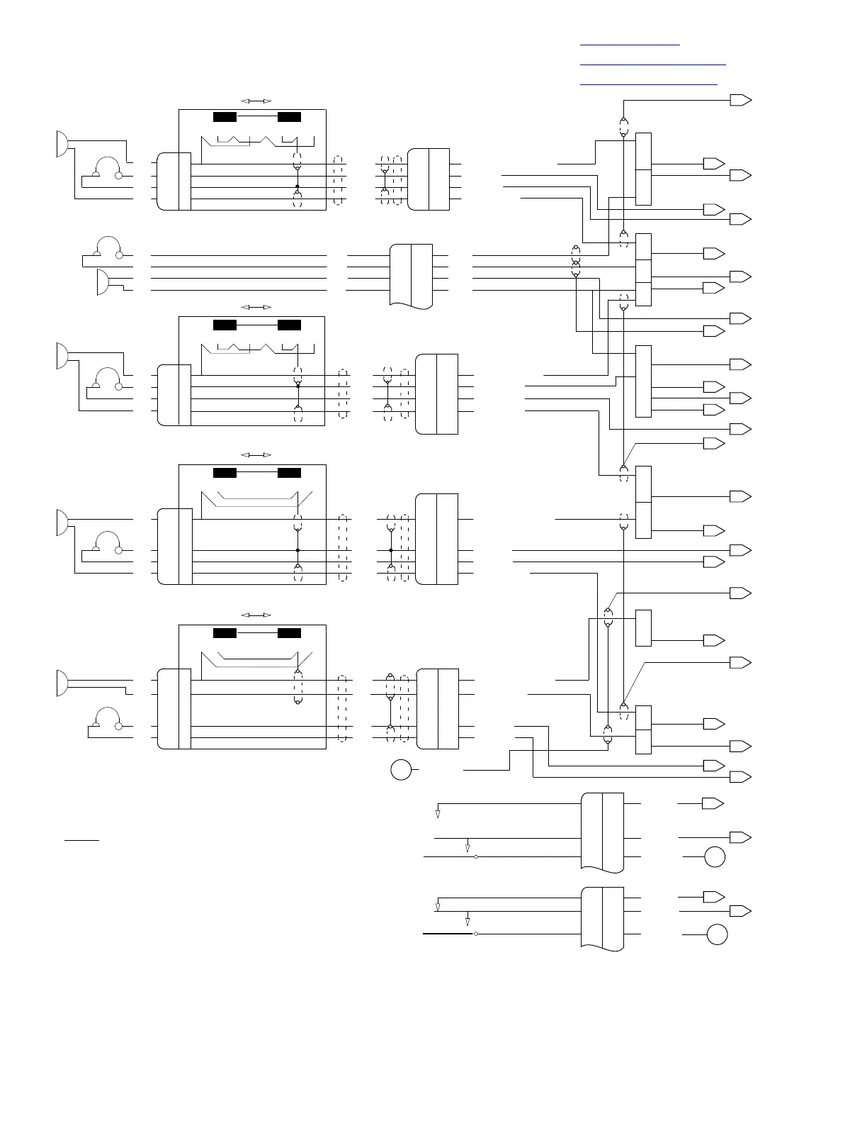
NOTES:
1. ADAPTER NOT USED IN PILOT OR COPILOT'S POSITION. ADAPTER
IS USED ONLY IF PASSENGER IS IN COPILOT'S SEAT.
2. JUMPER USED WHEN RCA VHF COMM RADIO IS INSTALLED.
3. FOR FRONT SEAT PASSENGER, USE ADAPTER. USE OF ICS ADAPT
ER
IS FOR INTERCOMM ONLY.
4. WIRING DIAGRAM EFFECTIVE ON 369D MODEL, SERIAL NOS.
003-1149.
5. -21 SWITCH - EFFECTIVE D MODELS 1150 - 1204 - ALL E'S & F'S.
6. -31 SWITCH - SAME AS ABOVE.
G97-0603-1
RIGHT REAR MIC HI
LEFT REAR ICS KEY
D
A
TB7-9
C
TB7-9
B
C
B
CENTER FRONT KEY
E
F
C
D
RIGHT REAR ICS KEY
TB7-8
B
E
F
C
COPILOT ICS KEY
A
D
F
PILOT ICS KEY
E
D
C
COPILOT MIC HI
TB7-10
HI
AUDIO COMMON
B
PILOT MIC HI
C
TB7-1
E
A
D
F
B
A
CENTER FRONT MIC
A
TB7-7
A
B
RV524A22N
RV50BD22
RV516022
2
P109 J109
3
3
2
2ND POS
W
T
1ST POS
XMIT
P
ICS
1
RV510A22
RV502A22N
W
RV505B22
T
P
J130
P130
1ST POS
12ND POS
ICS
XMIT
E7
E5
LO
LEFT
3
4
HI
LO
HI
J547
RV537A22/RED
4
2
1
GRN
RV514H22
RV510J22
2
REAR
RED
RV537A22 BLU OR GRN
4
HI
RV538A22/BLU OR GRN
LO
GRN
1
3
2
HI
3
WHT
2
4
RV514F22
GRN
WHT
BLK
RED
RV540A22
WHT
2
3
4
1
J545
2
LO
LO
HI
4
FRONT
3
HI
RV540A22/RED
1
CENTER
RV510B22
GRN
LO
RED
J513
2
3
4
BLK
RED
BLK
WHT
1
HI
HI
LO
(RIGHT)
GRN
PILOT
LO
RIGHT
REAR
BLK
RED
RV514G22
RV538A22/RED
J546
RV510H22
3
BLK
RED
BLK
WHT
RV510A22
RV514E22
RV539A22/RED
WHT
GRN
1
2345 76
2
4
3
HI
LO
8
HI
4
3
2
LO
RV534A22NE15
1
1
CO-PILOT
1
(LEFT)
J544
RV539A22 BLU OR GRN
1
2345 76
8
1
2345 76
8
1
2345 761 8
(NOTE 5)
(NOTE 5)
(NOTE 6)
(NOTE 6)
1
2
3
4
5
6
7
8
9
10
11
12
13
14
15
16
17
18
19
20
21
22
23
24
25
26
27
28
29
30
31
Figure 102. Wiring Diagram Integrated Interphone Communication System (Sheet 1 of 6)

Table of Contents

Other manuals for MD Helicopters 369D

Related product manuals