EasyManua.ls Logo

MD Helicopters 369D - Page 689

MD Helicopters 369D
722 pages
Print Icon
To Next Page IconTo Next Page
To Next Page IconTo Next Page
To Previous Page IconTo Previous Page
To Previous Page IconTo Previous Page
Loading...
CSP-HMI-3MD Helicopters, Inc.
MAINTENANCE MANUAL
[ Main Menu ]
[ HMI3 Book TOC ]
[ Chapter 97 TOC ]
97-06-00
Page 109
Revision 12
The information disclosed herein is proprietary to MD Helicopters, Inc.
Neither this document nor any part hereof may be reproduced or transferred to
other documents or used or disclosed to others for manufacturing or any other
purpose except as specifically authorized in writing by MD Helicopters, Inc.
Copyright © 19992016 by MD Helicopters, Inc.
G97-0603-2
EFFECTIVITY: 369D/E/FF
RV508C22
TB502-5E (NOTE)
TB502-6A (NOTE)
P509-X
P509-Y
P509-W
P509-bb
P509-J
TB502-5E
P509-cc
P509-aa
P509-H
TB502-4D
P509-F
P509-Z
P509-E
R
J
D
CNS19AA22
C
CNS20AA22
E
CNS23AA22
CNS29AA22
RVS14BB22
P
CNS55AA22
P509-C
F
H
CNS31AA22
G
CNS25AA22
N
R
CNS15BB22
CNS30AA22
CNS24AA22
CNS32AA22
RV514EF22
M
K
L
TB5-2
TB5-4
PILOT
B
B
TB7-3
A
B
A
C
B
C
D
A
F
B
F
D
TB7-2
TB7-4
C
D
TB5-1
D
B
AUDIO COMM
B
C
C
A
RV510C22
RV510V22
C
A
D
F
B
E
ICS KEY
P10
A
CNS21A22
ICS KEY
TB7-5
D
PHONE HI
CO-PILOT
CO-PILOT
ICS KEY
RV501D22
1
1
2
3
4
5
6
7
8
9
10
11
12
13
14
15
16
17
18
19
20
21
22
23
24
25
26
27
28
29
30
31
2
3
4
5
6
7
8
9
10
11
12
13
14
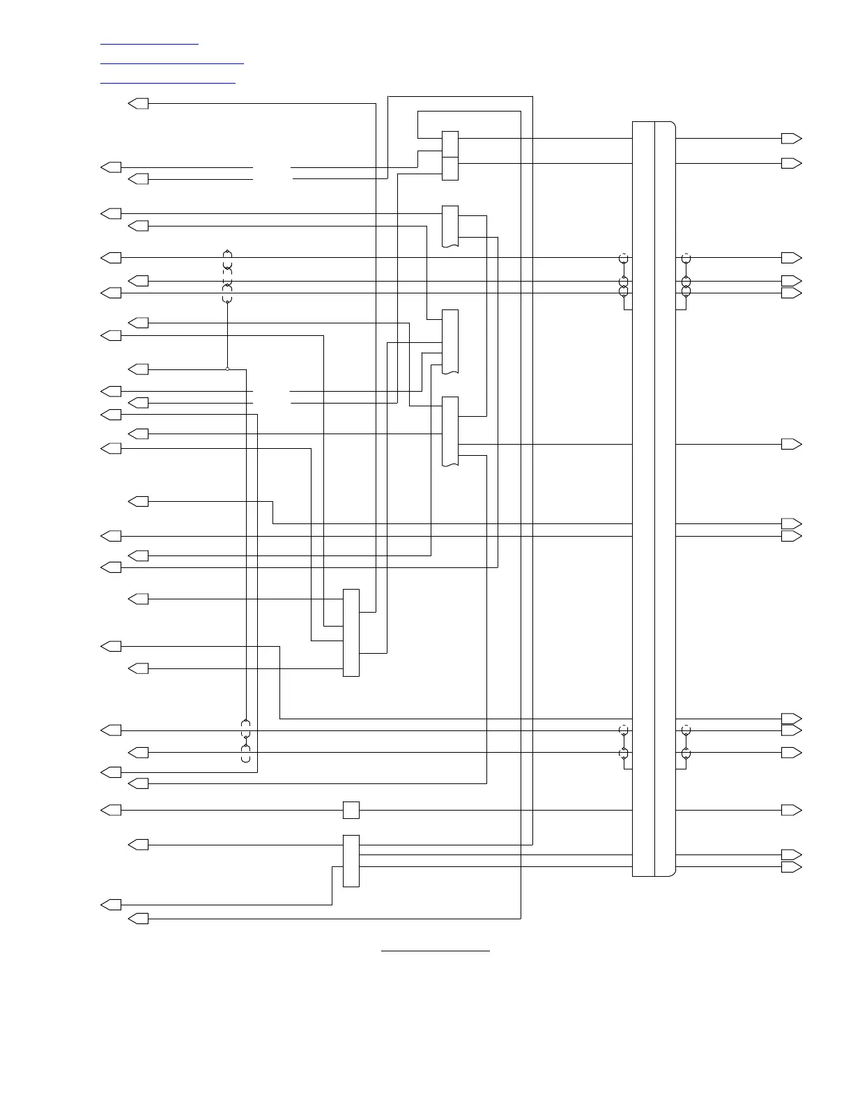
Figure 102. Wiring Diagram Integrated Interphone Communication System (Sheet 2 of 6)

Table of Contents

Other manuals for MD Helicopters 369D

Related product manuals