EasyManua.ls Logo

MD Helicopters 369D - Page 690

MD Helicopters 369D
722 pages
Print Icon
To Next Page IconTo Next Page
To Next Page IconTo Next Page
To Previous Page IconTo Previous Page
To Previous Page IconTo Previous Page
Loading...
CSP-HMI-3 MD Helicopters, Inc.
MAINTENANCE MANUAL
[ Main Menu ]
[ HMI3 Book TOC ]
[ Chapter 97 TOC ]
Page 110
Revision 12
97-06-00
The information disclosed herein is proprietary to MD Helicopters, Inc.
Neither this document nor any part hereof may be reproduced or transferred to
other documents or used or disclosed to others for manufacturing or any other
purpose except as specifically authorized in writing by MD Helicopters, Inc.
Copyright © 19992016 by MD Helicopters, Inc.
G97-0603-3
EFFECTIVITY: 369D
F
E
D
AUDIO
COM
TB502-4
P10-E
P10-D
P10-C
P10-E
P10-N
1
CB108
2A
2
CB107
3
A
B
C
D
E
F
1
RCR3A22
P10-F
A
C
P10-G
P10-J
P10-H
P10-M
P10-K
P10-L
REF.
P10-B
REF.
2
TB502-2
+28 VDC
TB501
+28 VDC
REF
CR10
1
2
TB106
R30
3
RV514T22
RV514P22
ENG OUT
REF
RADIO INST.
REF
D
C
E
F
PHONE HI
TB502-12
B
A
REF ONLY
B
A
INST.
RADIO
REF
TB502-9
REF
TB502-8
RADIO INST.
REF.
SIDE TONE
COMM 1
COMM 2
SIDE TONE
A
B
7.5A
2
REF
1
D
C
D
F
COMMON
AUDIO
PHONE LO
TB502-3
TB502-6
F
E
RADIO
B
PHONE HI
REF
TB502-5
P10-A
A
B
C
D
RV514F22
TB6
S2-2
E3
4
COMM 2
COMM 1
MIC AUDIO
5
6
S13
INST.
RADIO
INST.
RADIO
SWITCH
COMM 1 & COMM 2
3
2
COMM 2
1
COMM 1
A
B
C
D
TB502-1
E
F
F
C
E
B
D
A
1
1
2
3
4
5
6
7
8
9
10
11
12
13
14
2
3
4
5
6
7
8
9
10
11
12
13
14
15
16
17
18
19
20
21
22
23
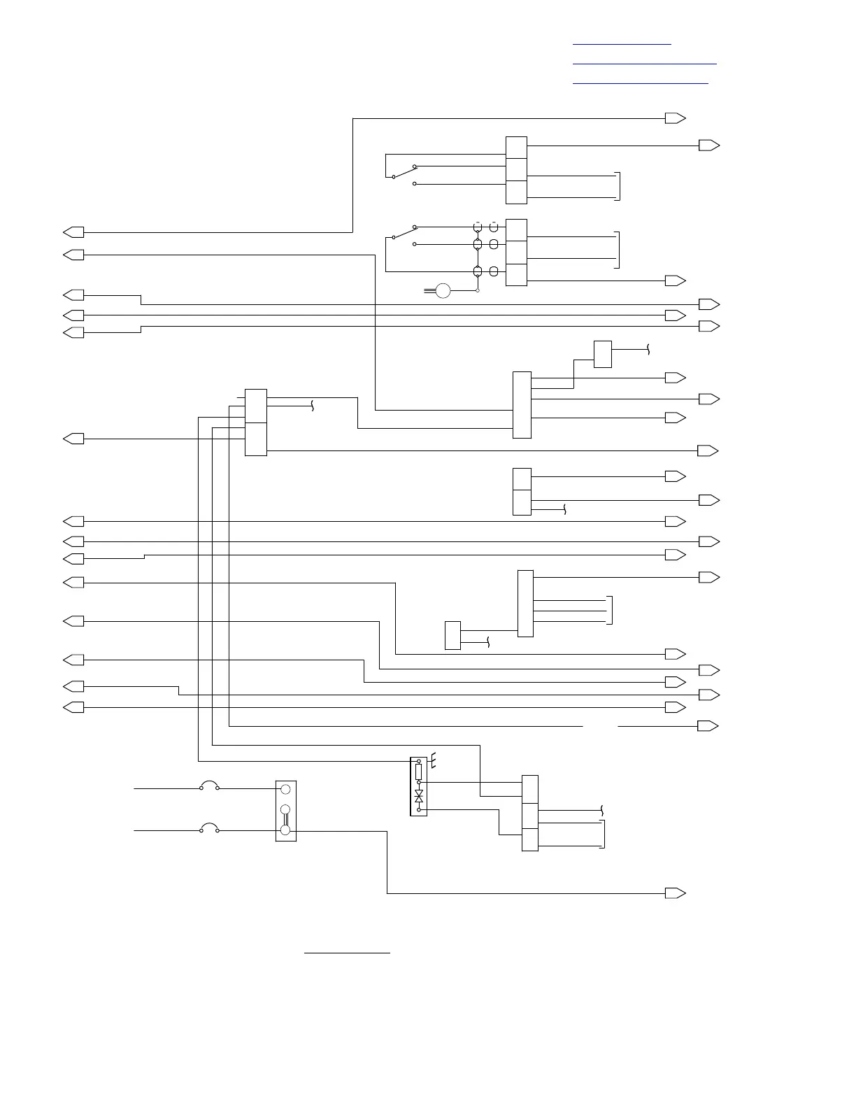
Figure 102. Wiring Diagram Integrated Interphone Communication System (Sheet 3 of 6)

Table of Contents

Other manuals for MD Helicopters 369D

Related product manuals