EasyManua.ls Logo

MD Helicopters 369D - Page 687

MD Helicopters 369D
722 pages
Print Icon
To Next Page IconTo Next Page
To Next Page IconTo Next Page
To Previous Page IconTo Previous Page
To Previous Page IconTo Previous Page
Loading...
CSP-HMI-3MD Helicopters, Inc.
MAINTENANCE MANUAL
[ Main Menu ]
[ HMI3 Book TOC ]
[ Chapter 97 TOC ]
97-06-00
Page 107
Revision 12
The information disclosed herein is proprietary to MD Helicopters, Inc.
Neither this document nor any part hereof may be reproduced or transferred to
other documents or used or disclosed to others for manufacturing or any other
purpose except as specifically authorized in writing by MD Helicopters, Inc.
Copyright © 19992016 by MD Helicopters, Inc.
G97
-
0602
-
3
F
E
D
C
F
E
D
C
A
REF
B
TB502-1
A
B
REF
TB502-2
6
5
4
1
2
3
COMM 1
S13
COMM 2
COMM 2
COMM 1
MIC
AUDIO
RV542A22
RV541A22
RV543A22
RV544A22
RV540A22
RV545A22
E3
TB6
N
CO-PILOT XMIT KEYX
PILOT ICS KEYY
W PILOT XMIT KEY
COMM 2 RCVR, AUDIOL
K COMM 1 RCVR, AUDIO
P AUX AUDIO
A +28 VDC
bb LT REAR ICS KEY
J RT REAR MIC HI
T
V
E CO-PILOT MIC HI
C PILOT MIC HI
F CENTER FRT
U PHONE HI
S COMM 2 SIDETONE
R COMM 1 SIDETONE
aa CENTER FRT ICS KEY
cc RT REAR ICS KEY
ADF AUDIO
NAV AUDIOM
LT REAR MIC HIH
COMM XMIT KEY
B
CO-PILOT ICS KEY
DC GND
P509
Z
dd
XMIT MIC AUDIOD
CNS19A22
CNS20A22
CNS23A22
CNS34A22
CNS33A22
CNS11B22
CNS16B22
CNS29A22
CNS55A22
CNS13B22
RVS11A22
CNS56A22
CNS32A22
CNS24A22
CNS30A22
CNS22A22
CNS10B22
KX8A22
CNS25A22
CNS31A22
KX14B22N
CNS15B22
CNS12B22
CNS6A22
CNS21A22
CNS14B22
1
TB6
F
D
B
C
TB5-1A
A
F
E
D
C
E
TB5-2C
TB5-2B
TB5-4B
TB7-11B
(NOTE)
TB502-12C
AUDIO
RV514R22
TB502-4
A
AUDIO COMM
PHONE
B
LO
TB502-3
REF
COM
TB502-5A
TB5-1C
TB7-10D
TB7-11D
TB7-10B
TB7-10F
TB502-5F
TB7-8C
TB7-8F
TB7-9C
COMM 1
AUDIO
RCVR
AUX
AUDIO
REF
E
TB502-11
A
B
RCVR AUDIO
COMM 2
ADF
AUDIO
AUDIO
NAV
F
E
D
C
B
A
TB502-10
REF
REF
REF
+28 VDC
+28 VDC
TB501
2
3
CB107
7.5A
1
2
1
2
1
CB108
7.5A
C
D
TB502-6
A
B
1
2
3
4
5
6
7
8
9
10
11
12
13
14
15
16
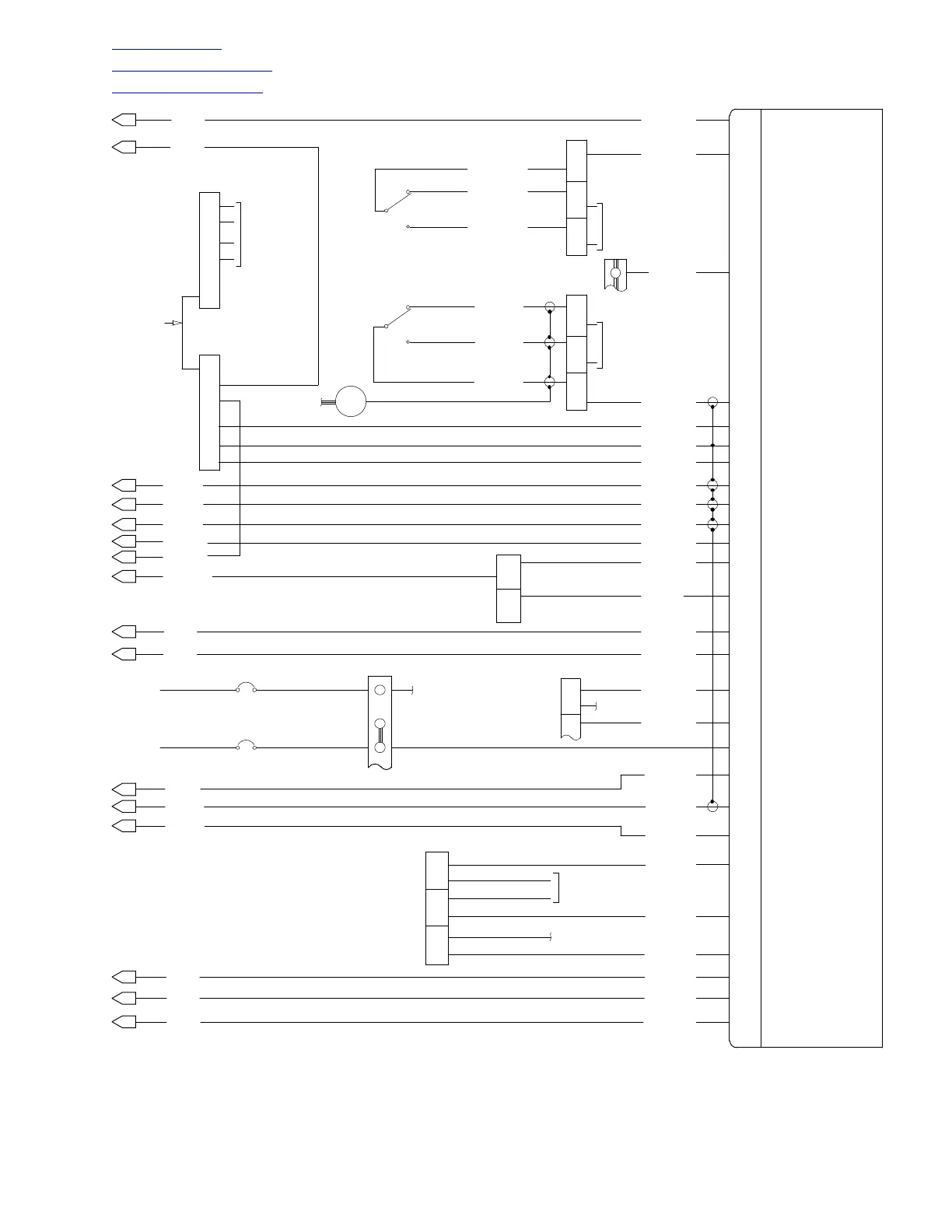
Figure 101. Wiring Diagram Integrated Interphone Communication System (369D Only)
(Sheet 3 of 3)

Table of Contents

Other manuals for MD Helicopters 369D

Related product manuals