EasyManua.ls Logo

MD Helicopters 369D - Page 686

MD Helicopters 369D
722 pages
Print Icon
To Next Page IconTo Next Page
To Next Page IconTo Next Page
To Previous Page IconTo Previous Page
To Previous Page IconTo Previous Page
Loading...
CSP-HMI-3 MD Helicopters, Inc.
MAINTENANCE MANUAL
[ Main Menu ]
[ HMI3 Book TOC ]
[ Chapter 97 TOC ]
Page 106
Revision 12
97-06-00
The information disclosed herein is proprietary to MD Helicopters, Inc.
Neither this document nor any part hereof may be reproduced or transferred to
other documents or used or disclosed to others for manufacturing or any other
purpose except as specifically authorized in writing by MD Helicopters, Inc.
Copyright © 19992016 by MD Helicopters, Inc.
G97-0602-2
RV506C22
RV501D22
RV510P22
E15
RV510V22
RV510V22
E5
E7
TB5-4
TB5-2
ICS KEY
PILOT
XMIT KEY
CO-PILOT
C
A
B
D
B
A
B
C
D
COPILOT
ICS KEY
TB5-1
AUDIO
COMM
TB7-4
TB7-2
D
B
C
TB7-2
CNS21A22 P509-Z
TB502-4
CNS32A22 P509-E
CNS24A22 P509-C
CNS30A22 P509-F
A
B
C
D
E
F
TB502-5
CNS22A22 P509-U
L533G22 TB502-4F
AUDIO
COM
A
B
C
D
E
F
REF SEC
97-00
PHONE HI
TB502-12
RV514T22
RV514S22
TB106
(NOTE 3)
REF SEC
96-10
(REF ONLY)
REF SEC
97-00
RV514P22
3
2
R30
CR10
1
CNS25A22 P509-oo
CNS31A22 P509-cc
(NOTE 5)
A
B
C
D
E
F
TB502-7
REF SEC
28-00
REF SEC
97-00
A
B
C
D
E
F
TB502-8
REF SEC
28-00
L534A
L534B
L533D
L533C
L533A
L533B22
REF SEC
28-00
CNS29A22 P509-bb
CNS55A22 P509-J
CNS15B22 P509-H
L533H22
TB502-9
A
B
CNS23A22 P509-W
CNS20A22 P509-Y
CNS19A22 P509-X
A
B
C
D
F
A
B
C
D
F
RV502A22N
RV524A22N
RV505B22
RV510A22
RV516D22
RV506D22
1
1
2
3
4
5
6
7
8
9
10
1111
1212
13
14
15
16
17
18
19
20
21
22
23
24
25
26
2
3
4
5
6
7
8
9
10
11
12
13
14
15
16
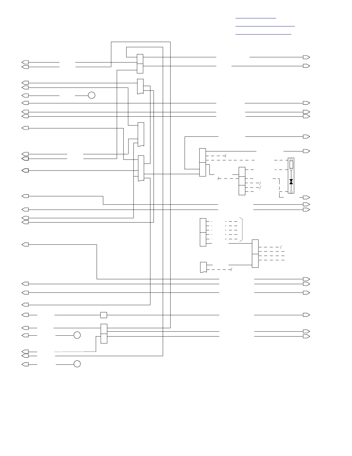
Figure 101. Wiring Diagram Integrated Interphone Communication System (369D Only)
(Sheet 2 of 3)

Table of Contents

Other manuals for MD Helicopters 369D

Related product manuals