EasyManua.ls Logo

MD Helicopters 369D - Page 697

MD Helicopters 369D
722 pages
Print Icon
To Next Page IconTo Next Page
To Next Page IconTo Next Page
To Previous Page IconTo Previous Page
To Previous Page IconTo Previous Page
Loading...
CSP-HMI-3MD Helicopters, Inc.
MAINTENANCE MANUAL
[ Main Menu ]
[ HMI3 Book TOC ]
[ Chapter 97 TOC ]
97-06-00
Page 117
Revision 12
The information disclosed herein is proprietary to MD Helicopters, Inc.
Neither this document nor any part hereof may be reproduced or transferred to
other documents or used or disclosed to others for manufacturing or any other
purpose except as specifically authorized in writing by MD Helicopters, Inc.
Copyright © 19992016 by MD Helicopters, Inc.
G97-0607-2
CNS24AA22
CNS32AA22
CN530AA22
CNS15BB22
CNS55AA22
HI
HI
HI
HI
HI
CN529AA22
CN531AA22
CN525AA22
RV501D22
RV508C22
RV14BB22
RV510C22
PLT MIC HI
C/P MIC HI
CF MIC HI
LR MIC HI
RR MIC HI
TB7-1
A
B
C
D
E
F
TB7-2
A
B
C
D
E
F
TB7-3
A
B
C
D
E
F
TB7-4
A
B
C
D
E
F
TB7-5
A
B
C
D
E
F
TB7-7
A
B
C
D
E
F
TB7-8
A
B
C
D
E
F
TB7-9
A
B
C
F
E
D
TB7-10
A
B
C
F
E
D
TB7-11
A
B
C
F
E
D
1
3
2
4
4
2
3
1
4
2
3
1
4
2
3
1
4
2
3
1
W
P
T
W
P
T
PILOT
J513
J130
J109
BLK J547-4
BLK J545-4
BLK J513-4
BLK J544-4
BLK J546-4
WHT J547-2
WHT J513-2
WHT J545-2
WHT J546-2
WHT J549-2
GRN J544-1
GRN J513-1
GRN J545-1
GRN J546-1
GRN J547-1
RED J513-3
RED J544-3
RED J545-3
RED J547-3
RED J546-3
CO-PILOT
J544
CENTER FRONT
J545
RIGHT REAR
J546
LEFT REAR
J547
TB5-4B
RV505B22
TB5-2A
RV501A22
TB5-2C
RV516C22
TB5-1A
RV508D22
RV502A22NE5
RV524A22NE7
XMIT
ICS
XMIT
ICS
TB7 - 7F
TB7 - 10A
TB7 - 3B
TB7 - 1B
TB7 - 2C
TB7 - 4C
TB7 - 10 C
TB7 - 7A
BLK
WHT
RED
GRN
WHT
BLK
GRN
RED
TB7 - 1C
TB7 - 3C
TB7 - 10 E
TB7 - 8A
BLK
WHT
RED
GRN
TB7 - 2B
TB7 - 4B
TB7 - 11C
TB7 - 8E
BLK
WHT
RED
GRN
TB7 - 1A
TB7 - 3A
TB7 - 11A
TB7 - 9A
BLK
WHT
RED
GRN
1
2
3
1
2
3
1
2
3
4
5
6
7
8
9
10
11
12
13
14
15
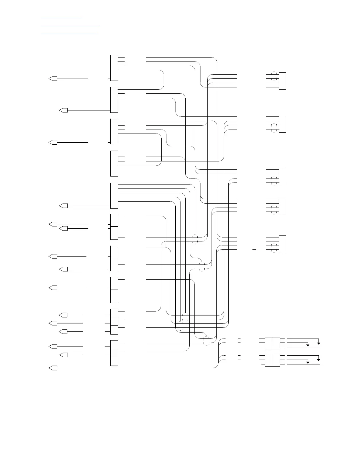
Figure 104. Wiring Diagram Integrated Interphone Communication System (Generic Vendor
Installation) (Sheet 2 of 2)

Table of Contents

Other manuals for MD Helicopters 369D

Related product manuals