EasyManua.ls Logo

Meler Micron + 10 - Page 79

Default Icon
98 pages
Print Icon
To Next Page IconTo Next Page
To Next Page IconTo Next Page
To Previous Page IconTo Previous Page
To Previous Page IconTo Previous Page
Loading...
MA-5162-ENG MICRON
+
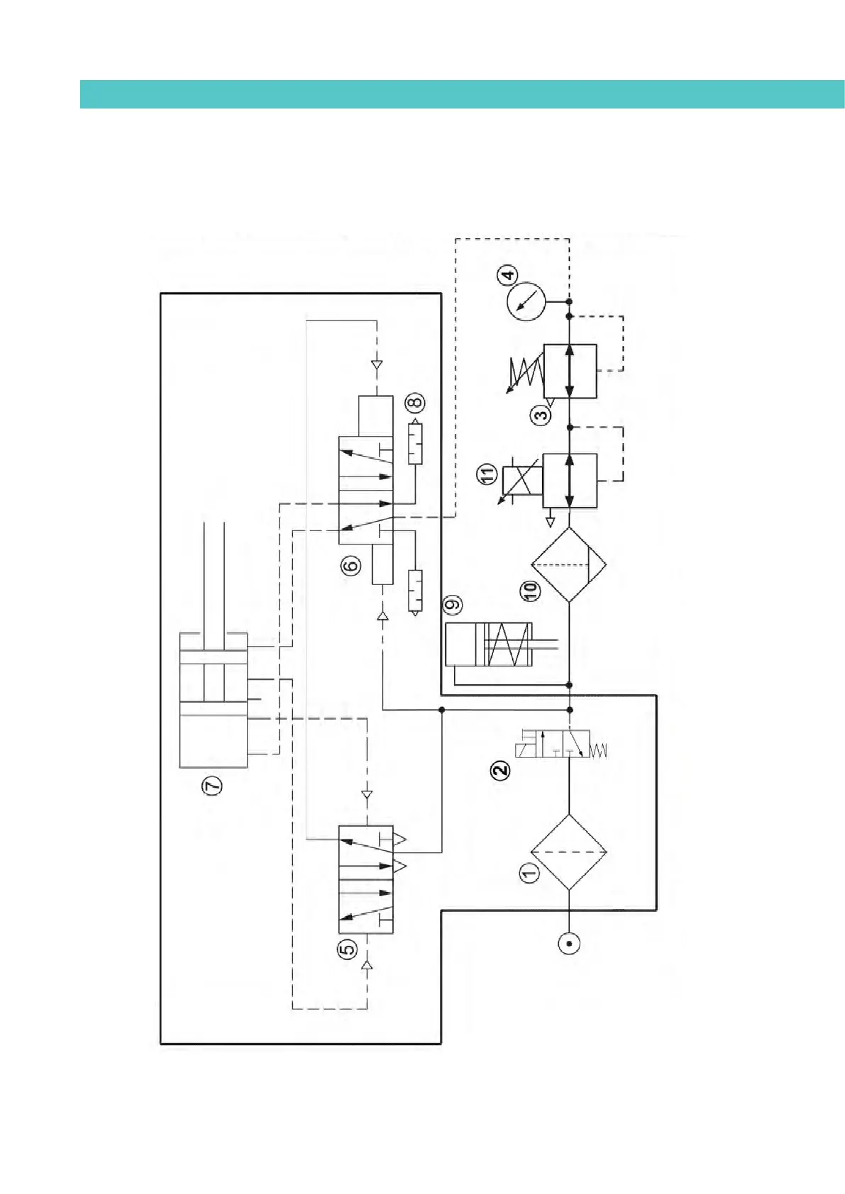
PISTON ADHESIVE MELTERPNEUMATIC DIAGRAM
8-7
Electro-pneumatic diagram with pressure regulator VP.
7 cm
3
/stroke PUMP
06.03.2012

Table of Contents

Related product manuals