EasyManua.ls Logo

Micros Systems Workstation 5 - Page 31

Micros Systems Workstation 5
156 pages
Print Icon
To Next Page IconTo Next Page
To Next Page IconTo Next Page
To Previous Page IconTo Previous Page
To Previous Page IconTo Previous Page
Loading...
Workstation 5 Field Service Guide 2-3
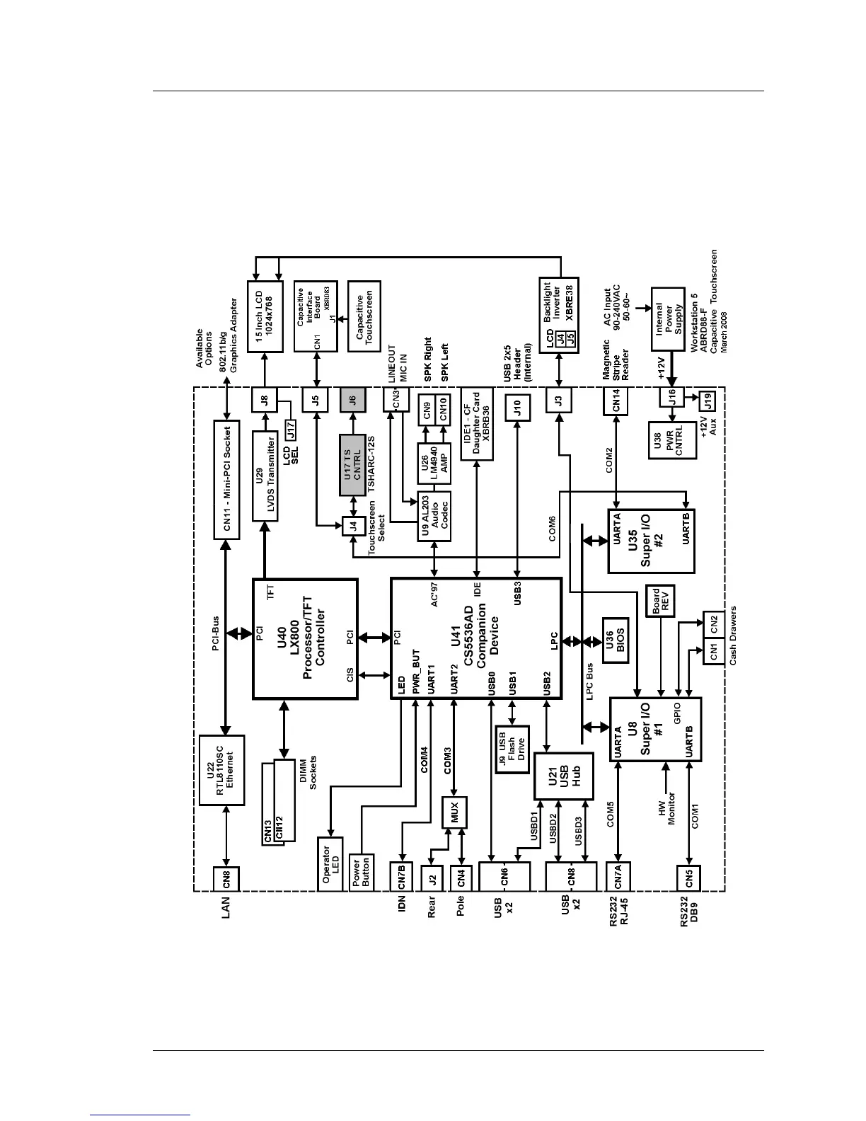
Workstation 5 System Board Technical Descriptions
Workstation 5 System Board Block Diagram
Figure 2-2 below displays a block diagram of the Workstation 5 with an
optional capacitive touchscreen installed. This configuration adds the
Capacitive Touchscreen Interface Board. This configuration is not in
production,
Figure 2-2: Workstation 5 Block Diagram /w Capacitive Touchscreen

Table of Contents