EasyManua.ls Logo

Micros Systems Workstation 5 - AC’97 Audio Interface

Micros Systems Workstation 5
156 pages
Print Icon
To Next Page IconTo Next Page
To Next Page IconTo Next Page
To Previous Page IconTo Previous Page
To Previous Page IconTo Previous Page
Loading...
Workstation 5 Field Service Guide 2-21
Workstation 5 System Board Technical Descriptions
AC 97 Audio Interface
AC 97 Audio Interface
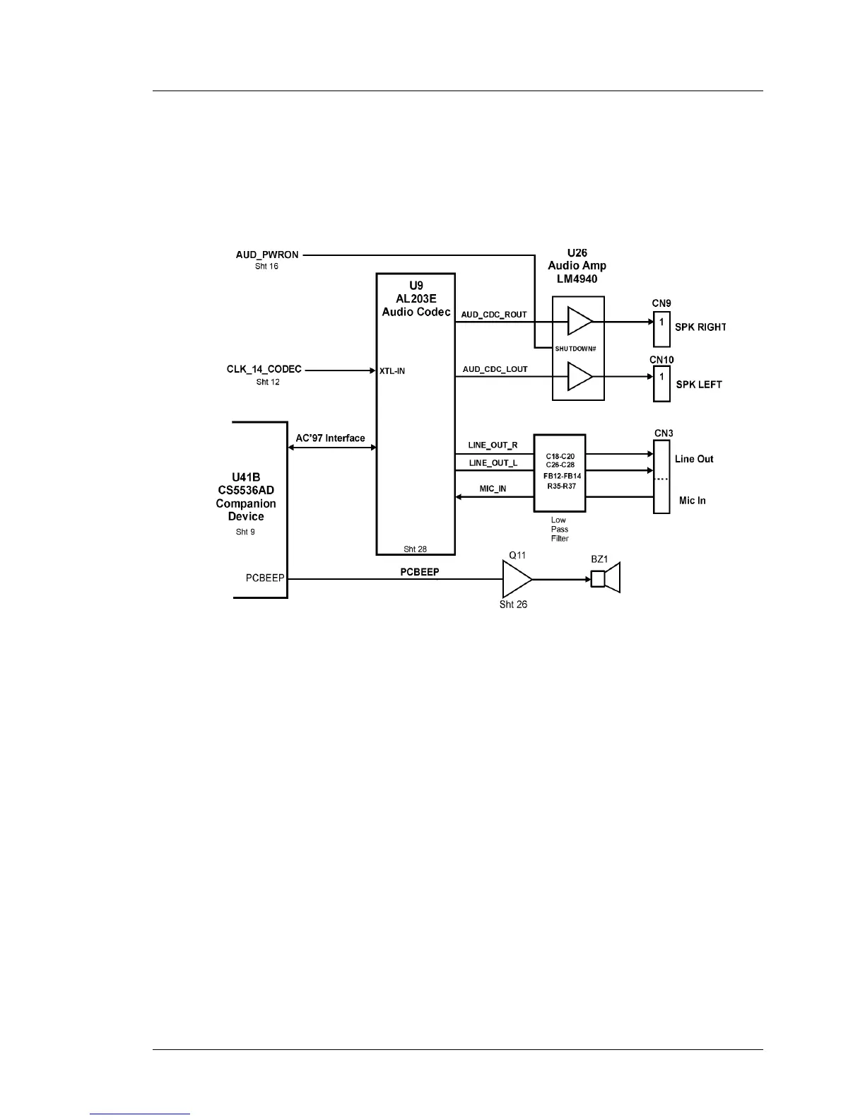
Figure 2-10 displays a block diagram of the WS5 System Board AC’97 Audio
Interface.
Figure 2-10: Workstation 5 Audio Circuit Block Diagram
Realtek ALC203E Features
Compliant with AC97, 2.3 Specification
Meets performance requirements for audio on PC99/2001 systems.
Meets Microsoft WQHL/WLP 2.0 audio requirements.
20-bit DAC and 18-bit ADC resolution
AC’97 Audio is comprised of a two-chip solution with a digital component
(the Companion Chip) and an analog component (the AL203E). The AL203E
contains Digital to Analog Converters (ADC), mixers, jack detection and I/O.
The Companion Chip and the Codec communicate over the AC’97 link
interface, a serial bi-directional, pulse coded modulation digital stream.

Table of Contents