EasyManua.ls Logo

Micros Systems Workstation 5 - USB Interface

Micros Systems Workstation 5
156 pages
Print Icon
To Next Page IconTo Next Page
To Next Page IconTo Next Page
To Previous Page IconTo Previous Page
To Previous Page IconTo Previous Page
Loading...
2-16 Workstation 5 Field Service Guide
Workstation 5 System Board Technical Descriptions
USB Interface
USB Interface
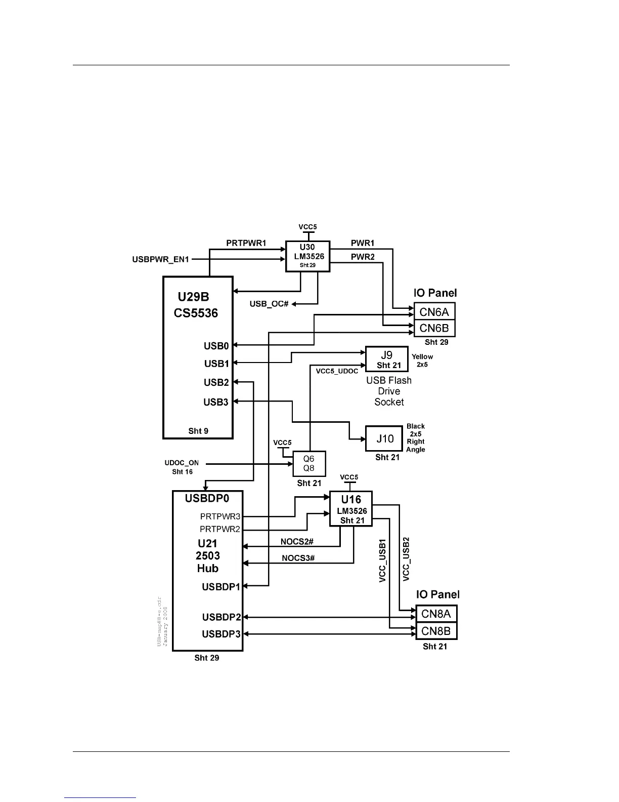
REF: ABRD88 - Sheets 9, 16, 21, and 29
The Workstation 5 System Board includes a total of seven USB ports, four of
which are available at the IO Panel. A fifth USB port is accessible at the front
of the chassis for the integrated finger print reader or other optional device.
Figure 2-7 displays a block diagram of the system board USB interface
including the USB port assignments and the power management scheme.
Figure 2-7: Workstation 5 System Board USB Configuration

Table of Contents