EasyManua.ls Logo

Micros Systems Workstation 5 - Workstation 5 System Board Block Diagram

Micros Systems Workstation 5
156 pages
Print Icon
To Next Page IconTo Next Page
To Next Page IconTo Next Page
To Previous Page IconTo Previous Page
To Previous Page IconTo Previous Page
Loading...
2-2 Workstation 5 Field Service Guide
Workstation 5 System Board Technical Descriptions
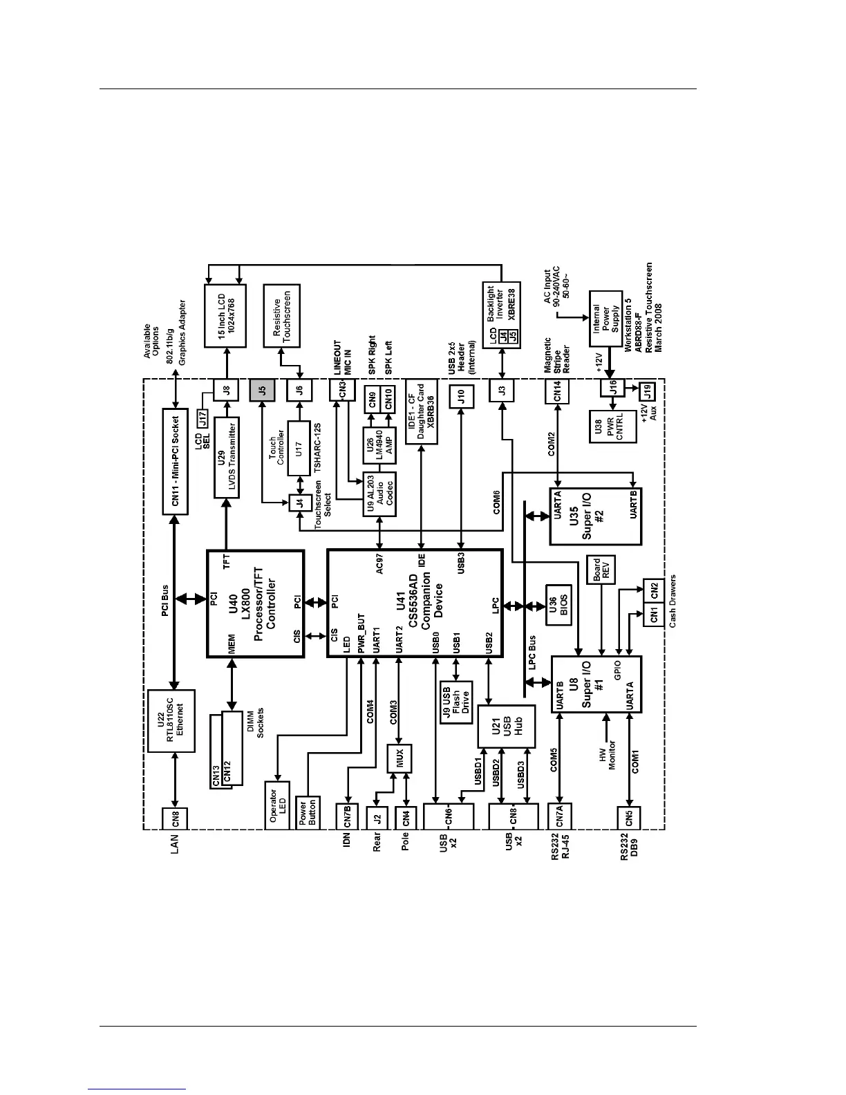
Workstation 5 System Board Block Diagram
Workstation 5 System Board Block Diagram
Figure 2-1 displays a block diagram of the Workstation 5 with the standard
resistive touchscreen. This configuration represents production units from
January 2008 to February 2009.
Figure 2-1: Workstation 5 Block Diagram /w Resistive Touchscreen

Table of Contents