EasyManua.ls Logo

Micros Systems Workstation 5 - Point Of Sale Interfaces

Micros Systems Workstation 5
156 pages
Print Icon
To Next Page IconTo Next Page
To Next Page IconTo Next Page
To Previous Page IconTo Previous Page
To Previous Page IconTo Previous Page
Loading...
Workstation 5 Field Service Guide 2-23
Workstation 5 System Board Technical Descriptions
Point Of Sale Interfaces
Point Of Sale Interfaces
Customer Display Interface (REF: ABRD88 - Sheets 8, 16, and 31)
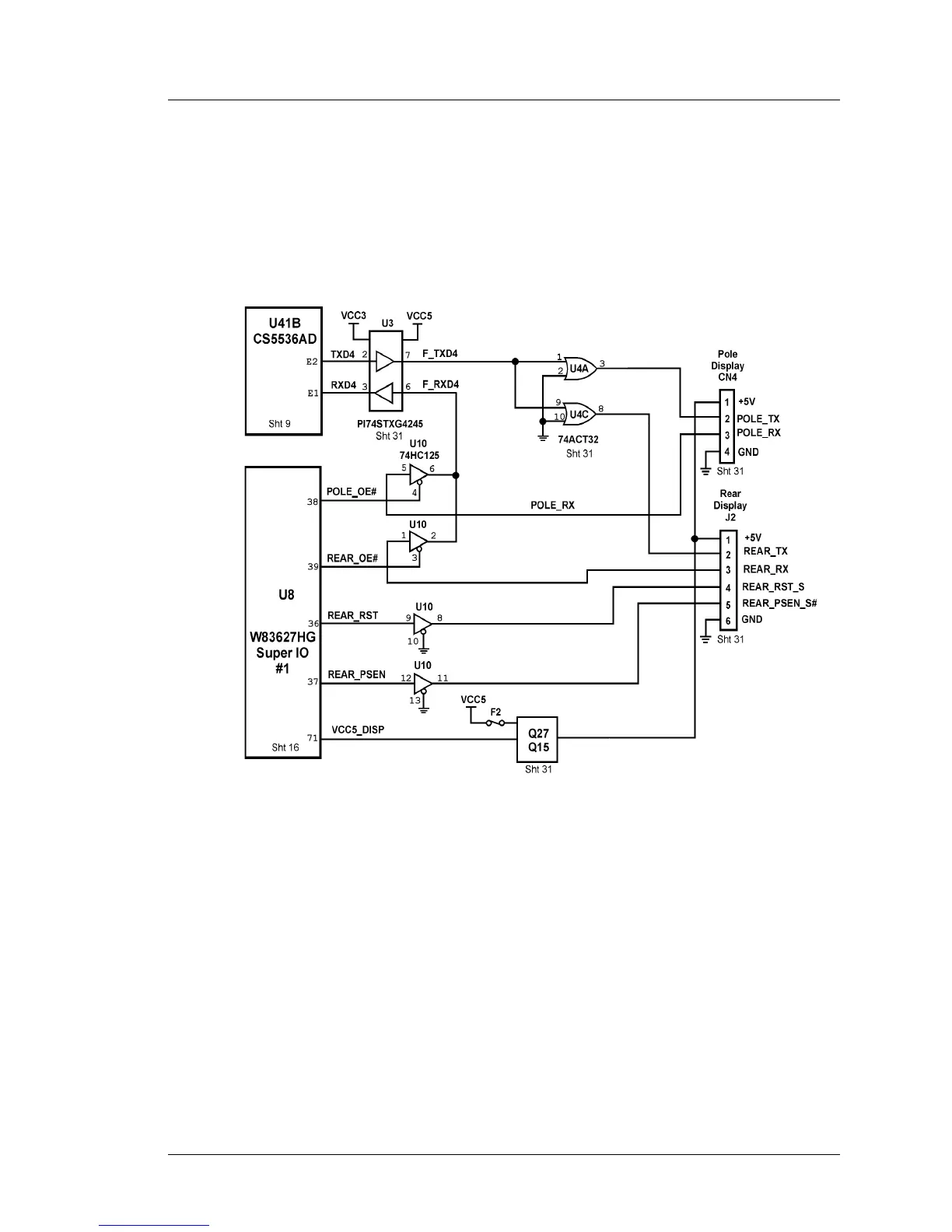
Figure 2-11 displays a block diagram of the WS5 System Board Customer
Display Interface. The Customer Display Interface is not shared with the MSR
Interface.
Figure 2-11: Workstation 5 System Board Customer Display Interface
The Interface Supports the MICROS LCD Customer Display which is capable
of returning information to the host workstation.
Sending Data to the Customer Display(s)
TXD4 from UART 2 in the Companion Device U41 is fed to U3, a
PI74STX2G4245 2-Bit Level Shifting/Buffer Transceiver /w Dual Voltage
Supply. This device is required because the Customer Display Interface
operates at VCC5, while the Companion Device operates at VCC3. Note
that the device has both VCC5 and VCC3 power supply inputs.
The output of U3, F_TXD4 drives both the Pole (CN4) and Rear (J2)
customer display connectors simultaneously through NOR gates U4A and
U4C.

Table of Contents