EasyManua.ls Logo

Miele CVA610 - Brewing Procedure

Miele CVA610
107 pages
Print Icon
To Next Page IconTo Next Page
To Next Page IconTo Next Page
To Previous Page IconTo Previous Page
To Previous Page IconTo Previous Page
Loading...
Technical Information
18
CVA610 Coffee System
4.5 Brewing Procedure
1. The output of the Grinder provides ground coffee to the
Dispenser Housing; until it filled (as determined by the
dispenser switch).
2. The Grinder is then powered by off by the Electronic.
3. The Dispenser Flap opens twice (two clicks can be heard) via
the Dispenser Solenoid.
4. The ground coffee falls into the Brew Unit (via the funnel).
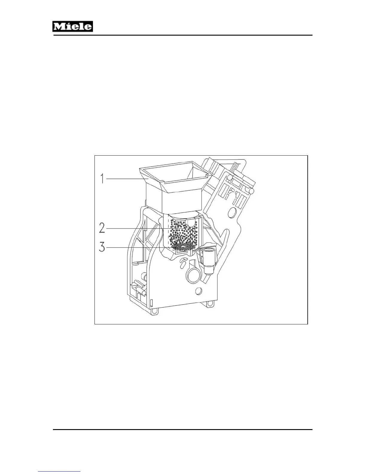
Figure 4-4: Brew Unit Filters
1 Funnel
2 Percolator chamber
3 Bottom filter

Table of Contents

Related product manuals