EasyManua.ls Logo

Miele CVA610 - Hot Water Nozzle - Removal

Miele CVA610
107 pages
Print Icon
To Next Page IconTo Next Page
To Next Page IconTo Next Page
To Previous Page IconTo Previous Page
To Previous Page IconTo Previous Page
Loading...
Technical Information
57
C
VA
6
1
0
C
offee
Sy
stem
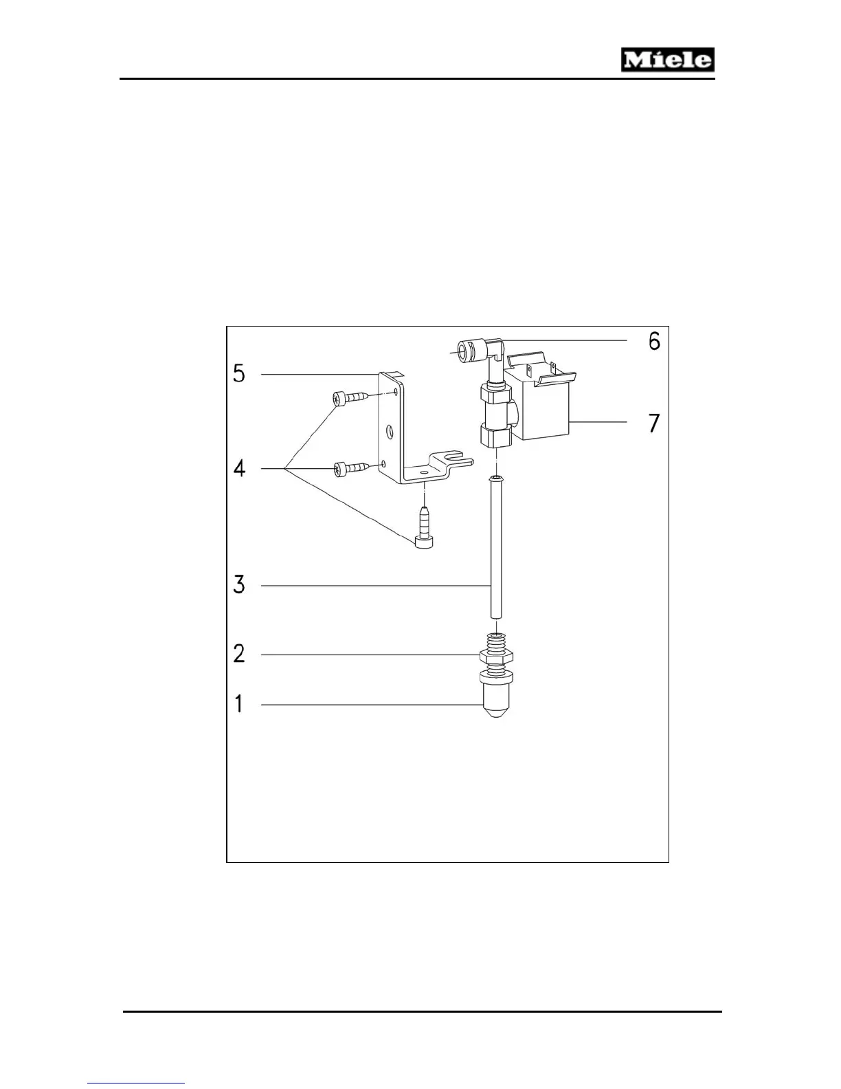
1 Sleeve
2 Nut
3 Hot water nozzle
4 Fixing screws - Holder
5 Holder
6 Connector
7 Hot water valve (Y12)
5.19 Hot Water Nozzle – Removal
Refer to figure 5-18.
1. Open the door.
2. Remove the Rear Door Panel and Fascia Panel Cover
(5.12 & 5.13).
3. Loosen the nut (Item 2).
4. Remove the holder (Item 5).
5. Unscrew the sleeve, (Item 1) from the connector (Fig. 6).
6. Pull out the hot water nozzle (Item 3), from the connector.
Figure 5-18: Hot Water Valve Components

Table of Contents

Related product manuals