EasyManua.ls Logo

MTU 8V2000M40A - Page 202

MTU 8V2000M40A
242 pages
Print Icon
To Next Page IconTo Next Page
To Next Page IconTo Next Page
To Previous Page IconTo Previous Page
To Previous Page IconTo Previous Page
Loading...
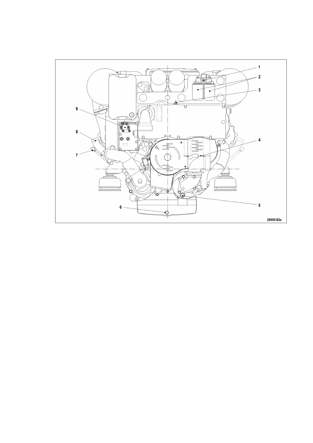
Free end (KGS)
1 Three-way cock
2 Fuel filter
3 Fuel vent valve
4 Raw water pump filling plug
5 Raw water pump drain plug
6 Connection for oil extrac-
tion
7 Oil dipstick (connection left
or right engine side option-
al)
8 Oil filler neck (connection
left or right engine side op-
tional)
9 Fuel priming pump
202 | Coolant Circuit, General, High-Temperature Circuit | MS150031/06E 2016-010
TIM-ID: 0000006697 - 003

Table of Contents

Related product manuals