EasyManua.ls Logo

Nautel Vector-LP VR125 - Page 41

Nautel Vector-LP VR125
150 pages
Print Icon
To Next Page IconTo Next Page
To Next Page IconTo Next Page
To Previous Page IconTo Previous Page
To Previous Page IconTo Previous Page
Loading...
Dimensions = mm (inches)
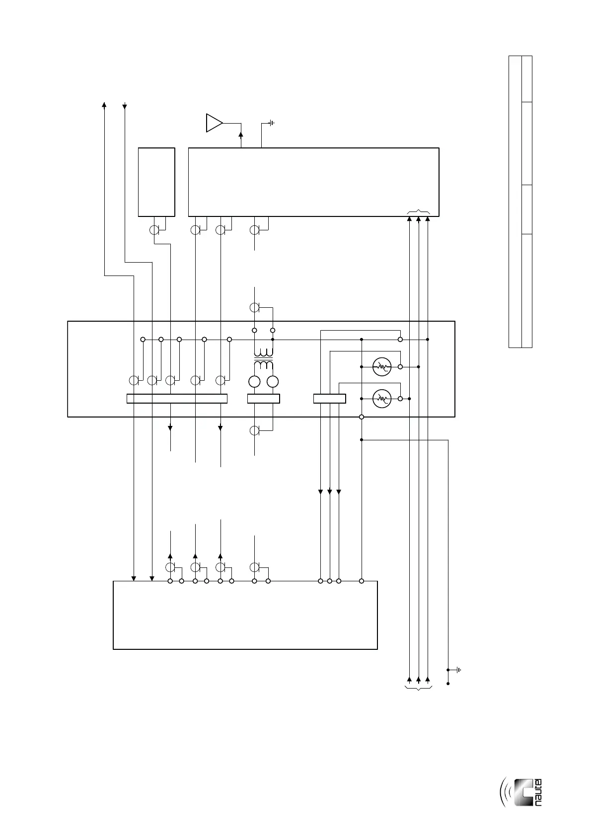
Block Diagram – Recommended Transmitter System Installation
Issue 1.1 Not to Scale Figure 2-5 Page 2-19
*
*
*
*
FERRITE
FERRITE
FERRITE
AC
*
*
*
STATION
POWER
SOURCE
*
STATION
REFERENCE
(NAUTEL P/N 151-1283-01)
RS-485 ISOLATED
ATU VDC (OPTIONAL)
REMOTE CONTROL/MONITOR
PWR CABLE
RF CABLE
UNIT
SPU1
J1
AC INPUT
(OPTIONAL)
OR
FEEDER
GROUND
GROUND
INT SERIAL LINK
RF FEED FROM TRANSMITTER
AUX CABLE
NDB/DGPS
REFERENCE
DENOTES CABLE LENGTH TO BE
SERIAL LINK (PTSN, RS-232, RS-422, USB)
TRANSMITTER
FOR REFERENCE ONLY
SPU1 PARTS SHOWN
ANTENNA SYSTEM SYSTEM
GROUND
ANTENNA
ATU500
REMOTE CONTROL/
PROTECTION
B1510501 VA
20 FEET (6 METRES)
VECTOR
(LESS THAN 1500W)
RF FEED TO ANTENNA
ATU-LP
MONITOR CENTER
INTERFACE/
EXTERNAL AUDIO OR MSK INPUT
EXTERNAL CONTROL/MONITOR

Table of Contents

Related product manuals