EasyManua.ls Logo

Omron CJ - PROGRAMMING MANUAL 12-2009 - Page 226

Omron CJ - PROGRAMMING MANUAL 12-2009
448 pages
Print Icon
To Next Page IconTo Next Page
To Next Page IconTo Next Page
To Previous Page IconTo Previous Page
To Previous Page IconTo Previous Page
Loading...
186
Interrupt Tasks Section 4-3
Note For CS-series PLCs, Interrupt Input Unit numbers are in order from 0 to 1
starting on the left side of the CPU Rack. For CJ-series PLCs, Interrupt Input
Unit numbers are in order from 0 to 1 starting from the CPU Unit.
Operand S (the Second Operand) of MSKS: The bits of FFF7 Hex corre-
spond to the interrupt inputs of the Interrupt Input Unit. Interrupt input num-
bers 0 to 15 correspond to bits 0 to 15.
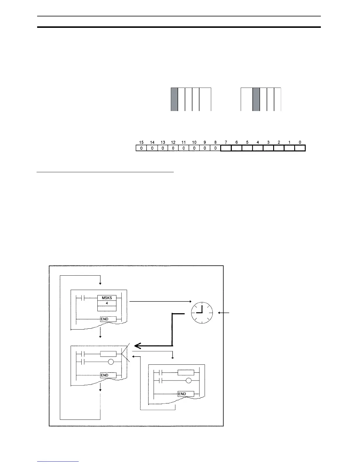
Scheduled Interrupt Tasks: Tasks 2 and 3
Scheduled interrupt tasks are disabled in the default PLC Setup at the start of
cyclic task execution. Perform the following steps to enable scheduled inter-
rupt tasks.
1,2,3... 1. Execute the MSKS (SET INTERRUPT MASK) instruction from a cyclic
task and set the time (cycle) for the specified scheduled interrupt.
2. Set the scheduled interrupt time unit in PLC Setup.
Note The interrupt time setting affects the cyclic task in that the shorter the interrupt
time, the more frequently the task executes and the longer the cycle time.
Example: The following examples shows executed scheduled interrupt task 2
every second.
10 10
CPU Unit
Unit No.
Interrupt Input Unit
CS-series PLCs CJ-series PLCs
Unit No.
CPU Unit
Interrupt Input Unit
11110111
F Hex
F Hex
F Hex 7 Hex
&100
Cyclic task
Cyclic task
Interrupt number 4 will be executed
at an interrupt interval of 0064 Hex.
Scheduled interrupt time unit in PLC
Setup = 10 ms (0.01 s)
Every second
Interrupt
Scheduled interrupt task 2

Table of Contents

Related product manuals