EasyManua.ls Logo

Oriental motor BLE2D60-A - System Configuration

Oriental motor BLE2D60-A
86 pages
Print Icon
To Next Page IconTo Next Page
To Next Page IconTo Next Page
To Previous Page IconTo Previous Page
To Previous Page IconTo Previous Page
Loading...
Preparation
9
Safety precautions How to use Help Appendix
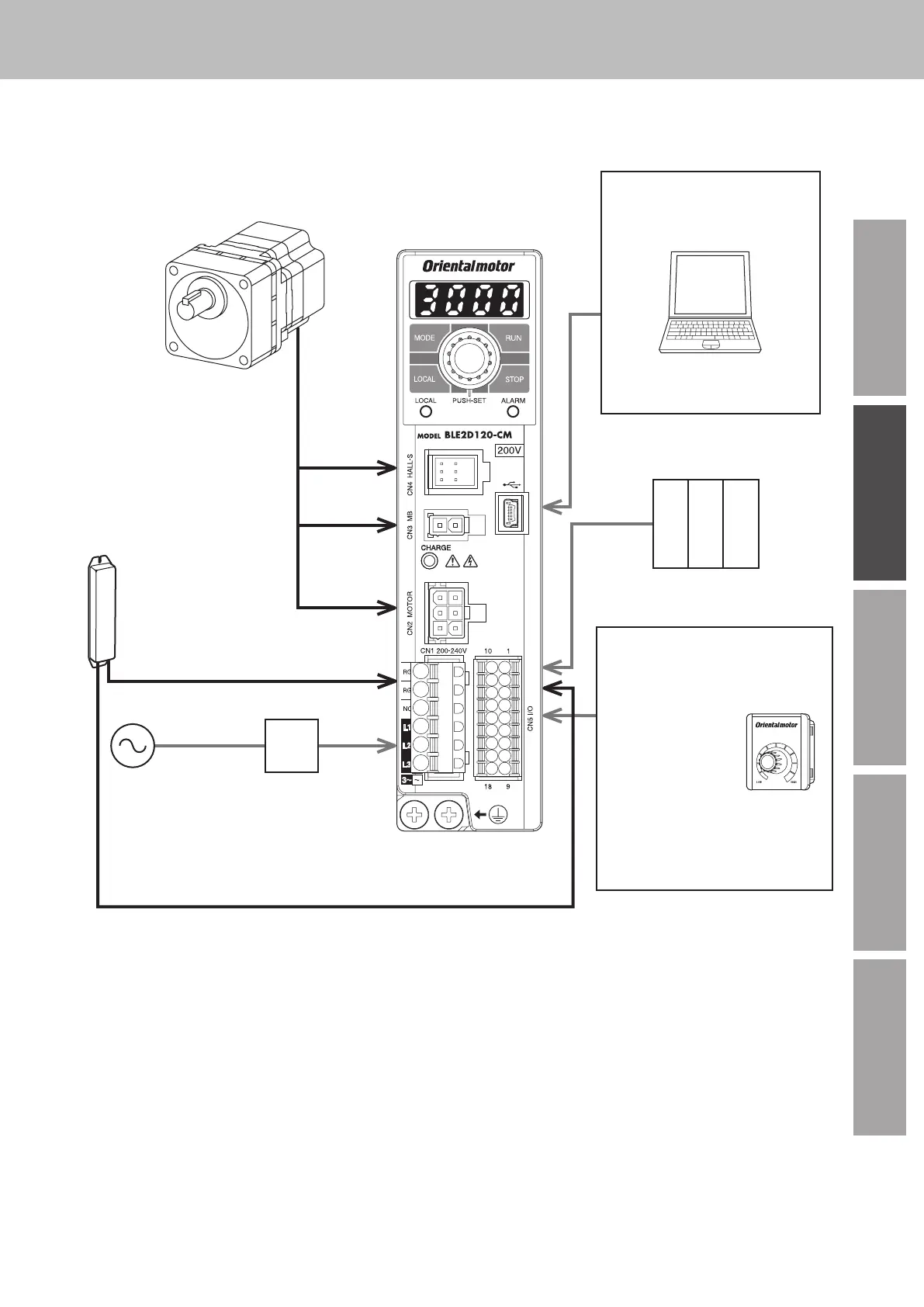
Related operating manuals System conguration
The system conguration of the
BLE2
Series is shown below.
The gure below shows the driver for the electromagnetic brake motor.
Driver
Motor
(sold separately)
Connection
cable
(sold separately)
Setting of operation data and
parameters
Sensor
connector
Electromagnetic
brake connector
Motor
connector
PC in which the support software
MEXE02 has been installed
To connect to the driver, provide a
commercially available USB cable.
The PC must be supplied by the user.
Setting of operation speed and
torque limiting
(for external analog setting devices)
External poentiometer
(sold separately)
Connect the
potentiometer when
setting the motor speed
or torque limiting value
externally.
External DC voltage
Connect a DC power supply when
setting the motor speed or torque
limiting value by DC voltage.
Or
Power supply
Make sure power
supply voltage does
not exceed the rated
voltage.
Circuit breaker
or earth leakage
breaker
Always connect a
breaker to protect
the primary circuit.
Regeneration unit RGB100
(sold separately)
Use the regeneration resistor
when continuous regeneration
operation such as gravitational
operation in vertical drive is performed or an
inertia load is operated with round shaft type
motors of 300 W or higher.
External control equipment
Connects I/O signals.
Input
Output
p.23

Table of Contents

Related product manuals