EasyManua.ls Logo

Orphee MYTHIC 18 - Wiring Diagram - General View

Orphee MYTHIC 18
68 pages
Print Icon
To Next Page IconTo Next Page
To Next Page IconTo Next Page
To Previous Page IconTo Previous Page
To Previous Page IconTo Previous Page
Loading...
REF : M18-SM-001 Rev 02
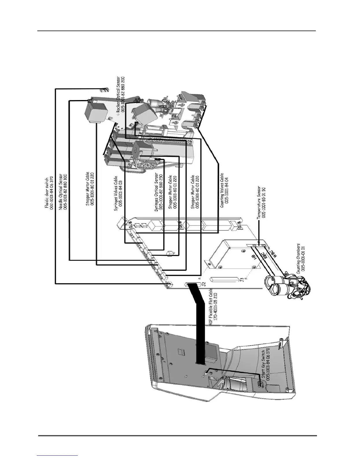
3. ELECTRICS & ELECTRONICS
MYTHIC 18 Copyright© Orphée SA. All Rights Reserved. Page 19/68
3.4 WIRING DIAGRAM
3.4.1 General view

Table of Contents

Other manuals for Orphee MYTHIC 18