EasyManua.ls Logo

Orphee MYTHIC 18 - Syringe Module

Orphee MYTHIC 18
68 pages
Print Icon
To Next Page IconTo Next Page
To Next Page IconTo Next Page
To Previous Page IconTo Previous Page
To Previous Page IconTo Previous Page
Loading...
REF : M18-SM-001 Rev 02
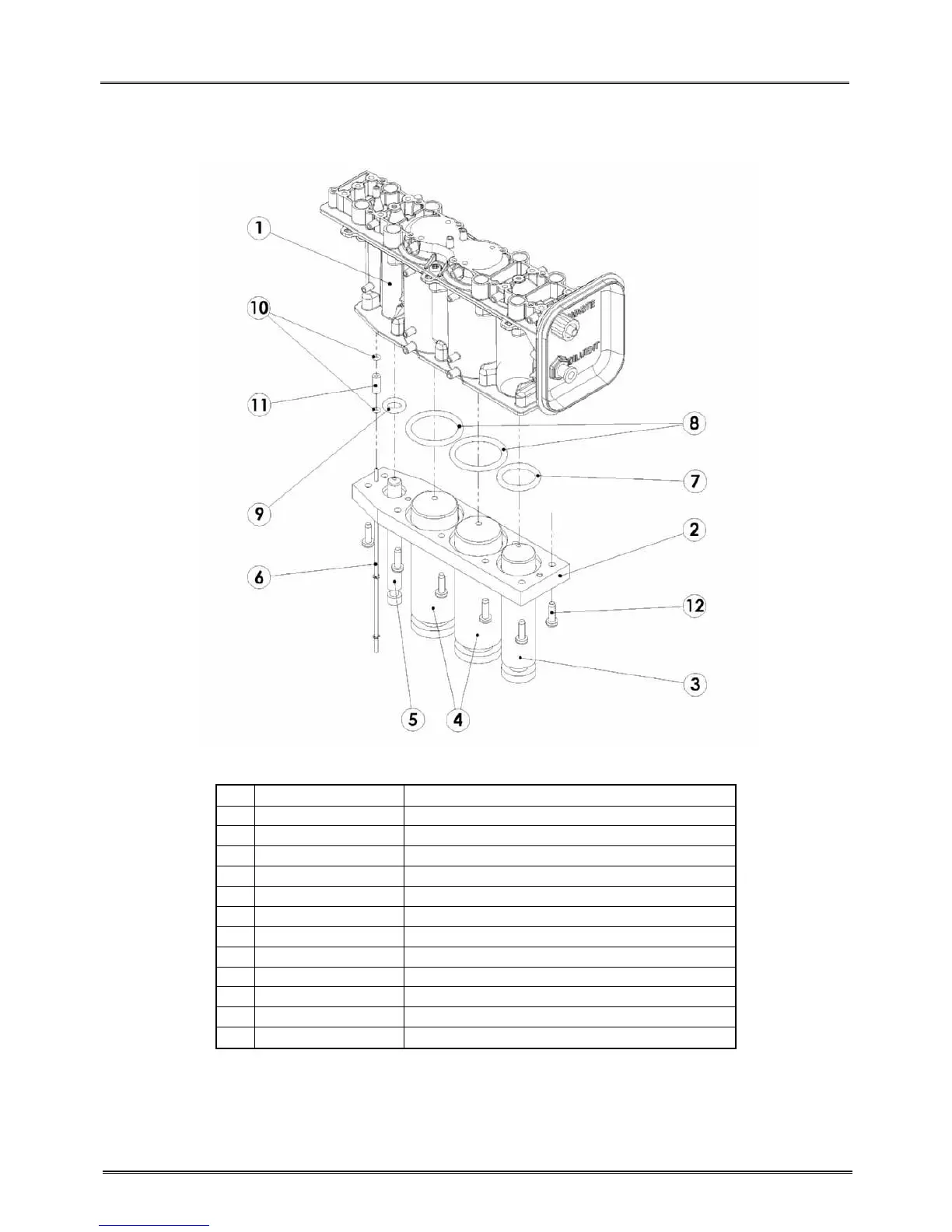
6. PARTS LISTE & BLOW UP VIEW
MYTHIC 18 Copyright© Orphée SA. All Rights Reserved. Page 43/68
6.2.3 Syringe Module
Rep Part Number Designation
1
002-1001-03 05 Syringes body
2
010-2501-03 06 Seal plate
3
010-2501-03 02 Piston Ø 16
4
005-1001-03 03 Piston Ø 22
5
010-2501-03 01 Piston Ø 6.5
6
005-1001-03 09 Syringe Piston Ø 1.6
7
312-0501-1554 262 O-ring Ø15.54x2.62 Silicone 60SH
8
312-0501-2189 262 O-ring Ø21.89x2.62 Silicone 60SH
9
312-0501-630 240 O-ring Ø6.3x2.4 Silicone 60SH
10
312-0505-140 125 O-ring Ø1.4x1.25 Fluocarbon 80SH
11
010-2501-03 10 O-ring spacer
12
363-0201-030 100 Screw K 30 x 10

Table of Contents

Other manuals for Orphee MYTHIC 18