EasyManua.ls Logo

Panasonic GM1 Series

Panasonic GM1 Series
138 pages
To Next Page IconTo Next Page
To Next Page IconTo Next Page
To Previous Page IconTo Previous Page
To Previous Page IconTo Previous Page
Loading...
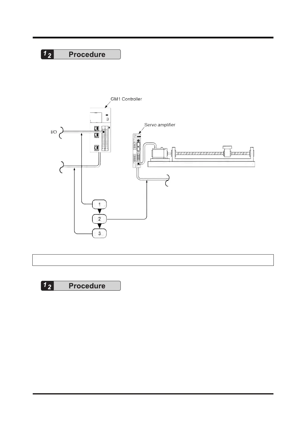
1. Turn ON the power to the I/O devices connected to the GM1 Controller.
2. Turn ON the power to the servo amplifier.
3. Turn ON the power to the GM1 Controller.
12.2.4 Power OFF Operation
1. Check that the rotation of the motor has stopped and then turn OFF the power to the GM1
Controller
.
2. Turn OFF the power to the servo amplifier.
3. Turn OFF the power to the I/O devices connected to the GM1 Controller.
12.2 Checking Safety Circuit Design
WUME-GM1ETCSU-01 12-5

Table of Contents

Other manuals for Panasonic GM1 Series

Related product manuals