EasyManua.ls Logo

Panasonic SA-MAX200PH - Exploded View and Replacement Parts List; Exploded View and Mechanical replacement Part List; Cabinet Parts Location

Panasonic SA-MAX200PH
122 pages
Print Icon
To Next Page IconTo Next Page
To Next Page IconTo Next Page
To Previous Page IconTo Previous Page
To Previous Page IconTo Previous Page
Loading...
105
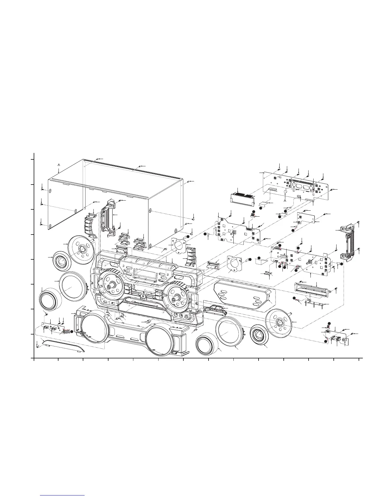
17 Exploded View and Replacement Parts List
17.1. Exploded View and Mechanical replacement Part List
17.1.1. Cabinet Parts Location
(VOLUME P.C.B.)
(VOLUME JOG LED P.C.B.)
(USB P.C.B.)
(REMOTE SENSOR P.C.B.)
(MIC P.C.B.)
(LED P.C.B.)
(ILLUMINATION BUTTON P.C.B.)
(FL DISPLAY P.C.B.)
(CONTROL P.C.B.)
(CONTROL JOG LED P.C.B.)
*ZJ6700
*ZJ6400
*ZJ6301
*ZJ6300
*ZJ6101
*ZJ6100
VR6300
VR6200
VR6100
T6000
JK6301
JK6300
IR6500
DP6000
CN6800
CN6700
CN6500
CN6401
CN6400
CN6201
CN6200
CN6112
CN6111
CN6108
CN6106
CN6105
CN6103
CN6102
CN6002
CN6001
CN6000
58
57
56-1
56
46
43
41
40
40
37
37
37
37
37
35
35
35
35
35
35
34
34
34
34
34
34
34
34
34
34
34
34
34
34
34
34
34
34
34
34
34
34
34
34
34
34
34
34
33
33
32
32
31
30
30
29
28
28
27
26
25
24
23
20
20
19
18
17
17
16
13
12
9
8
6
5
5
4
3
g
g
h
h
i
i
j
j
k
k
l
l
m
m
n
o
p
q
u
1
2
3
4
5
6
7
8
9
A
B
C
D
E
F
G
H
10 11 12 13
NOTE: " * " PART IS NOT SUPPLIED / REF IS FOR INDICATION ONLY.
SA-MAX200PHK
CABINET DRAWINGS

Table of Contents

Related product manuals