EasyManua.ls Logo

Panasonic SA-MAX200PH - Disassembly of Volume Jog LED P.C.B; Disassembly of Remote Sensor P.C.B; Disassembly of USB P.C.B

Panasonic SA-MAX200PH
122 pages
Print Icon
To Next Page IconTo Next Page
To Next Page IconTo Next Page
To Previous Page IconTo Previous Page
To Previous Page IconTo Previous Page
Loading...
35
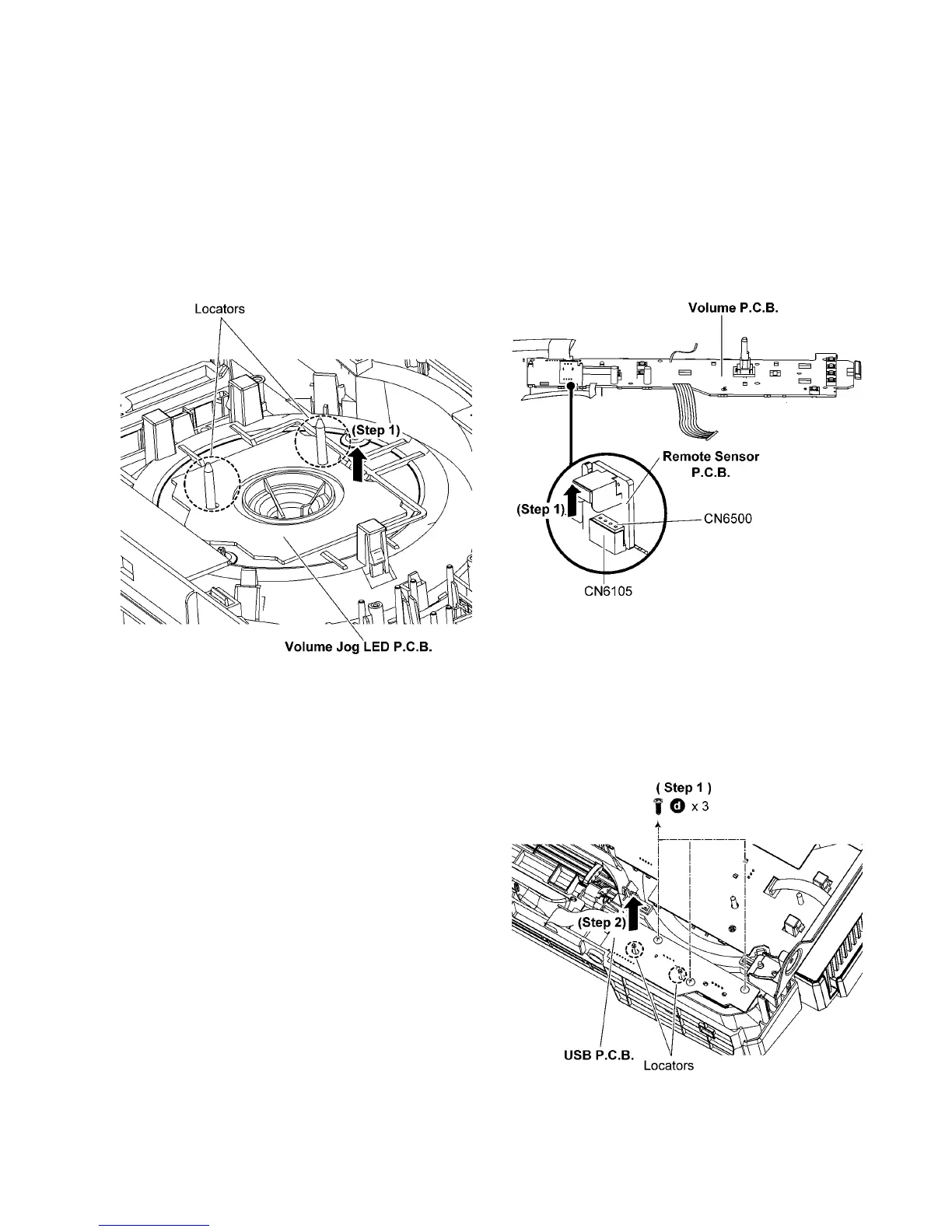
10.11. Disassembly of Volume Jog
LED P.C.B.
Refer to “Disassembly of Top Cabinet”.
Refer to “Disassembly of Front Panel Unit”.
Refer to “Disassembly of FL Display P.C.B.”.
Refer to “Disassembly of Control P.C.B.”.
Refer to “Disassembly of Volume P.C.B.”.
Step 1 Lift up to remove the Volume Jog LED P.C.B..
Caution: During assembling, ensure that the Volume Jog
LED P.C.B. is properly located & fully seated onto the Front
Panel Unit.
10.12. Disassembly of Remote Sensor
P.C.B.
Refer to “Disassembly of Top Cabinet”.
Refer to “Disassembly of Front Panel Unit”.
Refer to “Disassembly of FL Display P.C.B.”.
Refer to “Disassembly of Control P.C.B.”.
Refer to “Disassembly of Volume P.C.B.”.
Step 1 Remove the the Remote Sensor P.C.B..
Caution: During assembling, ensure that the Remote Sen-
sor P.C.B. is properly inserted & fully connected to the Vol-
ume P.C.B..
10.13. Disassembly of USB P.C.B.
Refer to “Disassembly of Top Cabinet”.
Refer to “Disassembly of Front Panel Unit”.
Step 1 Remove 3 screws.
Step 2 Lift up to remove the USB P.C.B..
Caution: During assembling, ensure that the USB P.C.B. is
properly located & fully seated onto the Front Panel Unit.

Table of Contents

Related product manuals