EasyManua.ls Logo

Panasonic SA-VK480EE - Deck

Panasonic SA-VK480EE
163 pages
Print Icon
To Next Page IconTo Next Page
To Next Page IconTo Next Page
To Previous Page IconTo Previous Page
To Previous Page IconTo Previous Page
Loading...
110
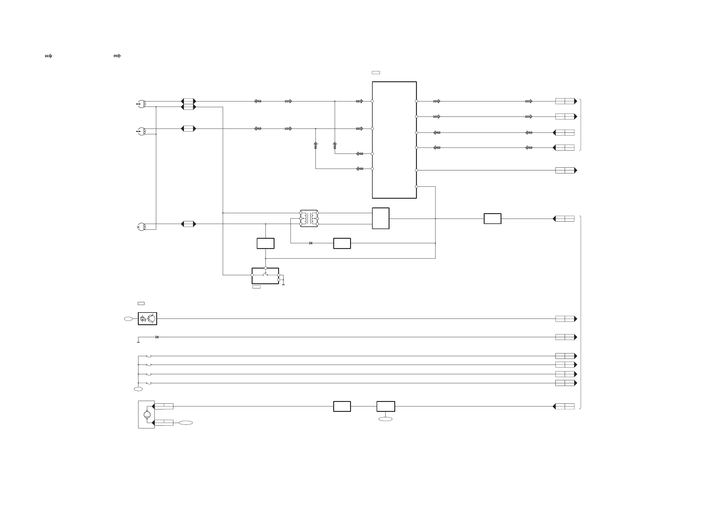
15.6. Deck
19
4
PB LOUT
REC LIN
REC RIN
PB ROUT
16
7
TPS OUT
PB/REC SW
6
9
PB RIN
1
PB LIN
22
REC LOUT
15
REC ROUT
8
LCH
R/P HEAD
RCH
R/P HEAD
ERASE HEAD
: AUDIO OUTPUT SIGNAL LINE
: TAPE AUDIO INPUT SIGNAL LINE
PB/REC PRE AMP
AN7326K
IC1001
94
CN2751
CN1303
85
CN2751
CN1303
10 3
CN2751
CN1303
76
CN2751
CN1303
38
CN2752
CN1304
56
CN2752
CN1304
112
CN2751
CN1303
67
CN2751
CN1303
58
CN2751
CN1303
4
23
5
GND
CTRL2
CTRL1
HEAD SW
AUDIO HEAD SWITCH
C1AA00000612
IC1000
BEATPROOF
SWITCH
Q1317
SWITCH
Q1312
MOTOR
DRIVE
Q1316
MOTOR DRIVE
CONTROL
Q1314
L1301
6
4
5
1
3
2
D1301
Q1309, Q1310
BIAS
SWITCH
INVERTER
Q1304, Q1303
PHOTO INTERUPTOR
CNB13030R2AU
IC971
VREF
D951
-
2
-
1
WR1903*
WR1903*
MOTOR
M
110
CN2752
CN1304
29
CN2752
CN1304
65
CN2752
CN1304
MOTOR 9V
MOTOR 9V
S951 MODE
S952 HALF
S953 REC SW
92
CN2752
CN1304
S954 RECINH R
VREF-
FROM/TO
AUDIO
TO
SYSTEM CONTROL
FROM/TO
SYSTEM CONTROL
SA-VK480EE DECK BLOCK DIAGRAM
2
CN1301
3
CN1301
4
CN1301
5
CN1301

Table of Contents

Related product manuals