EasyManua.ls Logo

Panasonic SA-VK480EE - Disassembly of Music Port P.C.B.; Disassembly of CD Lid

Panasonic SA-VK480EE
163 pages
Print Icon
To Next Page IconTo Next Page
To Next Page IconTo Next Page
To Previous Page IconTo Previous Page
To Previous Page IconTo Previous Page
Loading...
59
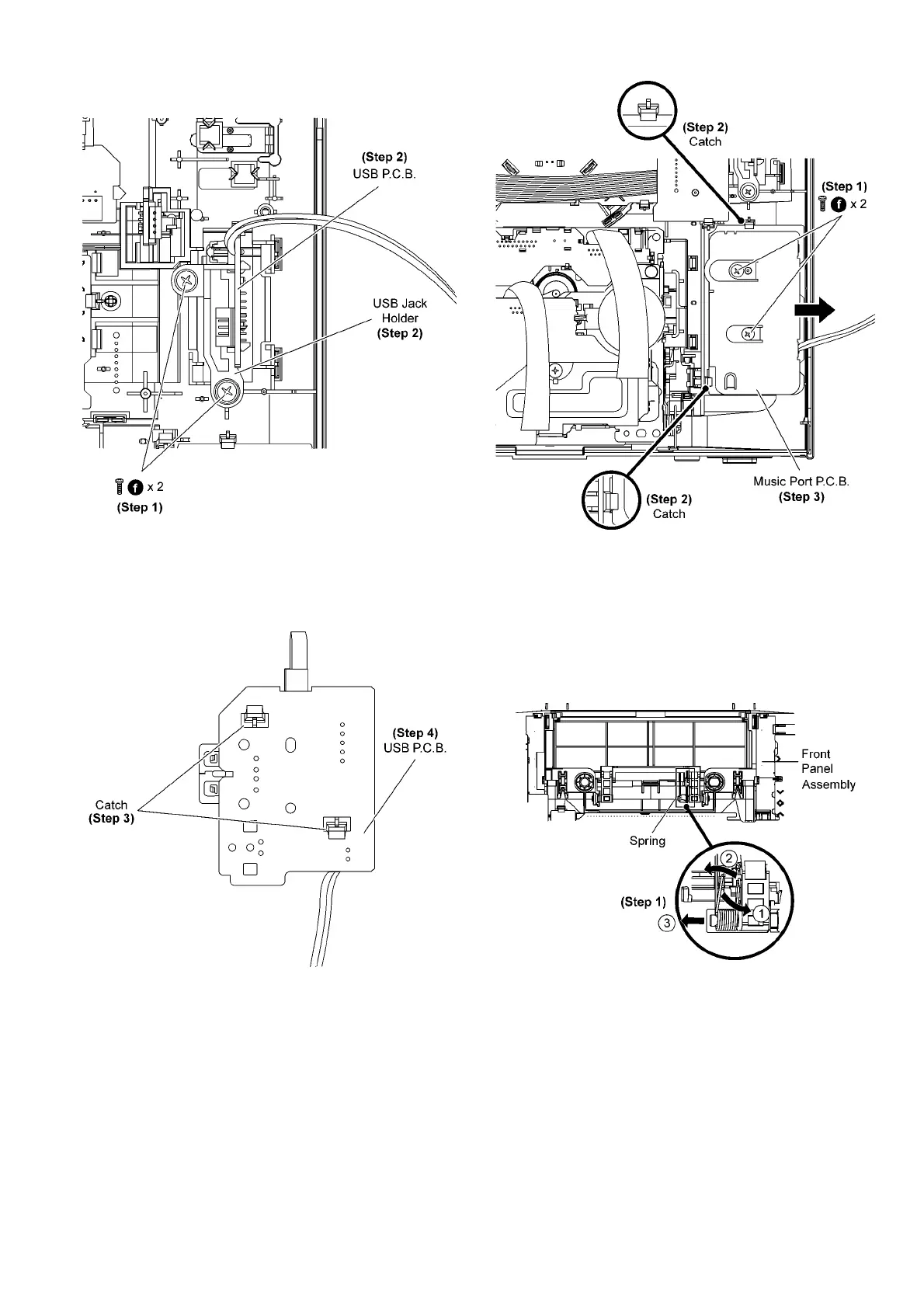
Disassembly of USB Jack holder.
Step 1 Remove 2 screws at USB Jack holder.
Step 2 Remove the USB Jack Holder together with USB
P.C .B ..
Disassembly of USB P.C.B..
Step 3 Release the catches at USB P.C.B..
Step 4 Remove the USB P.C.B..
9.11. Disassembly of Music Port
P. C. B .
Follow the (Step 1) to (Step 5) of Item 9.3
Follow the (Step 1) to (Step 12) of Item 9.7
Step 1 Remove 2 screws at Music Port P.C.B..
Step 2 Release 2 catches.
Step 3 Lift up to remove Music Port P.C.B..
9.12. Disassembly of CD Lid
Follow the (Step 1) to (Step 5) of Item 9.3
Follow the (Step 1) to (Step 12) of Item 9.7
Step 1 Remove the spring as arrow shown in order of
sequences (1) to (3).

Table of Contents

Related product manuals