EasyManua.ls Logo

Panasonic SA-VK480EE - Assembly of Regulator Diode (D5803); Disassembly of AC Inlet P.C.B.

Panasonic SA-VK480EE
163 pages
Print Icon
To Next Page IconTo Next Page
To Next Page IconTo Next Page
To Previous Page IconTo Previous Page
To Previous Page IconTo Previous Page
Loading...
80
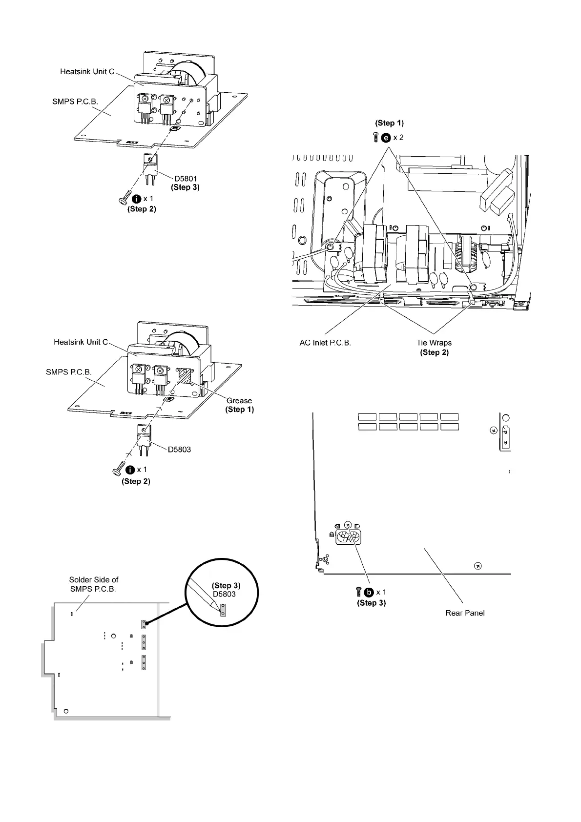
Step 2 Remove 1 screw.
Step 3 Remove the Regulator Diode (D5803) from the Heatsink
Unit C.
Caution: During replacement of the part, avoid touching
the heatsink, it may lead to injuries.
9.27.2. Assembly of Regulator Diode
(D5803)
Step 1 Apply grease to the Heatsink Unit C.
Step 2 Mount & screw the regulator diode (D5803) to the Heat-
sink Unit C on SMPS P.C.B..
Caution: Ensure the Regulator Diode (D5803) is well tight-
ened to the Heatsink Unit C.
Step 3 Solder pins of the Regulator Diode (D5803) on the sol-
der side of SMPS P.C.B..
Caution: Ensure pins of the regulator diode (D5803) are
properly seated and soldered on SMPS P.C.B..
9.28. Disassembly of AC Inlet P.C.B.
Follow the (Step 1) to (Step 5) of Item 9.3
Step 1 Remove 2 screws at AC Inlet P.C.B..
Step 2 Cut 2 tie wraps.
Caution: During assembling, ensure that new tie wraps are
replaced and tie properly to the wires.
Step 3 Remove 1 screw at the rear panel.

Table of Contents

Related product manuals