EasyManua.ls Logo

Panasonic SA-VK480EE - Page 81

Panasonic SA-VK480EE
163 pages
Print Icon
To Next Page IconTo Next Page
To Next Page IconTo Next Page
To Previous Page IconTo Previous Page
To Previous Page IconTo Previous Page
Loading...
81
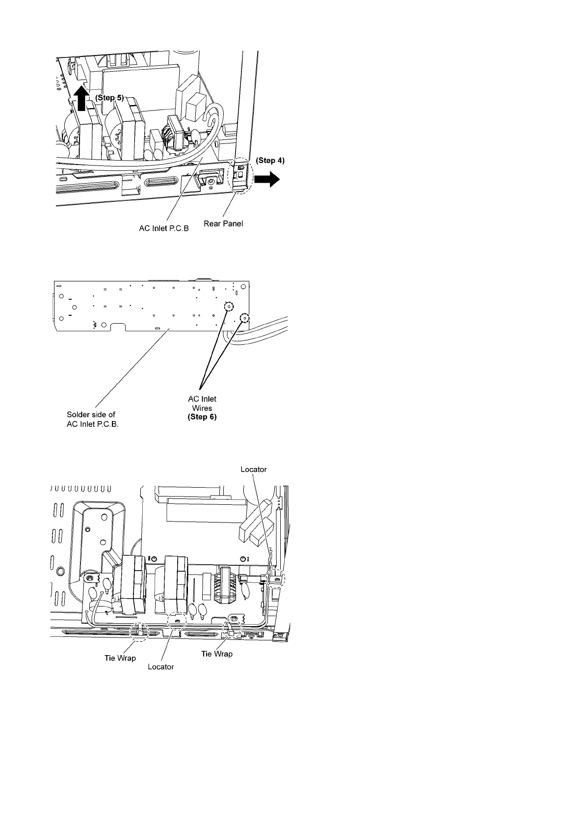
Step 4 Detach the rear panel slightly backward as arrow
shown.
Step 5 Lift up the AC Inlet P.C.B..
Step 6 Flip over the AC Inlet P.C.B. and desolder AC Inlet wires
(red and black).
Caution: During assembling, ensure the P.C.B. is seated
properly at the locators.
Caution: Remember to use tie wraps to tie red & black
wires between AC Inlet P.C.B. to the chassis.

Table of Contents

Related product manuals