EasyManua.ls Logo

Panasonic SA-VK480EE - Page 52

Panasonic SA-VK480EE
163 pages
Print Icon
To Next Page IconTo Next Page
To Next Page IconTo Next Page
To Previous Page IconTo Previous Page
To Previous Page IconTo Previous Page
Loading...
52
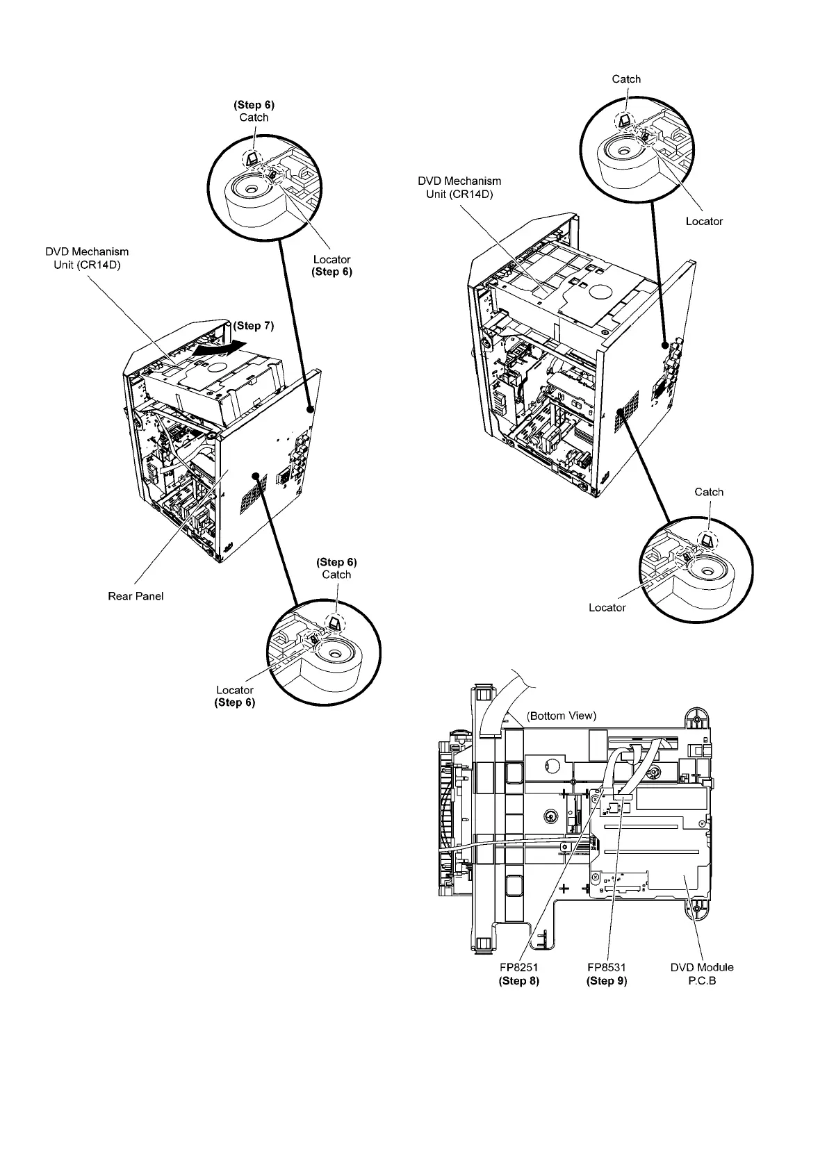
Caution: During assembling, ensure the claws are fully
catched.
Step 6 Release the DVD Mechanism Unit (CR14D) from the
catches and locators.
Step 7 Lift up DVD Mechanism Unit (CR14D) in the direction of
arrow.
Caution: During assembling, ensure that the DVD Mecha-
nism Unit (CR14D) is seated properly at the locator.
Step 8 Detach 7P FFC at the connector (FP8251).
Step 9 Detach 26P FFC at the connector (FP8531).

Table of Contents

Related product manuals