EasyManua.ls Logo

Philips 32PFL9432/98 - SSB: PNX85 xx: Audio B04 I

Philips 32PFL9432/98
215 pages
Print Icon
To Next Page IconTo Next Page
To Next Page IconTo Next Page
To Previous Page IconTo Previous Page
To Previous Page IconTo Previous Page
Loading...
116Q528.1A LA 7.
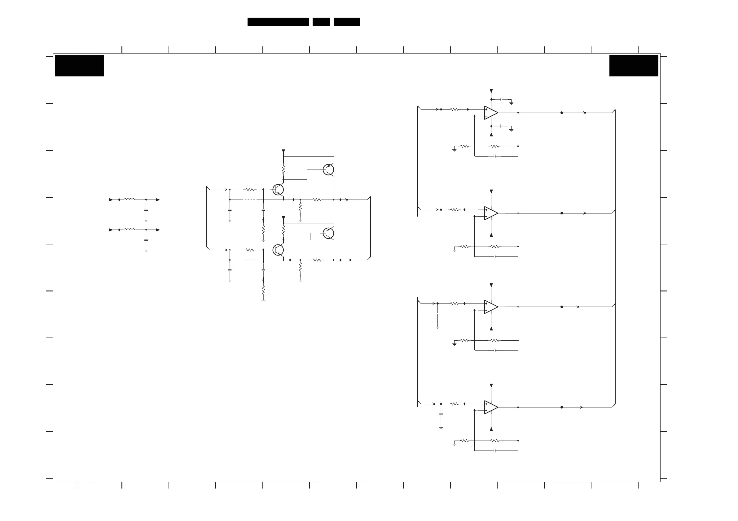
Circuit Diagrams and PWB Layouts
SSB: PNX85xx: Audio
IHMA B9
IHMB D9
IHMC F9
IHMG E6
IHMV B9
IHMW B8
IHMY A9
IHMZ B9
IHN0 C5
IHN3 D8
IHN4 E5
IHN6 D9
IHN8 C5
IHN9 H9
IHNA F9
IHNB F8
IHND H8
IHNE H9
IHNF D5
IHNG C5
IHNH E5
IHNJ D5
IHNK E5
3HMT H9
3HMU E6
3HMV E4
3HMW D5
3HMY C5
3HMZ C4
5HM0 C2
5HM1 D2
7HM1-1 B9
7HM1-2 D9
7HM1-3 F9
7HM1-4 H9
7HM2-1 C5
7HM2-2 E5
7HM3 C6
7HM4 D6
9HM1 D4
9HM2 E4
FHM0 B11
FHM1 D11
FHM2 F11
FHM3 H11
IHM1 C6
IHM6 D1
IHM9 D1
3HME B9
3HMF B9
3HMG B9
3HMH E9
3HMJ E9
3HMK D9
3HML D6
3HMM G9
3HMN G9
3HMP F9
3HMR I9
3HMS I9
PNX 85xx: AUDIO
D
E
F
H
I
A
B
C
D
E
F
2HMP C9
2HMT E9
2HMW G9
2HMY H8
2HMZ I9
2HN1 F8
3HMA D5
3HMB E5
3HMC D4
3HMD E4
9101112
12345678
9101112
B
C
G
H
I
2HM3 D4
2HM4 D4
2HM5 E4
2HM8 E4
2HMG D2
2HMH D2
2HMJ A10
2HMN B10
12345678
2HMN
100n
3n3
2HM3
IHND
IHMY
10K
3HMN
IHNB
3HMJ
10K
10
9
8
4
11
LM324
7HM1-3
10K
3HMF
IHN8
IHN0
IHN4
IHNF
33p
2HMW
4
11
FHM2
LM324
7HM1-2
5
6
7
10K
VP
3HMS
AUDIO-VEE
IHM9
AUDIO-VDD
AUDIO-VEE
3HMZ
22K
33p
2HMP
2
6
1
BC847BS
7HM2-1
3HMW
2K2
3HMT
5K6
AUDIO-VEE
IHMW
AUDIO-VDD
IHN6
FHM3
FHM0
AUDIO-VEE
5HM0
220R
220R
5HM1
2HMH
1u0
IHNK
IHNH
IHNJ
1
3
2
IHM1
7HM3
1
3
2
7HM4
BC857BW
BC857BW
22K
3HMD 3HMC
22K
100n
2HM5 2HM4
100n
3HMU
2K2
IHMG
3n3
2HMY
IHMV
VN
3HME
10K
10K
3HMH
100n
2HMJ
5K6
3HMG
10K
3HMR
9HM2
2HMZ
33p
IHNE
AUDIO-VDD
AUDIO-VDD
470R
3HMB
3HMK
5K6
22K
3HMV
2K2
3HMY
IHMZ
IHN3
13
14
4
11
IHNA
LM324
7HM1-4
12
3HML
2K2
IHNG
1u0
2HMG
BC847BS
5
3
4
AUDIO-VDD
7HM2-2
9HM1
3HMA
470R
IHN9
5K6
3HMP
IHMC
IHMB
AUDIO-VEE
IHMA
2HMT
33p
2HN1
3n3
AUDIO-VDD
AUDIO-VDD
2HM8
3n3
IHM6
3
2
1
4
11
FHM1
LM324
7HM1-1
3HMM
10K
+AUDIO-L
-AUDIO-R
AUDIO-OUT-L
AUDIO-OUT-R
ADAC(7)
ADAC(8)
ADAC(5)
ADAC(2)
ADAC(6)
ADAC(1)
AUDIO-CL-L
AUDIO-CL-R
B04I
B04I
3104 313 6198.3
H_16790_016.eps
160807

Table of Contents

Related product manuals