EasyManua.ls Logo

Philips 32PFL9432/98 - SSB: Pacific 3: Display & Interfacing B06 B

Philips 32PFL9432/98
215 pages
Print Icon
To Next Page IconTo Next Page
To Next Page IconTo Next Page
To Previous Page IconTo Previous Page
To Previous Page IconTo Previous Page
Loading...
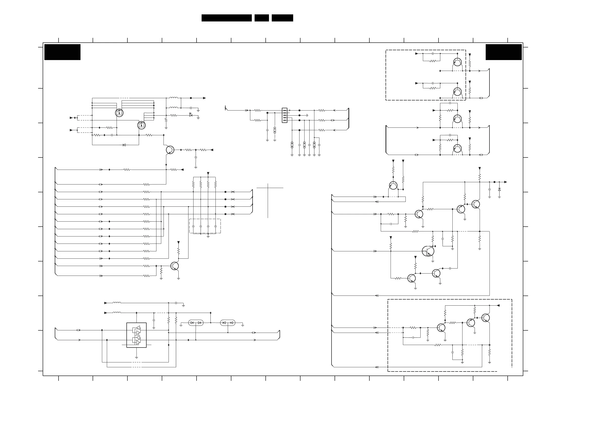
Circuit Diagrams and PWB Layouts
129Q528.1A LA 7.
SSB: Pacific 3: Display & Interfacing
IG78 F2
IG79 F2
NOTE : CAN BE
3GC2 I12
3GC3 I13
IG53 C2
IG54 B2
7G54 B3
7G55 C4
FG58 C7
FG59 D13
IG93 C4
IG94 C4
IG95 C3
IG96 C2
IG97 D4
IGA5 H13
FG60 B6
IG51 I2
7G52 B2
IG81 H5
IG82 I4
3G98 G3
3G99 G3
7G56 F11
7G57 G4
FG52 E5
FG53 E5
IG75 E2
IG61 A12
IG62 B12
IG64 B12
IG65 G3
IG66 C12
IG77 F2
RESERVED
RESERVED
9G50 H3
9G53 I3
9G48 I10
9G49 H10
3GC0 H11
3GC1 I11
3G81 E3
3G82 A11
3GC4 D13
3GC8 I11
IG83 I4
IG84 E10
IG80 H3
FG54 E5
FG55 B7
FG56 B8
FG57 C7
IG90 F13
IG91 D10
IG92 B3
PDP-GO
IG50 H2
IG52 D10
7G53 E11
3G96 F3
3G97 G3
3G63 C2
3G64 C3
3GA0 B12
3GA1 C12
7G58-1 E13
7G58-2 E12
IG55 A12
IG58 A12
IG59 F2
IG60 A12
IGB2 G12
IGB3 G11
IG72 D2
IG73 E2
3GB8 H12
3GB9 H12
3G80 D3
2G69 C6
2G70 C7
3G83 A12
3G84 E3
5G50 H2
5G51 H2
9G54 I3
9G55 E10
9G56 F12
9G57 A12
9G58 B12
9G59 C12
IG88 E10
IG89 E10
FG51 D5
3G61 E11
3G62 F11
C
D
3G65 F12
3G66 F13
3GA2 C12
3GA3 C12
IGA6 H12
IGA7 H12
IGA8 H11
IGA9 H11
IGB0 I13
IGB1 F11
IG70 D12
IG71 C4
7G66-2 H13
RESERVED
2G68 C12
11 12
2G71 C8
2G72 C8
3G85 E3
3G86 E3
9G60 C12
9G61 B2
9G77 B1
IG85 E12
IG86 E11
IG87 E12
9G82 I12
FG50 B4
7G51 D10
13
B
3G59 C2
3G60 D3
A
B
12
3G67 C4
3G68 C5
7G59-1 G11
7G59-2 G12
7G60-1 A12
IG67 C12
IG68 C12
IG69 C12
7G65 H12
7G66-1 H13
3GB7 H12
10 11 12
1
CPU-GO
I2C-BUFFER
910
2G75 D13
2G76 B4
5G55 B4
5G56 B4
6G50 C2
9G78 B1
9G79 C1
9G80 C1
6G55 D13
7G50 H2
3G95 B12
WIRE BRIDGE
*
F
A
H
C
D
F
H
I
1D42 B7
2G50 H4
2G51 H3
2G54 B4
SDI
3GA4 G11
3GA5 D10
3GA6 E11
7G60-2 A12
7G61-1 B12
7G61-2 C12
3GB0 C8
3GB5 B6
3G79 D5
9
2G64 E5
2G65 E5
3 135
2
7
VDISP-SWITCH
3 5678
3G87 A11
3G88 F3
3G89 B12
6G51 B4
6G52-1 H4
6G52-2 H6
3G93 F3
3G94 F4
3G58 E10
G
2G55 E10
I
2G58 G12
E
G
PDWN
2G60 C4
2G61 A11
3G69 F10
3G70 F11
3G71 D2
3GA7 B8
3GA8 B6
3GA9 B8
E
2G62 A11
2G63 E4
IRQ
46
FHP
8
RESET
4
3G51 H4
3G54 D10
3G55 E12
3G56 B4
3G57 E11
2G78 I11
2G79 I12
3G50 H4
3G90 F3
3G91 F3
3G92 B12
2G66 E5
2G67 B12
CAPACITOR OR
PACIFIC 3: DISPLAY-INTERFACING
3G72 D4
3G73 G10
3G76 D4
3G77 D5
3G78 D5
TO DISPLAY
2G57 C2
2G59 F12
4
3
5
RES
6G52-2
BAV99S
IGB1
47K
3G73
IG55
RES
3G61
+3V3-STANDBY
3G97
RES
2K2
47R
RES
100K
3G76
RES
9G82
IG52
9G77
3GB9
10K
RES
FG59
3G91
47R
RES47R
3G84
RES
3GA5
10K
9G55
3G67
IGB3
10K
3G89
2K2
IG81
+3V3
RES
RES
7G52
SI4835BDY
47R
3G78
47K
9G53
3G55
IG72
IG73
+3V3
2G60
100n
IGA6
1u0
2G58
FG56
IG85
IGA9
2G54
100n
RES
4K7
3G54
4K7
3G58
5
3
4
1K0
3GC3
+12V
BC847BPN
7G66-2
RES
IG92
9G80
IG95
FG52
IG62
FG54
9G54
100p
2G72
+3V3-STANDBY
1K0
3GA7
IGB0
100R
3GB0
IGA7
IG88
2G59
1u0
RES
2G66
100p
+5V-ON
IG77
47R
3G90
RES
2G62
470p
+3V3
IG61
10K
3G87
IG68
FG51
9G79
RES
2G70
100p
470p
2G67
3GC2
33K
3G85
47R RES
47R RES
+3V3-STANDBY
3G81
2
3G79
10K
BC847BW
7G51
RES
1
3
7G57
BC847BW
100p
2G71
3G59
47K
RES
2G50
100n
IG60
RES
100R
3GA8
IG97
3GB5
100R
+5V-ON
3GA2
4K7
IG67
6
1
1K0
3G66
7G59-1
BC847BS
2
+5V-STANDBY
RES
3G62
1K0
4K7
3G94
100p
2G63
+3V3
FG53
+5V-ON
3G77
9G59
RES
47R
BC847BPN
7G66-1
2
6
1
IGA8
IGA5
IG86
10K
3G50
2
6
1
RES
IG66
BC847BS
7G60-1
+5V-STANDBY
IG79
9G57
1
6
2
+8V2-PAS
RES
BAV99S
6G52-1
RES
3GC8
1K0
3G86
47R
1
3
2
10K
3G68
BC847BW
7G55
2G64
100p
IG69
9G50
100p
2G65
RES
IG51
IG58
IG70
3GC0
4K7
3G80
RES
IG89
47R
2G79
1u0
+3V3
+5V-ON
IG64
SCL1
3SDA0 6SDA1
8
VCC
5EN
4
GND
1
NC
2 SCL0 7
3GA1
RES
PCA9515ADP
7G50
10K
2K2
3G83
3GA9
100R
1
3
2
+3V3
BC847BW
7G65
+3V3
FG50
9G49
+3V3
7G54
SI3441BDV
10K
3G69
IG59
1u0
2G57
47R
3G63
IG50
470p
2G61
+12V-DISP
+3V3
3GB8
12K
1
3
2
470p
2G78
4
BC847BW
7G53
5
3
6G51
7G60-2
BC847BS
4K7
SML-310
VDISP
3G72
5G56
220R
IG91
IG65
2K2
3GA3
IG90
2K2
3GA0
3G56
2K2
7G61-2
5
3
4
BC847BS
2
6
1
BZX384-C5V6
6G50
BC847BPN
7G58-1
100R
3G71
120R
5G50
+5V-ON
3G51
10K
RES
16V
RES
RES
5
2G76
10u
1
2
3
4
IG87
1D42
3G88
47R RES
220R
IG71
5G55
470p
2G68
47R
3G93
RES
2G75
1u0
RES
RES
3G65
15K
RES
9G56
9G48
IG53
IG84
IG94
BZX384-C8V2
6G55
RES
9G58
3G82
10K
470p
2G55
RES
9G60
2K2
RES
3GC1
IG83
IG80
RES
2G51
100n
3G57
27K
RES
9G61
7G61-1
BC847BS
2
6
1
5
3
4
BC847BPN
7G58-2
3GA6
12K
4K7
3G95
FG55
120R
9G78
RES
5G51
FG58
10K
3G92
100K
3G99
IG78
3G64
47K
22K
3G70
RES
IG75
IGB2
1R0
IG93
3GC4
7G56
PDTC114EU
RES
2G69
100p
IG82
IG96
3G98
100K
+8V2-PAS
FG57
5
3
4
BC847BS
7G59-2
3GB7
47K
100R
3G60
RES
3G96
FG60
47R
IG54
3GA4
10K
CTRL-DISP3
CTRL-DISP1
SCL-SSB-MUX1
SDA-SSB-MUX1
CTRL1-MIPS_LCD-PWR-ON
CTRL1-STBY_LAMP-ON
CTRL2-STBY_BACKLIGHT-CTRL_RESET-P3
CTRL4-STBY_SELECT-PWM-ANA
CTRL4-STBY_SELECT-PWM-ANA
CTRL5-STBY_BACKLIGHT-BOOST
CTRL2-STBY_BACKLIGHT-CTRL_RESET-P3
BACKLIGHT-BOOST
ON-MODE
CTRL4-FPGA
CTRL3-FPGA
CTRL2-FPGA
CTRL1-FPGA
POD-MODE
CTRL1-MIPS_LCD-PWR-ON
CTRL-DISP2
CTRL5-STBY_BACKLIGHT-BOOST
CTRL3-STBY_POWER-OK-DISP
SCL-I2C4-DISP
SDA-I2C4-DISP
P3-VS
BACKLIGHT-OUT
SCL-AMBI
SDA-AMBI
SDA-AMBI
SCL-AMBI-3V3
SDA-AMBI-3V3
BACKLIGHT-CONTROL
CTRL1-STBY_LAMP-ON
LAMP-ON-OUT
SCL-AMBI
CTRL-DISP4
CTRL4-P3
BACKLIGHT-OUT
SCL-I2C4-DISP
SDA-I2C4-DISP
B06B B06B
3104 313 6198.3
H_16790_029.eps
160807

Table of Contents

Related product manuals