EasyManua.ls Logo

Philips 32PFL9432/98 - SSB: Audio Left; Right B11 A

Philips 32PFL9432/98
215 pages
Print Icon
To Next Page IconTo Next Page
To Next Page IconTo Next Page
To Previous Page IconTo Previous Page
To Previous Page IconTo Previous Page
Loading...
142Q528.1A LA 7.
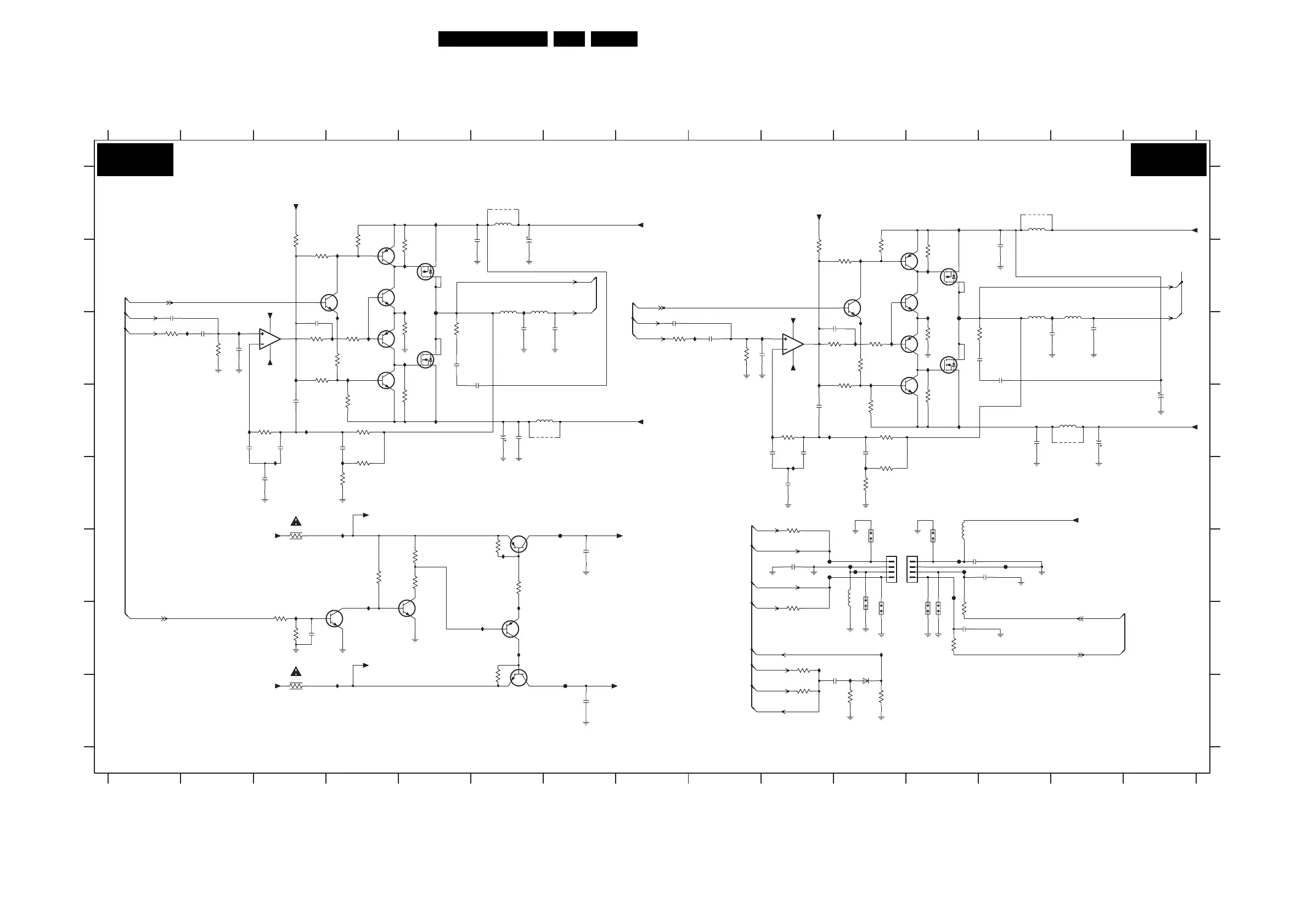
Circuit Diagrams and PWB Layouts
SSB: Audio Left / Right
ID60 G6
ID61 G6
ID38 C12
ID29 H4
ID30 B6
ID39 C11
ID40 C12
ID41 C11
ID42 D12
ID13 E3
ID14 G6
ID45 D10
ID46 E11
ID47 A12
ID57 F6
ID58 G4
ID59 G3
ID22 E10
ID23 G10
ID24 G11
ID26 C4
ID27 F4
ID28 C11
FD28 F7
FD49 C12
ID31 C10
ID32 C14
ID33 D10
ID35 B11
ID36 C11
ID37 B12
ID07 B5
ID08 B5
ID09 C4
ID10 C5
ID11 C4
ID12 D5
7D32-2 C11
7D34 D11
ID15 D2
ID16 E4
ID17 A5
ID18 H11
ID20 C9
ID21 D10
7D61 G6
9D02 A6
9D03 D7
9D04 D14
9D05 A13
FD00 F10
FD01 F11
FD02 F12
FD03 F13
FD04 F12
FD05 F12
FD19 C5
FD25 F11
FD26 F10
FD27 H7
5D02 D7
5D03 A13
ID01 C2
ID02 C2
ID03 C3
ID04 D3
ID05 B4
ID06 C4
6D15 H11
7D00-2 C3
7D00-3 C10
7D02-1 B4
7D02-2 C4
7D05 B4
7D06 B4
7D09 D4
7D10-1 B5
7D10-2 C5
7D30 B11
7D31 B11
7D32-1 B12
3D26 D11
3D27 D3
7D35-1 B12
7D35-2 C12
7D55 E6
7D58-1 G5
7D58-2 G6
7D59 G3
3D36 G12
L/R
3D37 E4
3D38 C4
3D39 H3
3D40 E11
3D55-1 F6
3D55-2 F6
3D55-3 H6
3D58 F4
3D61-1 G3
3D61-2 G3
3D61-3 F5
3D61-4 F5
5D00 B6
5D01 A6
3D09 C5
3D10 B10
5D04 D14
5D05 F11
5D06 F12
5D07 C13
5D10 B6
5D11 C14
3D14-2 H11
3D14-3 G10
3D14-4 H10
3D15 C3
3D16 C12
3D17 C12
3D18 C8
3D19 C11
3D20 C9
3D21 C11
3D22 C11
3D23 G12
3D25 D4
2D33 D10
2D34 D10
3D28 D4
3D29 D10
3D30 D11
3D31 E4
3D32 E11
3D35 C5
2D57 G3
3D00 B3
3D01 B4
3D02 E10
3D03-1 B3
3D03-2 B5
3D03-3 C3
3D03-4 D5
3D04 F3
3D05 C1
3D06 C4
3D07 C2
3D08 G10
2D09 C6
2D10 C3
3D11 B11
3D13-1 B11
3D13-2 D11
3D13-3 D12
3D13-4 B12
3D14-1 H11
2D17 C9
2D18 C6
2D19 C7
2D20 C13
2D21 C11
2D22 C12
2D23 C13
2D24 D7
2D25 H7
2D26 D6
2D27 F10
2D28 D13
2D29 D14
2D30 D2
2D31 D3
2D32 D4
67
2D35 D11
2D36 E3
2D37 E10
2D39 D15
2D40 C14
2D44 H11
14
AUDIO LEFT / RIGHT
1D51 G11
1D52 G11
1D53 G12
1D54 G12
1D55 F12
2D00 B6
2D01 B6
2D02 F7
2D03 F12
2D04 C1
2D05 C2
2D06 F13
2D07 C2
2D08 C5
C
D
2D11 B13
2D12 C8
2D13 D3
2D14 D10
2D15 C9
2D16 G12
1D50 F11
56789101112131415
1 2 3 4 5 8 9 10111213
4
15
A
B
C
D
E
F
G
H
A
B
E
F
G
H
1735 F11
1738 F12
5D07
22u
123
22K
3D03-1
18
2D28
1u0
ID22
ID21
GNDSND
ID38
35V470u
2D39
3D61-4
22K
45
ID27
3D58
47K
BC847BPN
5
3
4
2D06
1n0
7D02-2
2
6
1
GND-SPK
7D02-1
BC847BPN
ID12
VN
GNDSND
100n
2D25
ID15
GND
BC817-25W
7D34
BC847BW
7D05
100n
2D36
2D15
100n
36
100K
3D28
22K
3D55-3
7D00-2
LM339P11
10
13
3
12
ID10
3K3
3D00
30R
5D11
220R
5D04
GND
3K9
3D29
2n2
2D23
3D18
10K
GNDSND
470n
2D20
ID35
5D05
220R
2D08
2n2
1D51
1D52
GNDSND
3D32
10K
470u
2D24
FD49
35V
7D30
BC847BW
GND
2D35
1u0
27
VN
22K
3D03-2
ID06
27
ID42
3D61-2
22K
7D31
BC807-25W
1u0
2D11
2D18
470n
1D53
1D54
7D09
BC817-25W
6D15
BAS316
ID36
GND
ID18
1D50
GND
2D16
1n0
12
100R
3D36
GND
ID47
ID41
1D55
FD03
16V
ID58
2
3
4
2D29
1m0
B4B-PH-K
1738
1
7
8
2
1
ID60
7D10-2
SI4532ADY
3D14-3
22K
36
FD28
VP
7D55
BC807-25W
36
3D40
560R
22K
3D13-3
3D10
3K3
FD01
10K
3D31
3D19
22K
VN
GND
220R
5D10
10n
2D27
FD25
VP
ID57
9D03
GNDSND
9D02
+AUDIO-POWER
GNDSND
ID31
1u0
2D01
2D02
100n
GNDSND
22u
5D00
2D17
680p
VP
VPP
VNN
GND
GND GND
2D44
10p
ID40
2
3D17
4R7
3D23
100R
1
7D35-1
SI4532ADY
5
6
4
3
2D30
1n5
22K
3D14-1
18
ID11
-AUDIO-POWER
FD26
SI4532ADY
7D35-2
7
8
2
1
27
22K
3D13-2
BC807-25W
7D06
7
1n5
2D31
3D55-2
22K
2
3D39
10R
ID03
45
ID02
36
22K
3D03-4
3
22K
3D61-3
5
6
4
GNDSND
SI4532ADY
7D10-1
ID45
ID13
ID33
GNDSND
5
ID46
3D13-4
22K
4
18
VP
22K
3D61-1
3D16
330R
B4B-PH-K
1735
1
2
3
4
ID37
+AUDIO-POWER
680p
2D07
ID09
10K
3D05
2D14
GND
22p
10R
3D04
+3V3-STANDBY
ID04
+AUDIO-POWER
GND
GND
ID08
GND
FD04
FD02
ID24
GNDSND
1K2
3D25
2D26
1u0
3D22
4R7
3D09
1M0
GNDSND
45
2D19
2n2
GNDSND
22K
3D14-4
30R
5D06
12
FD00
ID39
GND
18K
3D07
GNDSND
30R
5D03
1n5
2D33
GNDSND
22K
3D06
-AUDIO-POWER
VP
GND-SPK
GNDSND
3D26
1K2
ID23
ID14
ID59
100R
3D02
2D57
1u0
18
2D22
2n2
3D13-1
22K
3D08
100R
22K
3D14-2
27
ID20
30R
3D27
3K9
5D01
2D37
100n
GNDSND
2D03
1n0
GND
BC817-25W
7D61
ID16
GND
100n
2D05
30R
5D02
1K2
3D21
3D20
18K
FD05
GND
-AUDIO-POWER
330R
3D35
1M0
3D15
3D55-1
22K
18
7D59
BC847BW
1
3
2
2
6
1
ID17
7D32-1
BC847BPN
9D04
1u0
2D32
2D40
9D05
GND
2n2
7D58-1
2
6
1
GNDSND
GND
BC847BPN
2D34
1n5
ID29
ID07
ID05
2D10
10n
10n
2D21
3D38
1K2
10p
5
3
4
2D12
BC847BPN
7D58-2
FD19
3D30
100K
1K2
3D01
ID26
ID28
2D13
22p
3D03-3
22K
36
2D00
1m0 16V
3D11
1K2
560R
3D37
10p
2D04
GNDSND
5
3
4
GND-SPK
ID01
ID32
7D32-2
BC847BPN
7D00-3
LM339P
5
4
2
3
12
ID30
ID61
FD27
2D09
2n2
LEFT-SPEAKER
RIGHT-SPEAKER
FEEDBACK-RL
DC-SENSE
FEEDBACK
RIGHT-SPEAKER
LEFT-SPEAKER
FEEDBACK-LR
+AUDIO-L
-AUDIO-R
AUDIO-MUTE
AUDIO-PROT
ON-MODE
MUTE
FEEDBACK
FEEDBACK
FEEDBACK-LR
FEEDBACK-RL
+AUDIO-L
MUTE
-AUDIO-R
B11A B11A
3104 313 6198.3
H_16790_045.eps
160807

Table of Contents

Related product manuals