EasyManua.ls Logo

Philips 32PFL9432/98 - DFI Panel: DC - DC

Philips 32PFL9432/98
215 pages
Print Icon
To Next Page IconTo Next Page
To Next Page IconTo Next Page
To Previous Page IconTo Previous Page
To Previous Page IconTo Previous Page
Loading...
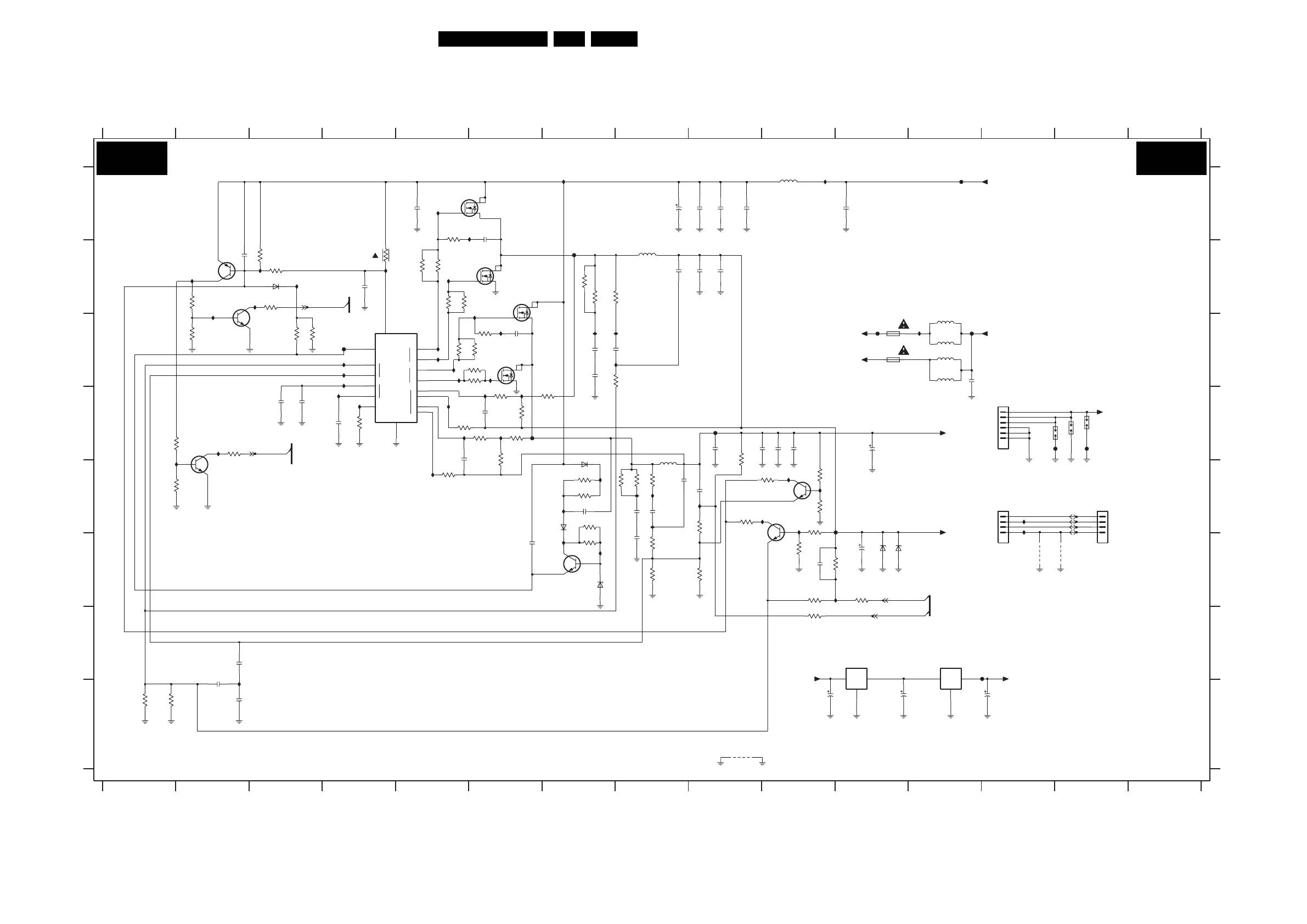
Circuit Diagrams and PWB Layouts
77Q528.1A LA 7.
DFI Panel: DC - DC
VCC
L2
+1
-1
1
2
+2
-2
2
VFB
GATE
IS
COMP
GATE
GND
1
BST
ROSC
H2
L1
H1
COM
OUTIN
COM
OUTIN
C
D
E
F
G
1U02 C11
1U11 D13
1U12 D14
1U13 D14
2U00 B2
2U01 A5
2U02 A9
2U03 A9
2U04 A6
2U05 B4
2U06 A9
2U07 C7
2U08 B8
2U09 B9
2U10 D9
2U11 A11
12
2U12 D10
2U13 C7
2U14 D10
34567
A
B
13 14 15
12345678910111213
12V/3V3 CONVERSION
H
1M09 E13
1M12 E14
1M90 D13
1U01 C11
AMBILIGHT
TO
SUPPLY
TO
SUPPLY
TO
14 15
A
B
C
D
E
F
G
H
2U15 C6
2U16 C7
2U17 D3
2U18 D6
2U19 D4
8 9 10 11 12
2U25 B9
2U26 E7
2U27 E8
2U28 F8
2U29 F6
2U30 F10
2U31 D3
2U32 H10
2U33 F11
2U34 G2
2U35 H11
2U36 H2
2U37 H2
2U38 H13
2U39 C12
2U40 E9
DC / DC
2U41 A8
3U00 B3
3U01 B4
3U03 A5
3U04 D2
3U10 C6
3U11 B7
3U12 C2
3U13 C3
3U14 C3
3U15 B5
3U16 E8
3U17 B7
3U18 E7
3U19 C6
3U20 C5
3U21 B5
3U22 C6
3U23 C6
3U24 C7
3U25 F10
3U26 D6
3U27 D7
3U28 F11
3U30 B3
3U31 D6
2U20 D5
2U21 D9
2U22 D11
2U23 E8
2U24 E8
3U37 D6
3U40 D6
3U41 E10
3U43 E5
3U44 E10
3U45 E7
3U46 E8
3U47 E9
3U48 E7
3U50 E10
3U55 E8
3U58 E9
3U59 E10
3U62 F7
3U63 F8
3U64 F10
3U68 F8
3U69 F9
3U70 F10
3U72 D9
3U05 B2
3U06 B5
3U07 B3
3U08 B7
3U09 B5
5U02 E8
5U04 C12
5U05 C12
5U06 C12
5U07 C12
6U00 B3
6U01 F11
6U02 F11
6U04 E7
6U06 E7
6U08 F7
7U00 C4
7U01-1 A5
7U01-2 B6
7U03-1 C6
7U03-2 B6
3U32 D4
3U33 D5
3U34 D1
3U35 E1
3U36 D6 7U05 E2
7U07 F7
7U08 G11
7U09 G12
7U13-1 C3
7U13-2 B2
7U15-1 E10
7U15-2 E10
9U01 F13
3U73 G10
3U74 H1
3U75 H1
5U00 A10
5U01 B8
9U02 F14
9U03 H9
FU00 A12
FU01 B7
FU02 C12
FU03 C4
FU04 D13
FU05 D6
FU06 D9
FU07 E11
FU10 D14
FU11 G13
FU12 C11
IU33 C5
BOOSTER
IU00 A10
IU01 A7
IU02 A5
IU03 B4
IU04 E9
IU05 B3
IU06 B2
IU07 B3
IU08 B6
IU09 D4
IU11 B3
IU12 B2
IU13 B5
IU16 B6
IU17 C7
12V/1V2 CONVERSION
IU27 C7
IU28 C4
IU30 C5
IU31 C4
IU34 C6
IU35 C12
IU36 D6
IU37 D6
IU38 D4
IU39 D4
IU40 D5
IU43 D6
IU46 D5
IU47 E10
IU48 E5
IU50 E7
IU51 E10
IU52 E8
IU18 C7
IU20 C6
IU21 C5
IU26 C5
IU53 E8
IU54 E7
IU57 E10
IU59 E10
IU60 E8
IU61 E13
IU62 E13
IU63 F7
IU64 F7
IU65 F11
IU68 H2
IU69 E1
IU70 D2
IU37
IU20
1%
470R
3U70
39K
3U32
6K8
3U75
100n
2U00
IU06
470R
3U74
1%
2U20
100n
3U63
1K0
FU10FU04
7U07
BC817-25W
IU35
3U27
6K8
1%
*
3U25
220R
IU52
2U31
1u0
1K0
3U24
7U13-2
BC847BPN
5
3
4
3U04
100R
*
IU50
47u
2U09
IU47
IU43
FU06
9U03
FU05
10K
3U35
*
1u0
2U40
5U00
10u
2U21
47u
5
6
4
3
7U01-2
SI4936ADY
BZG05C3V3
6U02
*
IU07
*
IU34
GND-SIG
BC847BW
7U05
3n3
2U08
IU21
GND-SIG
3U72
100R
2U24
3n3
*
3U55
6K8
IU05
35V22u
2U41
IU17
1u0
2U30
3U03
10R
4R7
3U15
GND-SIG GND-SIG GND-SIG
3U12
10K
2U15
3n3
2U39
220R
5U07
1u0
IU09
IU31
FU03
IU33
6K8
3U31
IU48
2U25
22u
*
2U14
47u
IU54
10u
78
2
1
5U02
FU02
7U03-1
SI4936ADY
IU30
3U44
10K
10K
3U58
4R7
IU38
3U22
1n0
2U27
IU27
22R
3U10
IU18
3U40
6K8
6K8
3U37
3
4
56
+12V-DC
1M12
B4B-PH-SM4-TBT(LF)
1
2
1M09
B4B-PH-SM4-TBT(LF)
1
2
3
4
56
22R
3U06
100n
2U26
3K3
3U36
3U43
3K3
10K
3U00
3U19
GND-SIG
2
6
1
10R
IU01
BC847BS
7U15-1
IU08
IU13
6U04
BAS316
2U01
22u
2U02
220R
5U05
22u
220R
5U04
GND-SIG
IU70
IU68
1u0
2U05
IU36
14
7
10
6.3V330u
2U22
1
16
2
15
3
6
11
5
1213
NCP5422ADR2G
7U00
Φ
4
8
9
2U33
330u 6.3V
IU40
*
BZG05C3V3
6U01
FU12
5U06
220R
FU11
3U16
22R
2U28
1n0
IU26
3U26
3K3
6K8
3U33
9U02
+2V5
1U02
3.0A T
2U07
100n
5U01
10u
2U38
22u 35V
35V22u
2U35
2U32
22u 35V
3U09
22R
3U20
22R
3U23
4R7
5
3
4
BC847BS
7U15-2
1%
3U47
100R
6
1
68R
3U45
7U13-1
BC847BPN
2
2K2
3U64
1
32
+3V3
13
LD1117DT33C
7U09
L78M08CDT
7U08
2
8
2
1
IU11
SI4936ADY
7U01-1
7
100p
2U36
+12VS
IU16
2U37
100n
IU61
IU28
IU57
FU01
IU53
*
4K7
3U68
1u0
2U11
22u
*
2U10
+12V-DC
2U18
IU02
100n
1%
GND-SIG
1K0
3U69
2U12
22u
*
GND-SIG
1%
220R
3U28
100n
2U23
9U01
1n0
2U16
IU60
3U48
68R
IU03
+12V-DC
IU12
IU69
1u0
2U29
1U11
1U13
1U12
FU00
22u
2U06
*
GND-SIG
IU39
3U73
100R
IU04
1%
3U62
470R
6U06
BAS316
3U13
10K
IU46
BZX384-C18
6U08
56
4
3
SI4936ADY
7U03-2
+12V
3U01
10R
IU65
22R
3U46
IU62
6U00
GND-SIG
8
IU59
BAS316
1
2
3
4
5
6
7
B6B-PH-SM4-TBT(LF)
1M90
100R
3U41
IU51
2U04
T3.0A
1U01
*
+12VS
3n3
3U34
10K
22K
IU00
+1V2
3U14
IU64
6K8
3U17
2U03
22u
*
3U21
4R7
470R
3U18
GND-SIG
22R
3U11
2U13
1n0
3U08
22R
FU07
2U17
100n
2U34
100p
*
100n
2U19
1K0
3U50
2K7
3U59
10K
3U05
IU63
3U30
10K
100R
3U07
+12VAL
GNDAL
+12VAL
GNDAL
SENSE+1V2-FPGA
SDA-I2C4
SENSE+2V5
SCL-I2C4
AB01 AB01
H_16800_010.eps
180407
3139 123 6188.2

Table of Contents

Related product manuals